电脑桌面
添加小米粒文库到电脑桌面
安装后可以在桌面快捷访问

数控大作业:加工中心零件加工编程VIP免费

数控大作业:加工中心零件加工编程_第1页
1/8
数控大作业:加工中心零件加工编程_第2页
2/8
数控大作业:加工中心零件加工编程_第3页
3/8
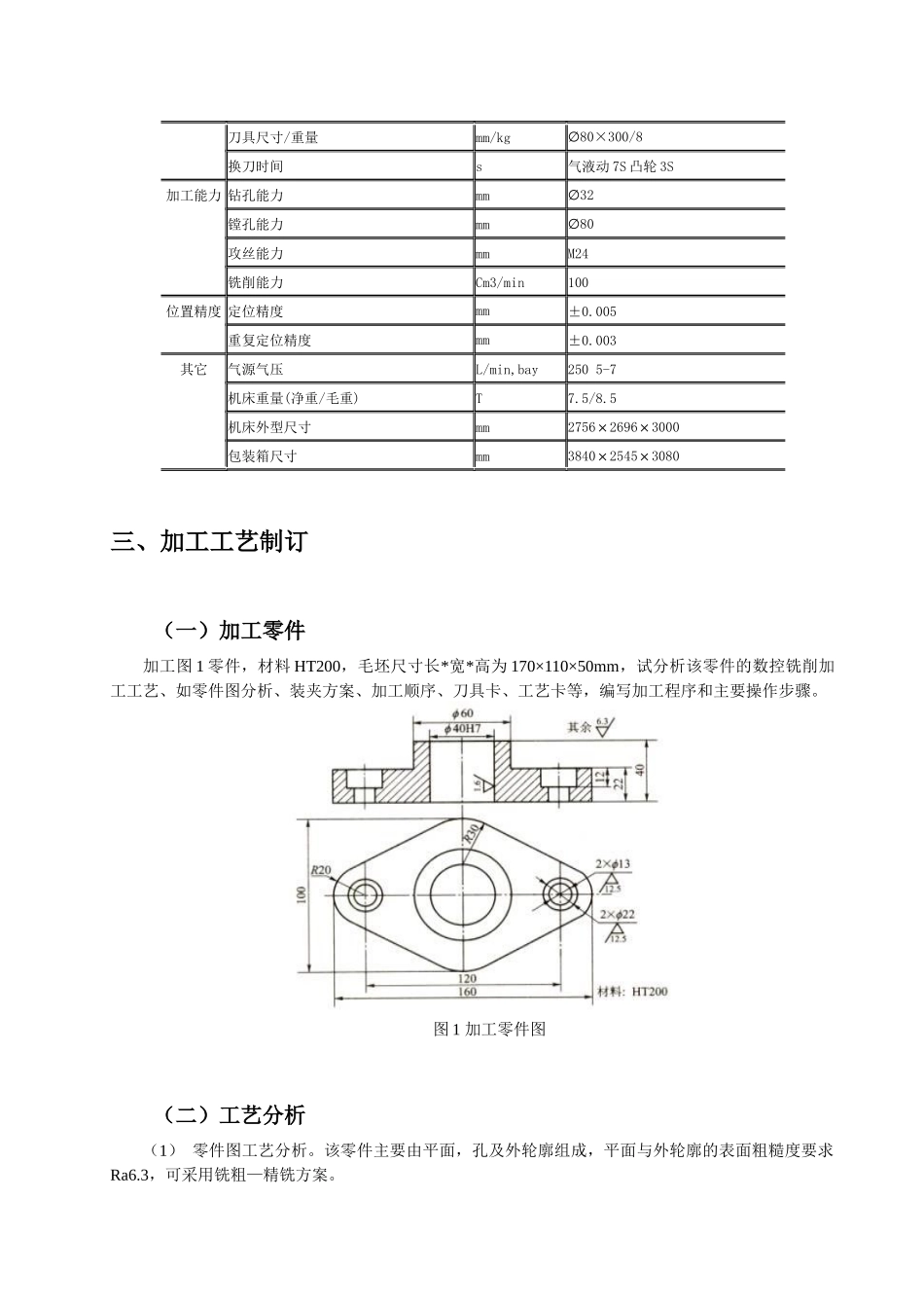
数控大作业一加工中心零件加工编程一、目的和要求本作业通过给定一台数控机床具体技术参数和零件加工工艺卡,使学生对数控机床具体参数、加工能力和加工工艺流程有直观了解和认识。同时,锻炼学生解决实际加工问题的能力。1.了解加工中心的具体技术参数,加工范围和加工能力;2.了解实际加工中,从零件图纸分析到制定零件加工工艺过程;3.按照加工工艺编写指定的工序的零件数控加工程序。二、数控机床设备(1)机床结构主要由床身、铣头、横进给、升降台、冷却、润滑及电气等部分组成。XKJ325-1数控铣床配用GSK928型数控系统,对主轴和工作台纵横向进行控制,用户按照加工零件的尺寸及工艺要求,先编成零件的加工程控,最后完成各种几何形状的加工。(2)机床的用途和加工特点本机床适用于多品种中、小批量生产的零件,对各种复杂曲线的凸轮、孔、样板弧形糟等零件的加工效能尤为显著;该机床高速性能好,工作稳定可靠,定位精度和重复精度较高,不需要模具就能确保零件的加工精度,减少辅助时间,提高劳动生产率。(3)加工中心的主要技术参数数控机床的技术参数,反映了机床的性能及加工范围。表1TH5640D立式加工中心的主要技术参数名称参数工作台工作台尺寸mm400×550T型槽mm18H8允许负载kg600主轴主轴锥孔NoBT40主轴直径mm∅85主周转速(标准型/高速型)rpm22.5-2250/45-4500主轴电机kw5.5/7.5行程移动范围mm1000×500×470主轴端面至工作台面距离mm150-620(380-850)主轴中心线至立柱面mm510进给切削进行速度mm/min1-4000快速移动速度m/min15/10刀库刀库容量把20(24)刀具尺寸/重量mm/kg∅80×300/8换刀时间s气液动7S凸轮3S加工能力钻孔能力mm∅32镗孔能力mm∅80攻丝能力mmM24铣削能力Cm3/min100位置精度定位精度mm±0.005重复定位精度mm±0.003其它气源气压L/min,bay2505-7机床重量(净重/毛重)T7.5/8.5机床外型尺寸mm2756×2696×3000包装箱尺寸mm3840×2545×3080三、加工工艺制订(一)加工零件加工图1零件,材料HT200,毛坯尺寸长*宽*高为170×110×50mm,试分析该零件的数控铣削加工工艺、如零件图分析、装夹方案、加工顺序、刀具卡、工艺卡等,编写加工程序和主要操作步骤。图1加工零件图(二)工艺分析(1)零件图工艺分析。该零件主要由平面,孔及外轮廓组成,平面与外轮廓的表面粗糙度要求Ra6.3,可采用铣粗—精铣方案。(2)确定装夹方案。根据零件的特点,加工上表面,¢60外圆及其台阶面和孔系时选用平口虎钳夹紧;铣削外轮廓时,采用一面两孔的定位方式,即以底面,¢40H和¢13孔定位。(3)确定加工顺序。按照基面先行,先面后孔,先粗后精的原则确定加工顺序,即粗加工定位基准面(底面)——¢60外圆及其台阶面——孔系加工——外轮廓铣削——精加工底面并保证尺寸40。(4)刀具的选用加工中心刀具通常由刃具和刀柄两部分组成,刃具有面加工用的各种铣刀和孔加工用的各种钻头、扩孔钻、镗刀、铰刀及丝锥等,刀柄要满足机床主轴自动松开和夹紧定位,并能准确地安装各种刃具和适应换刀机械手的夹持等要求。主要是刀具的长度和直径的选择,如加工孔依据其深度和孔径选择。表2刀具选择产品名称或代号零件名称端盖图号序号刀具编号刀具规格名称数量加工表面刀具半径备注1T01Φ20硬质合金端面铣刀1铣削上、下表面Φ162T02Φ12硬质合金端面立铣刀1铣削外园及其台阶面Φ83T03Φ38钻头1钻Φ40底孔4T04Φ40镗孔刀1镗Φ40内孔5T05Φ13钻头1钻2×Φ13螺孔6T06Φ22×14锪钻12×Φ22锪孔7T07Φ8硬质合金端面立铣刀1铣削外轮廓编制审核批准日期(5)切削用量的选择该材料,铣削平面、¢60外圆及其台阶面和外轮廓时可留0.5MM的精加余量,其余一次走完粗铣。确定主轴转速时,可先查确削用量手册,硬质合金铣刀加工铸铁(190~260HB)时的速度为45~90m/min,取Vc=70m/min,根据铣刀直径和公式计算主轴转速,并填入工序卡片中。确定进给速度时,根据铣刀齿数、主轴转速、和切削用量手册中给出的每齿进给量,计算进给速度并填入工序卡片中。拟订数控铣削加工工序卡片如表3。把零件加工顺序,采用的刀具和切削用量等参数编入数控加工工序卡片中,以指导编程加工操作。表3数控加工工序...

1、当您付费下载文档后,您只拥有了使用权限,并不意味着购买了版权,文档只能用于自身使用,不得用于其他商业用途(如 [转卖]进行直接盈利或[编辑后售卖]进行间接盈利)。
2、本站所有内容均由合作方或网友上传,本站不对文档的完整性、权威性及其观点立场正确性做任何保证或承诺!文档内容仅供研究参考,付费前请自行鉴别。
3、如文档内容存在违规,或者侵犯商业秘密、侵犯著作权等,请点击“违规举报”。

碎片内容

数控大作业:加工中心零件加工编程

您可能关注的文档

确认删除?
VIP
微信客服
  • 扫码咨询
会员Q群
  • 会员专属群点击这里加入QQ群
客服邮箱
回到顶部