电脑桌面
添加小米粒文库到电脑桌面
安装后可以在桌面快捷访问

客户抱怨处理表QR02-06001VIP免费

客户抱怨处理表QR02-06001_第1页
1/2
客户抱怨处理表QR02-06001_第2页
2/2
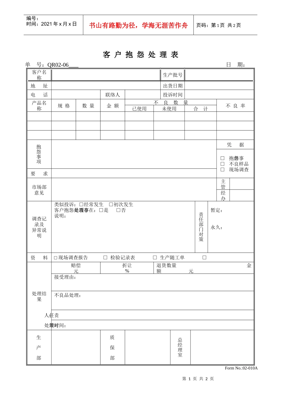
第1页共2页编号:时间:2021年x月x日书山有路勤为径,学海无涯苦作舟页码:第1页共2页客户抱怨处理表单号:QR02-06日期:客户名称生产批号地址出货日期电话联络人投诉时间产品名称规格数量金额不良数量不良率已使用未使用合计抱怨事项凭据□抱怨事件□不良样品□现场调查要求市场部意见主管经办调查记录及异常说明类似投诉:□经常发生□初次发生客户抱怨处理事项是否存在:□是□否说明:责任部门对策暂定:永久:资料□现场调查报告□检验记录表□生产随工单□处理结果赔偿元折让%退货数量金额元接受理由:不良品处理:责任人:对策处理时间:生产部质保部总经理室FormNo.:02-010A第2页共2页第1页共2页编号:时间:2021年x月x日书山有路勤为径,学海无涯苦作舟页码:第2页共2页

1、当您付费下载文档后,您只拥有了使用权限,并不意味着购买了版权,文档只能用于自身使用,不得用于其他商业用途(如 [转卖]进行直接盈利或[编辑后售卖]进行间接盈利)。
2、本站所有内容均由合作方或网友上传,本站不对文档的完整性、权威性及其观点立场正确性做任何保证或承诺!文档内容仅供研究参考,付费前请自行鉴别。
3、如文档内容存在违规,或者侵犯商业秘密、侵犯著作权等,请点击“违规举报”。

碎片内容

客户抱怨处理表QR02-06001

确认删除?
VIP
微信客服
  • 扫码咨询
会员Q群
  • 会员专属群点击这里加入QQ群
客服邮箱
回到顶部