电脑桌面
添加小米粒文库到电脑桌面
安装后可以在桌面快捷访问

工业服务基槽开挖隐蔽工程检查记录VIP免费

工业服务基槽开挖隐蔽工程检查记录_第1页
1/169
工业服务基槽开挖隐蔽工程检查记录_第2页
2/169
工业服务基槽开挖隐蔽工程检查记录_第3页
3/169
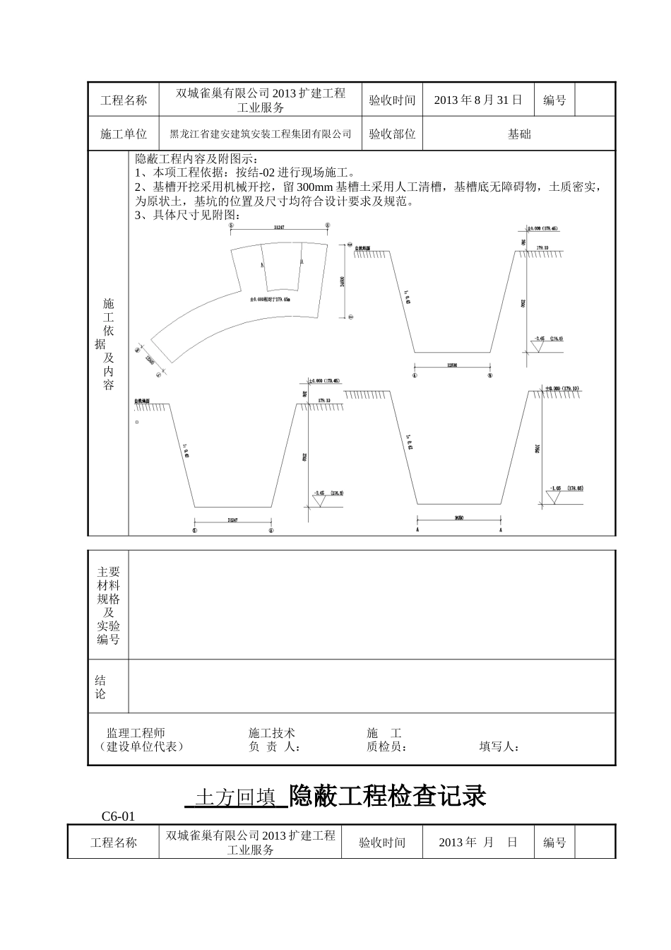
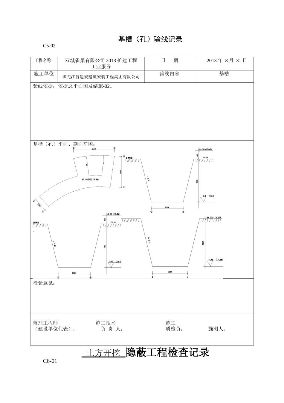
基槽(孔)验线记录C5-02土方开挖隐蔽工程检查记录C6-01工程名称双城雀巢有限公司2013扩建工程工业服务日期2013年8月31日施工单位黑龙江省建安建筑安装工程集团有限公司验线内容基槽验线依据:依据总平面图及结施-02。基槽(孔)平面、剖面简图:检验意见:监理工程师施工技术施工(建设单位代表):负责人:质检员:施测人:工程名称双城雀巢有限公司2013扩建工程工业服务验收时间2013年8月31日编号施工单位黑龙江省建安建筑安装工程集团有限公司验收部位基础施工依据及内容隐蔽工程内容及附图示:1、本项工程依据:按结-02进行现场施工。2、基槽开挖采用机械开挖,留300mm基槽土采用人工清槽,基槽底无障碍物,土质密实,为原状土,基坑的位置及尺寸均符合设计要求及规范。3、具体尺寸见附图:主要材料规格及实验编号结论监理工程师施工技术施工(建设单位代表)负责人:质检员:填写人:土方回填隐蔽工程检查记录C6-01工程名称双城雀巢有限公司2013扩建工程工业服务验收时间2013年月日编号施工单位黑龙江省建安建筑安装工程集团有限公司验收部位土方回填施工依据及内容隐蔽工程内容及附图示:依据:1、本项工程依据:按结施-01进行现场施工。2、《黑龙江省建筑安装工程施工技术操作规程—建筑地基基础工程》(DB23/715-2003)内容:1、土方回填采用机械回填,并采用蛙式及立式压实机分层夯实,每夯实层的厚度为250mm,连夯三遍,基础两边同时夯实。2、设备下压实系数不小于0.97、其余位置系数不小于0.94。3、回填土质及颜色均无杂质、断面尺寸及标高均符合设计要求及规范。4、具体见附图:主要材料规格及实验编号土工击实报告编号:回填密实度报告编号:结论监理工程师施工技术施工(建设单位代表)负责人:质检员:填写人:混凝土隐蔽工程检查记录C6-01工程名称双城雀巢有限公司2013扩建工程工业服务验收时间2013年8月31日编号施工单位黑龙江省建安建筑安装工程集团有限公司验收部位基础垫层施工依据及内容1、本项工程依据:按结-02进行现场施工。2、所采用的材料均符合要求,有合格证及试验报告。3、基础垫层采用商品混凝土C15泵送,配合比为:1:2.88:3.45:0.67,配比计量准确,符合设计及施工规范规定。4、垫层采用C15商品混凝土,厚度为100mm,截面尺寸符合设计要求,垫层顶标高为-2.200m。5、混凝土采用机械振捣,振捣密实,标高、几何尺寸符合设计要求。6、施工工艺符合设计要求及相关技术规范规定。7、混凝土浇注时,随机取样并按规定留置试块。,主要材料规格及实验编号C15砼抗压强度试验单编号:结论。监理工程师施工技术施工(建设单位代表)负责人:质检员:填写人:钢筋隐蔽工程检查记录C6-01工程名称双城雀巢有限公司2013扩建工程工业服务验收时间年月日编号施工单位黑龙江省建安建筑安装工程集团有限公司验收部位独立基础施工依据及内容依据:1、本项工程依据按结施-02进行现场施工。2、《黑龙江省建筑安装工程施工技术操作规程—钢筋工程》(DB23/T707-2003)内容:1、钢筋采用Ⅲ级钢筋进行施工,钢筋进场经复验均为合格。2、钢筋绑扎规格,形状、尺寸、间距、数量、搭接长度、绑扎扣数均符合设计要求和施工规范的规定。3、钢筋保护层厚度为40mm.4、独立基础配筋图:编号a1b1h1h2配筋备注主要材料规格及实验编号Φ12试验报告编号:2011-GC-9675(J)结论监理工程师施工技术施工(建设单位代表)负责人:质检员:填写人:钢筋隐蔽工程检查记录C6-01工程名称创业城居住区工程20-24#楼验收时间2011年月日编号02施工单位东北金城建设股份有限公司验收部位承台及承台梁和筏板施工依据及内容依据:1、本项工程依据按结施-02、03进行现场施工。2、《黑龙江省建筑安装工程施工技术操作规程—钢筋工程》(DB23/T707-2003)内容:1、钢筋采用Ⅰ、Ⅱ级钢筋进行施工,钢筋进场经复验均为合格。2、钢筋绑扎规格,形状、尺寸、间距、数量、搭接长度、绑扎扣数均符合设计要求和施工规范的规定。3、钢筋保护层厚度为40mm.4、承台及承台梁和筏板配筋图:主要材料规格及实验编号Φ12试验报告编号:2011-GC-9675(J)结论监理工程师施工技术施工(建设单位代表)负责人:质检员:填写人:...

1、当您付费下载文档后,您只拥有了使用权限,并不意味着购买了版权,文档只能用于自身使用,不得用于其他商业用途(如 [转卖]进行直接盈利或[编辑后售卖]进行间接盈利)。
2、本站所有内容均由合作方或网友上传,本站不对文档的完整性、权威性及其观点立场正确性做任何保证或承诺!文档内容仅供研究参考,付费前请自行鉴别。
3、如文档内容存在违规,或者侵犯商业秘密、侵犯著作权等,请点击“违规举报”。

碎片内容

工业服务基槽开挖隐蔽工程检查记录

您可能关注的文档

确认删除?
VIP
微信客服
  • 扫码咨询
会员Q群
  • 会员专属群点击这里加入QQ群
客服邮箱
回到顶部