电脑桌面
添加小米粒文库到电脑桌面
安装后可以在桌面快捷访问

售后服务方案(DOC31页)VIP免费

售后服务方案(DOC31页)_第1页
1/29
售后服务方案(DOC31页)_第2页
2/29
售后服务方案(DOC31页)_第3页
3/29
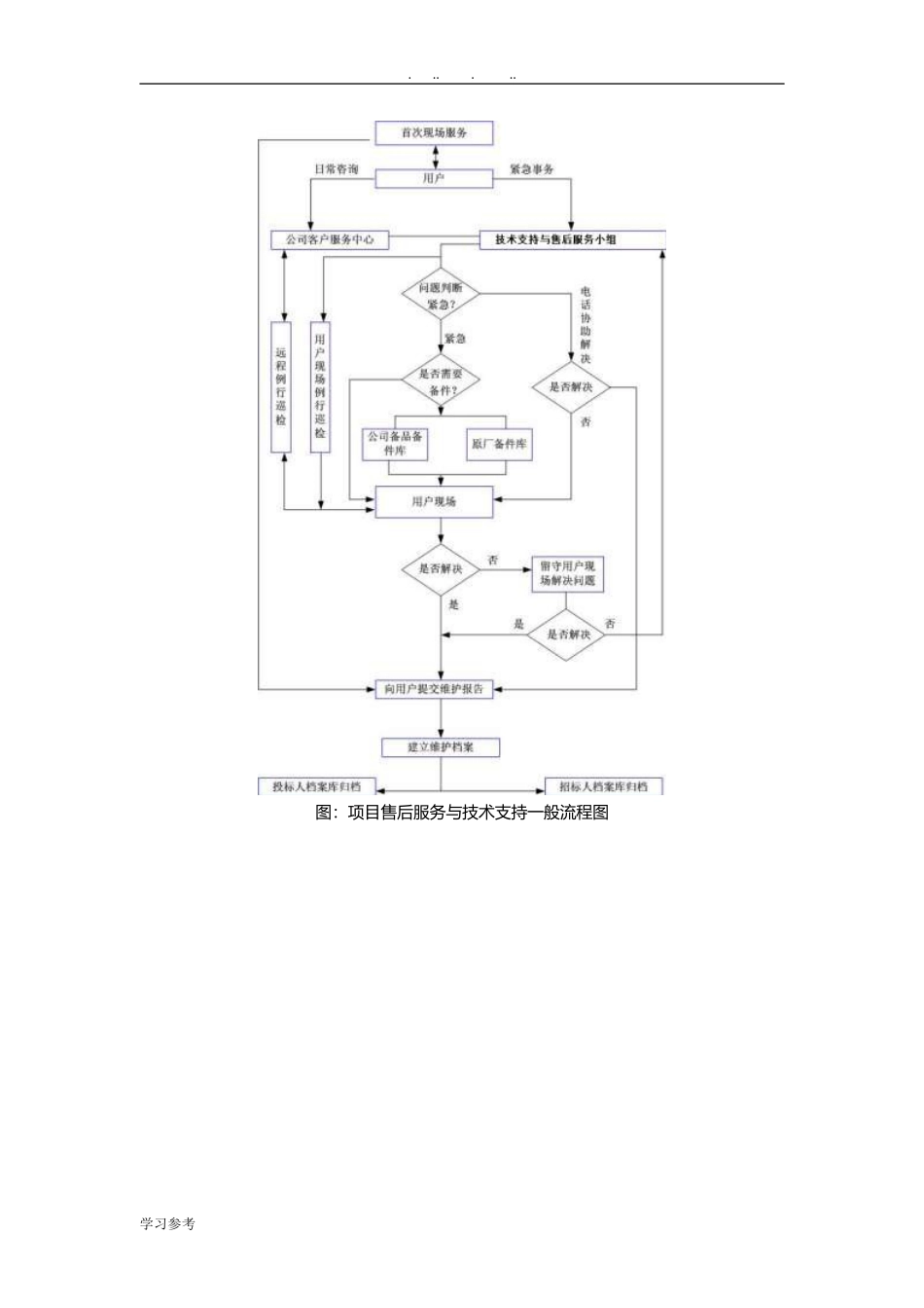
......1.3本项目售后服务与技术支持计划1.3.1项目售后服务与技术支持流程1.3.1.1一般事务流程本投标人始终追求卓越的服务品质,以招标人满意为不断追求的目标。本投标人依托强大的技术服务队伍,建立有一套完善的服务体系,能够为招标人提供完善方便的技术支持和伴随服务。本投标人技术支持和伴随服务常规流程简单快捷,具体如下图:学习参考......图:项目售后服务与技术支持一般流程图学习参考......1.3.1.2紧急事务流程图:项目售后服务与技术支持紧急事务流程图应急启动流程:应急处理工作小组从系统使用人员、系统运维人员的故障申告中得知信息系统异常事件后,应在第一时间赶赴信息系统故障现场。学习参考......应急处理工作小组针对信息系统事件做出初步的分析判断。若是电源接触不好、物理连线松动或者能在最短时间内自行解决的问题,及时按照有关操作规程进行故障处理,并报领导小组备案;否则,应急处理工作小组将故障大致定性为设备故障、线路故障、软件故障等故障之一,及时告知领导小组,并采取措施避免事件影响范围的扩大。应急处理工作小组向领导小组报告,在领导小组的授权后启动相应的应急预案。针对灾难事件和影响重要业务运行的重大事件,还要及时向上级机关进行报告。应急处理工作小组根据故障类型及时与外部支持人员取得联系。其中,设备故障的,可与设备供应商和集成商联系;软件故障的,可与系统集成商联系,由系统集成商进行现场或远程技术支持;各方密切协作力求在短时间内恢复正常。应急处理工作小组在上级机构或外部支持人员的配合下,充分利用应急预案的资源准备,采取有力措施进行故障处理,及时恢复信息系统的正常工作状态。应急处理工作小组通知业务部门信息系统恢复正常,并向领导小组报告故障处理的基本情况。重大事件形成文字资料,以书面形式报告给上级机构。总结整个处理过程中出现的问题,并及时改进应急预案。学习参考......1.3.1.3预案事务流程图:项目售后服务与技术支持预案事务流程图应急预案的设计应当包括IT应急措施、非IT应急措施、相关部门的协调、应急资源的保证、应急预案启动条件等。1、IT应急措施对关键业务的应急保护,首先应该通过IT内部的应急措施加以实现。这些IT措施主要是数据备份、网路备份以及系统和网络的应急调用等。IT应急措施的设计应当具有可操作性。2、非IT应急措施的设计对关键业务的应急保护,尤其是与计算机信息网络系统关联程度一般或者与计算机信学习参考......息网络系统关联程度极高的核心关键业务的应急保护,应当考虑采用非IT应急措施加以实现。非IT应急措施是在关于计算机信息网络系统短期内无法恢复的假设基础上进行关键业务连续性设计的。如,切换到手工的方式进行业务的操作,或通过介质传输的方式进行办自动业务操作等。3、相关部门的协调网络系统的应急预案设计是从保护整体利益,降低网络整体风险为基本出发点,因此,对关键业务的应急保护涉及组织的各个部门和各个方面的配合和支持。关于关键业务应急保护相关部门的关联方式是组织应急预案设计的关键。4、应急资源的保证应急预案设计应当将应急活动程序化,并通过程序化确定执行应急预案所许的组织资源,包括人员、设备、资金和其他物资,尤其是人员的保证和其他资源的同意指挥调度等。应急资源的保证还包括供应商、开发商、系统集成商,以及其它外协和相关单位支持。5、应急预案的启动条件组织应急预案的启动条件是组织应急预案设计的重要内容,也是实施应急预案的必要条件。组织应当严格规定应急措施的实施和应急资源调用的程序、决策者和责任人。同时,启动应急预案的决策信息必须来自组织规范的报告制度,并有记录及可追溯。6、应急预案的演练组织的应急预案正式批准之前都必须进行演练。演练也可以在仿真条件下进行,但参加演练的人员必须与实际执行应急预案的人员的组成相近。应急预案演练是组织应急预案完善的重要工作,包括应急预案演练的计划安排、演练过程和效果的详细记录,演练活动的评估报告和应急预案改进建议等。1.3.1.4远程支持服务流程任何时间招标人可直接拨打技术支持与售后服务小组成员电话,能够得到及时的电话技术支持,...

1、当您付费下载文档后,您只拥有了使用权限,并不意味着购买了版权,文档只能用于自身使用,不得用于其他商业用途(如 [转卖]进行直接盈利或[编辑后售卖]进行间接盈利)。
2、本站所有内容均由合作方或网友上传,本站不对文档的完整性、权威性及其观点立场正确性做任何保证或承诺!文档内容仅供研究参考,付费前请自行鉴别。
3、如文档内容存在违规,或者侵犯商业秘密、侵犯著作权等,请点击“违规举报”。

碎片内容

售后服务方案(DOC31页)

您可能关注的文档

确认删除?
VIP
微信客服
  • 扫码咨询
会员Q群
  • 会员专属群点击这里加入QQ群
客服邮箱
回到顶部