电脑桌面
添加小米粒文库到电脑桌面
安装后可以在桌面快捷访问

TCL嘉园模板及高支模施工专项方案VIP免费

TCL嘉园模板及高支模施工专项方案_第1页
1/46
TCL嘉园模板及高支模施工专项方案_第2页
2/46
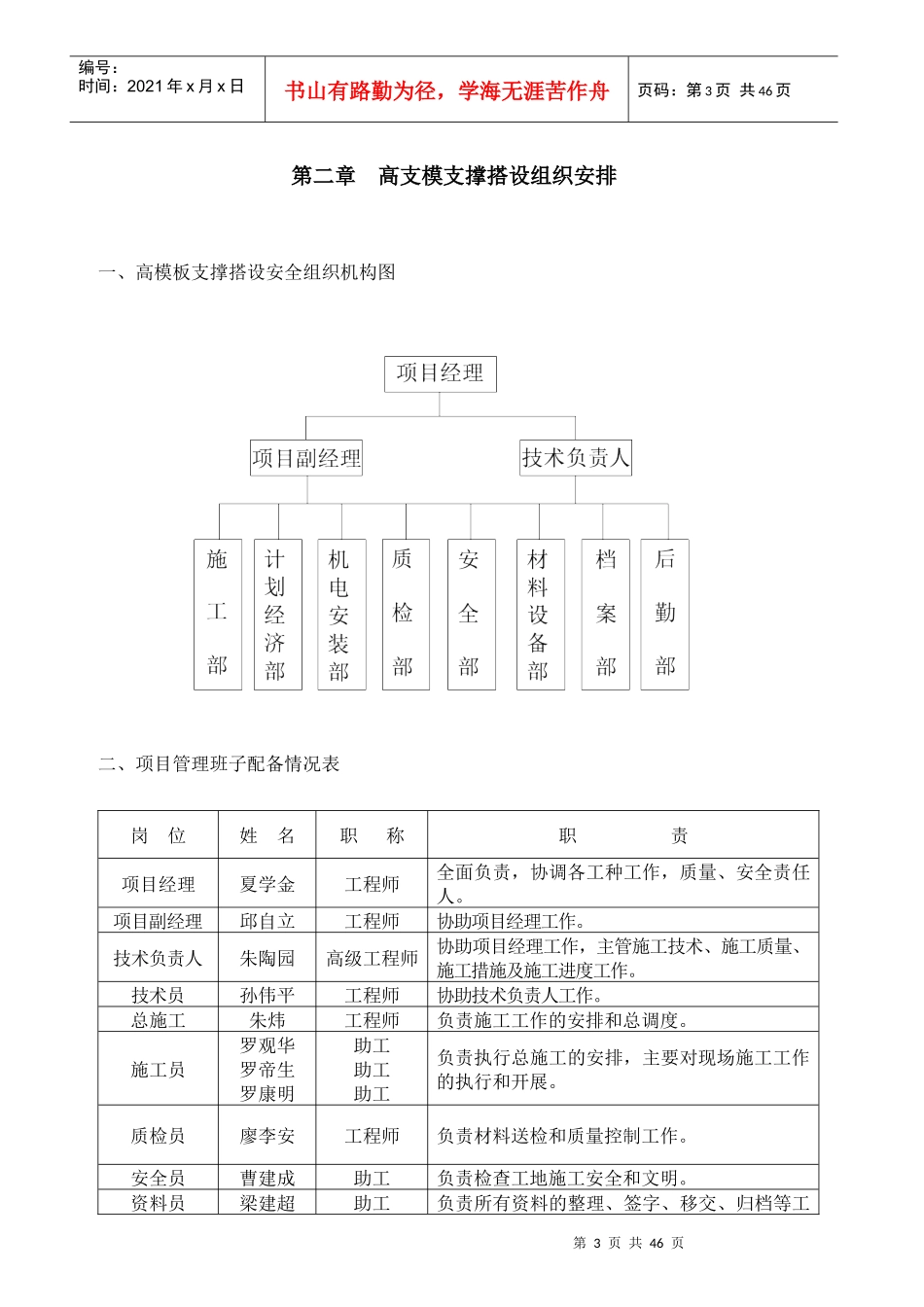
TCL嘉园模板及高支模施工专项方案_第3页
3/46
目录第一章工程概况...............................................................................................................1一、工程概况.......................................................................................................................1二、工程工期.......................................................................................................................2三、高支模特点...................................................................................................................2第二章高支模支撑搭设组织安排...................................................................................3一、高模板支撑搭设安全组织机构图...............................................................................3二、项目管理班子配备情况表...........................................................................................3第三章高支模支撑体系计算.............................................................................................4一、楼板支撑验算...............................................................................................................4二、梁模板验算.................................................................................................................13第四章高支撑模板安拆...................................................................................................34一、高支撑模板安装.........................................................................................................34二、模板及其支架的拆除.................................................................................................37三、模板的验收.................................................................................................................38四、模板的运输、维修与保管.........................................................................................41第五章高支模安全保证措施...........................................................................................41一、金属扣件架搭设工程安全技术措施.........................................................................41二、模板工程安全技术措施.............................................................................................42第六章高支模质量保证措施...........................................................................................43一、钢管搭设要求.............................................................................................................43二、模板安装要求.............................................................................................................43第七章高支模钢筋工程...................................................................................................44第八章高支模砼工程.......................................................................................................46第九章高支模文明施工...................................................................................................46第2页共46页编号:时间:2021年x月x日书山有路勤为径,学海无涯苦作舟页码:第2页共46页第一章工程概况一、工程概况工程名称:TCL嘉园项目主体工程建设单位:惠州TCL房地产开发有限公司设计单位:深圳清华苑建筑设计有限公司惠州TCL嘉园位于惠州市河南区5#地块,该项目建有七栋住宅楼和部分商业用房。地下一层为设备用房、车库,地上一层为架空层、商业用房,2—18层为住宅,结构体系为框支剪力墙。基础采用人工挖孔桩,部分...

1、当您付费下载文档后,您只拥有了使用权限,并不意味着购买了版权,文档只能用于自身使用,不得用于其他商业用途(如 [转卖]进行直接盈利或[编辑后售卖]进行间接盈利)。
2、本站所有内容均由合作方或网友上传,本站不对文档的完整性、权威性及其观点立场正确性做任何保证或承诺!文档内容仅供研究参考,付费前请自行鉴别。
3、如文档内容存在违规,或者侵犯商业秘密、侵犯著作权等,请点击“违规举报”。

碎片内容

TCL嘉园模板及高支模施工专项方案

您可能关注的文档

确认删除?
VIP
微信客服
  • 扫码咨询
会员Q群
  • 会员专属群点击这里加入QQ群
客服邮箱
回到顶部