电脑桌面
添加小米粒文库到电脑桌面
安装后可以在桌面快捷访问

建筑工程计价例题汇集VIP免费

建筑工程计价例题汇集_第1页
1/57
建筑工程计价例题汇集_第2页
2/57
建筑工程计价例题汇集_第3页
3/57
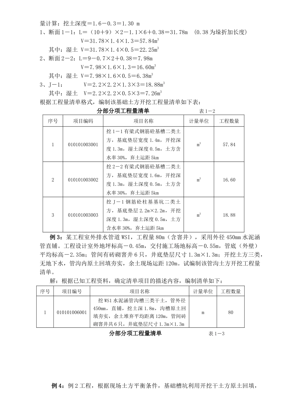
图4-1一、土石方工程清单编制例题例1:某工程外墙外边线尺寸为36.24m×12.24m,底层设有围护栏板的室外平台共4只,围护外围尺寸为3.84m×1.68m;设计室外地坪土方标高为-0.15m,现场自然地坪平均标高为-0.05m,现场土方多余,需运至场外5km处松散弃置,按规范编制该工程平整场地清单项目。解:该工程按自然标高计算,多余土方平均厚度0.10m,按题意需考虑外运。工程量计算:平整场地:S=36.24×12.24+3.84×1.68×4=469.38m2分部分项工程量清单表1-1序号项目编码项目名称计量单位工程数量1010101001001平整场地,余土平均厚度0.1m,外运距离5km处松散弃置m2469.38例2:如图,某房屋工程基础平面及断面如图,已知:基底土质均衡,为二类土,地下常水位标高为-1.1m,土方含水率30%;室外地坪设计标高-0.15m,交付施工的地坪标高-0.3m,基坑回填后余土弃运5km。试计算该基础土方开挖工程量,编制工程量清单。解:本工程基础槽坑开挖按基础类型有1-1、2-2和J-1三种,应分别列项。工程量计算:挖土深度=1.6-0.3=1.30m1、断面1-1:L=(10+9)×2-1.1×6+0.38=31.78m(0.38为垛折加长度)V=31.78×1.4×1.3=57.84m3其中:湿土V=31.78×1.4×0.5=22.25m32、断面2-2:L=9-0.7×2+0.38=7.98mV=7.98×1.6×1.3=16.60m3其中:湿土V=7.98×1.6×0.5=6.38m33、J-1:V=2.2×2.2×1.3×3=18.88m3其中:湿土V=2.2×2.2×0.5×3=7.26m3根据工程量清单格式,编制该基础土方开挖工程量清单如下表:分部分项工程量清单表1-2序号项目编码项目名称计量单位工程数量1010101003001挖1-1有梁式钢筋砼基槽二类土方,基底垫层宽度1.4m,开挖深度1.3m,湿土深度0.5m,土方含水率30%,弃土运距5kmm357.842010101003002挖2-2有梁式钢筋砼基槽二类土方,基底垫层宽度1.6m,开挖深度1.3m,湿土深度0.5m,土方含水率30%,弃土运距5kmm316.603010101003003挖J-1钢筋砼柱基基坑二类土方,基底垫层2.2m×2.2m,开挖深度1.3m,湿土深度0.5m,土方含水率30%,弃土运距5kmm318.88例3:某工程室外排水管道WSI,工程量80m(含窨井),采用外径450mm水泥涵管直铺。工程设计室外地坪标高-0.45m,交付施工场地标高-0.55m,管底(外壁)平均标高-2.35m;管间有砖砌窨井6只,井底垫层尺寸1.3m×1.3m;开挖土方三类,无地下水,管沟内原土回填夯实,余土现场运距120m。试编制该管沟土方开挖工程量清单。解:根据已知工程资料,确定清单项目的描述内容,编制清单如下:分部分项工程量清单表1-3例4:例2工程,根据现场土方平衡条件,基础槽坑利用开挖干土方原土回填,序号项目编号项目名称计量单位工程数量1010101006001挖WS1水泥涵管沟槽三类干土,管外径450mm,直铺,挖土深1.8m,沟槽原土回填夯实,余土堆弃平均距离120m,管间砖砌窨井共6只,井底垫层尺寸1.3m×1.3mm80堆放点至槽坑平均距离20米,填土要求分层夯实。假设埋入设计地坪以下的基础体积为30m3,计算该工程基槽坑回填土工程量并编制工程量清单。解:基槽坑开挖土方工程量(见例2):57.84+16.6+18.88=93.32m3已知设计室外地坪以下埋入的基础体积:30m3基槽坑回填土工程量=93.32-30=63.32m3分部分项工程量清单表1-4序号项目编码项目名称计量单位工程数量1010103001001基槽坑场内土方回填,槽坑开挖原土分层夯实,运距20mm363.32二、土石方工程清单计价例题例5:按照浙江省2003版建筑工程预算定额计算“例题1”清单的综合单价。(假设:市场工料机单价同定额取定;工程施工方案选定为推土机和铲运机配合施工,余土为铲运机装土自卸汽车运土;工程取费标准按工程类别及企业水平情况,企业管理费按人工费及机械费之和的25%、利润按人工费及机械费之和的10%、风险按人工费的20%和机械费的10%考虑计算。)解:按照题意,该清单项目组合内容有场地平整、余土外运(包括装土和运土)。(1)工程量计算:已知清单工程量=469.38m2;根据采用定额的工程量计算规则,计算其施工工程量如下:平整场地S=(36.24+2×2)×(12.24+2×2)=653.5m2余土外运(5km)V=653.5×0.1=65.35m3(2)定额套用,确定工料机费:“...

1、当您付费下载文档后,您只拥有了使用权限,并不意味着购买了版权,文档只能用于自身使用,不得用于其他商业用途(如 [转卖]进行直接盈利或[编辑后售卖]进行间接盈利)。
2、本站所有内容均由合作方或网友上传,本站不对文档的完整性、权威性及其观点立场正确性做任何保证或承诺!文档内容仅供研究参考,付费前请自行鉴别。
3、如文档内容存在违规,或者侵犯商业秘密、侵犯著作权等,请点击“违规举报”。

碎片内容

建筑工程计价例题汇集

您可能关注的文档

确认删除?
VIP
微信客服
  • 扫码咨询
会员Q群
  • 会员专属群点击这里加入QQ群
客服邮箱
回到顶部