电脑桌面
添加小米粒文库到电脑桌面
安装后可以在桌面快捷访问

XXXX年前三季度国内商用车市场分析及预测VIP免费

XXXX年前三季度国内商用车市场分析及预测_第1页
1/9
XXXX年前三季度国内商用车市场分析及预测_第2页
2/9
XXXX年前三季度国内商用车市场分析及预测_第3页
3/9
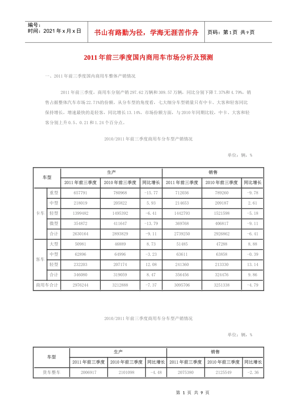
第1页共9页编号:时间:2021年x月x日书山有路勤为径,学海无涯苦作舟页码:第1页共9页2011年前三季度国内商用车市场分析及预测一、2011年前三季度国内商用车整体产销情况2011年前三季度,商用车分别产销297.62万辆和309.57万辆,同比分别下降7.37%和4.79%,销售占据整体汽车市场22.71%的份额。从分车型的角度看,七大细分车型销量只有中卡、大客和轻客同比保持增长,增速最快的是轻客,同比增长13.14%。市场份额方面,与2010年同期比较,中卡、大客和轻客分别上升0.5、0.21和1.24个百分点。2010/2011年前三季度商用车分车型产销情况单位:辆,%车型生产销售2011年前三季度2010年前三季度同比增长2011年前三季度2010年前三季度同比增长卡车重型657791780968-15.77712036789260-9.78中型2180192058225.932146532091872.61轻型13994821495392-6.4114427931521598-5.18微型354872411647-13.79369768406817-9.11合计26301642893829-9.1127392502926862-6.41客车大型50981468898.7351485472888.88中型6289664996-3.236361163858-0.39轻型23220320717412.0824136021333013.14合计3460803190598.473564563244769.86商用车合计29762443212888-7.3730957063251338-4.792010/2011年前三季度商用车分车型产销情况单位:辆,%车型生产销售2011年前三季度2010年前三季度同比增长2011年前三季度2010年前三季度同比增长货车整车20069172101098-4.4820753802125549-2.36第2页共9页第1页共9页编号:时间:2021年x月x日书山有路勤为径,学海无涯苦作舟页码:第2页共9页货车非完整车辆434677517903-16.07465297525154-11.40半挂牵引车188570274828-31.39198573276159-28.09客车整车28465725621211.1029366926223311.99客车非完整车辆6142362847-2.2762787622430.87商用车合计29762443212888-7.3730957063251338-4.792011年前三季度商用车分车型市场份额2010年前三季度商用车分车型市场份额2011年前三季度商用车分车型月度销量走势图单位:辆第3页共9页第2页共9页编号:时间:2021年x月x日书山有路勤为径,学海无涯苦作舟页码:第3页共9页从月度走势看,重、轻、微卡销售最高值均出现在3月;中卡销售最高值均出现在4月;大型客车销售最高值出现在1月,中型客车出现在9月,轻型客车出现在6月,轻客市场是2011年商用车市场的最大亮点。二、2011年前三季度商用车分企业销售情况2011年前三季度商用车前十家企业销售情况单位:辆,%企业2011年前三季度2010年前三季度同比增长销量份额销量份额东风汽车49520216.0048434114.902.24北汽福田48996115.8351002415.69-3.93一汽集团2178037.043012819.27-27.71安徽江淮2167737.002021126.227.25金杯股份1934956.251698525.2213.92江西江铃1410794.561295993.998.86中国重汽1297274.191667735.13-22.21长安汽车1059013.421310884.03-19.21长城汽车909822.94736562.2723.52南汽集团897502.90863032.653.99前十家合计217067370.12225502969.36-3.74从分企业的角度看,2011年前三季度,前十家商用车企业累计销售217万辆以上,占据70%的市场份额,同比下降3.74%,低于汽车行业整体增长。与2010年同期相比,一些企业的名次发生微妙的变化,比如东风汽车超过福田,成为商用车的老大,但二者的差距不足6000辆;江西江铃超过长安和中国重汽位居第六。可见2011年全年商用车市场的排位之争将相当激烈。2011年前三季度客车整车前十家企业销售情况单位:辆,%第4页共9页第3页共9页编号:时间:2021年x月x日书山有路勤为径,学海无涯苦作舟页码:第4页共9页企业2011年前三季度2010年前三季度同比增长销量份额销量份额金杯股份6810623.196183923.5810.13江西江铃4265514.523733114.2414.26南汽集团3177310.82255689.7524.27郑州宇通3171810.802713110.3516.91北汽福田191536.52204797.81-6.47厦门金龙179466.11170176.495.46苏州金龙169955.79152135.8011.71厦门金旅163105.55153785.866.06一汽丰田62852.1435931.3774.92安徽安凯40111.3723930.9167.61前十家合计25495286.8222594286.1612.84客车整车市场,2011年前三季度前十家企业累计销售25.5万辆,同比增长12.84%,除北汽福田外...

1、当您付费下载文档后,您只拥有了使用权限,并不意味着购买了版权,文档只能用于自身使用,不得用于其他商业用途(如 [转卖]进行直接盈利或[编辑后售卖]进行间接盈利)。
2、本站所有内容均由合作方或网友上传,本站不对文档的完整性、权威性及其观点立场正确性做任何保证或承诺!文档内容仅供研究参考,付费前请自行鉴别。
3、如文档内容存在违规,或者侵犯商业秘密、侵犯著作权等,请点击“违规举报”。

碎片内容

XXXX年前三季度国内商用车市场分析及预测

您可能关注的文档

确认删除?
VIP
微信客服
  • 扫码咨询
会员Q群
  • 会员专属群点击这里加入QQ群
客服邮箱
回到顶部