电脑桌面
添加小米粒文库到电脑桌面
安装后可以在桌面快捷访问

公共建筑空调系统运行能效及运行监测参数初探重庆大学闵晓丹VIP免费

公共建筑空调系统运行能效及运行监测参数初探重庆大学闵晓丹_第1页
1/8
公共建筑空调系统运行能效及运行监测参数初探重庆大学闵晓丹_第2页
2/8
公共建筑空调系统运行能效及运行监测参数初探重庆大学闵晓丹_第3页
3/8
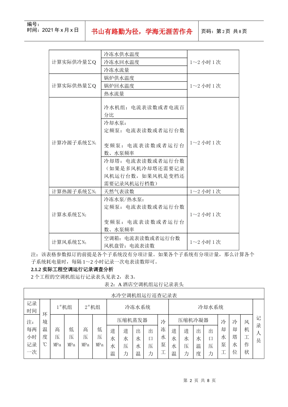
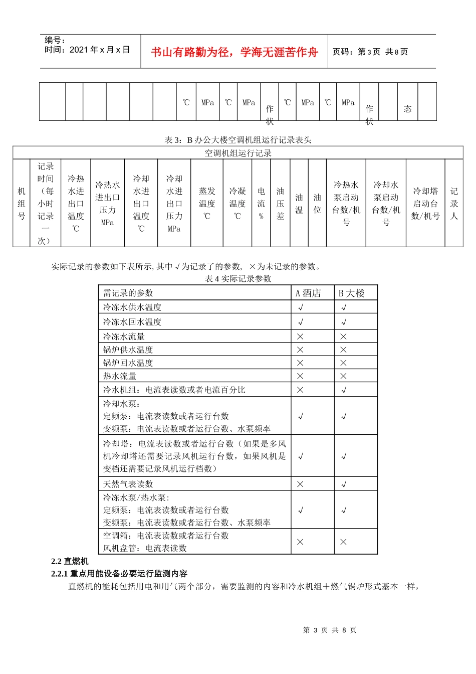
第1页共8页编号:时间:2021年x月x日书山有路勤为径,学海无涯苦作舟页码:第1页共8页公共建筑空调系统运行能效及运行监测参数初探重庆大学闵晓丹,付祥钊,肖益民重庆市建筑技术发展中心姜涵摘要:空调系统运行能效比对于判定空调系统是否节能运行十分重要。本文通过对5个工程运行管理和运行记录的调查分析,从计算空调系统运行能效比的角度出发,分别提出冷水机组+燃气锅炉,直燃机,水环热泵三种空调系统重点用能设备必要运行监测参数和记录频率,并将实际工程参数的记录情况与之比较,发现实际工程运行记录和运行管理中存在的一些问题,提出一些意见和需要注意的问题,为健全企业运行记录管理提供参考。关键词:空调系统运行能效比运行记录运行管理0引言空调系统能效比是判断空调工程是否节能的重要指标。空调系统能效比包括设计能效比和运行能效比。其中设计能效比用于规范设计节能,是判断设计阶段空调系统是否节能的重要依据,重庆市对其限值已有相关规定;运行能效比是指运行过程中空调系统实际供冷/热量与空调设备实际耗电量的比值,对于判断在实际运行过程中,空调系统是否节能具有十分重要的意义。在计算运行能效比时,空调系统的运行记录是一个最基础的资料,作者通过对5个空调工程运行管理和运行记录的调查分析,从计算运行能效比的角度提出空调系统运行的必要监测参数,发现运行记录和管理中存在的一些问题,提出一些完备建议。1空调系统运行能效比SEER的计算方法1.1整个空调系统运行能效比SEER空调系统运行能效比SEER=单位时间内空调系统的实际供冷(热)量∑Q/此单位时间内,空调系统所有设备的耗电量总和∑N注:1)其中∑Q的计算方法:根据公式Q=Cp×m×△t式中:Cp——水的定压比热m——水的质量(=水的密度×流量×时间),kg△t——冷冻水/热水进出口温差(=出口温度-进口温度),℃2)∑N包括用电设备的耗电量和非用电耗能设备所耗燃料的折算电量。1.2子系统运行能效比SEERi子系统运行能效比SEERi=单位时间内空调系统的实际供冷(热)量∑Q/此单位时间内,子系统i的耗电量总和∑Ni(i=1,2,3)注:1)子系统包括冷热源系统(冷热源主机和冷却水系统)、水系统、风系统2)∑Ni包括用电设备的耗电量和非用电耗能设备所耗燃料的折算电量。2各类空调系统运行记录调查分析此次调查了5个工程,系统形式有三类:冷水机组+燃气锅炉,直燃机,水环热泵。以下就根据系统形式分别讨论。2.1冷水机组+燃气锅炉2.1.1重点用能设备必要运行监测内容为了计算出空调系统和各个子系统的运行能效比,重点用能设备必须的运行监测内容如表1所示。表1重点用能设备必要运行监测内容数据用途需记录的参数记录频率第2页共8页第1页共8页编号:时间:2021年x月x日书山有路勤为径,学海无涯苦作舟页码:第2页共8页计算实际供冷量∑Q冷冻水供水温度1~2小时1次冷冻水回水温度冷冻水流量计算实际供热量∑Q锅炉供水温度1~2小时1次锅炉回水温度热水流量计算冷源子系统∑N1冷水机组:电流表读数或者电流百分比1~2小时1次冷却水泵:定频泵:电流表读数或者运行台数变频泵:电流表读数或者运行台数、水泵频率冷却塔:电流表读数或者运行台数(如果是多风机冷却塔还需要记录风机运行台数,如果风机是变档还需要记录风机运行档数)计算热源子系统∑N1天然气表读数1~2小时1次计算水系统∑N2冷冻水泵/热水泵:定频泵:电流表读数或者运行台数变频泵:电流表读数或者运行台数、水泵频率1~2小时1次计算风系统∑N3空调箱:电流表读数或者运行台数风机盘管:电流表读数1~2小时1次注:该表格参数拟订的前提是各个子系统没有分项计量。如果各个子系统有分项计量,那么计算各个子系统耗电量时,每隔1~2小时记录一次电表读数即可。2.1.2实际工程空调运行记录调查分析2个工程的空调机组运行记录表头见表2,表3。表2:A酒店空调机组运行记录表头水冷空调机组运行巡查记录表记录时间环境温度℃1#机组2#机组冷冻水系统冷却水系统记录人员注:每两小时记录一次高压MPa低压MPa高压MPa低压MPa压缩机蒸发器冷冻水泵工压缩机冷凝器冷却水泵工冷却塔水位风机工作状进水水温进水压力出水水温出口压力进水水温进水...

1、当您付费下载文档后,您只拥有了使用权限,并不意味着购买了版权,文档只能用于自身使用,不得用于其他商业用途(如 [转卖]进行直接盈利或[编辑后售卖]进行间接盈利)。
2、本站所有内容均由合作方或网友上传,本站不对文档的完整性、权威性及其观点立场正确性做任何保证或承诺!文档内容仅供研究参考,付费前请自行鉴别。
3、如文档内容存在违规,或者侵犯商业秘密、侵犯著作权等,请点击“违规举报”。

碎片内容

公共建筑空调系统运行能效及运行监测参数初探重庆大学闵晓丹

您可能关注的文档

确认删除?
VIP
微信客服
  • 扫码咨询
会员Q群
  • 会员专属群点击这里加入QQ群
客服邮箱
回到顶部