电脑桌面
添加小米粒文库到电脑桌面
安装后可以在桌面快捷访问

地下室模板专项施工方案(修正版)VIP免费

地下室模板专项施工方案(修正版)_第1页
1/10
地下室模板专项施工方案(修正版)_第2页
2/10
地下室模板专项施工方案(修正版)_第3页
3/10
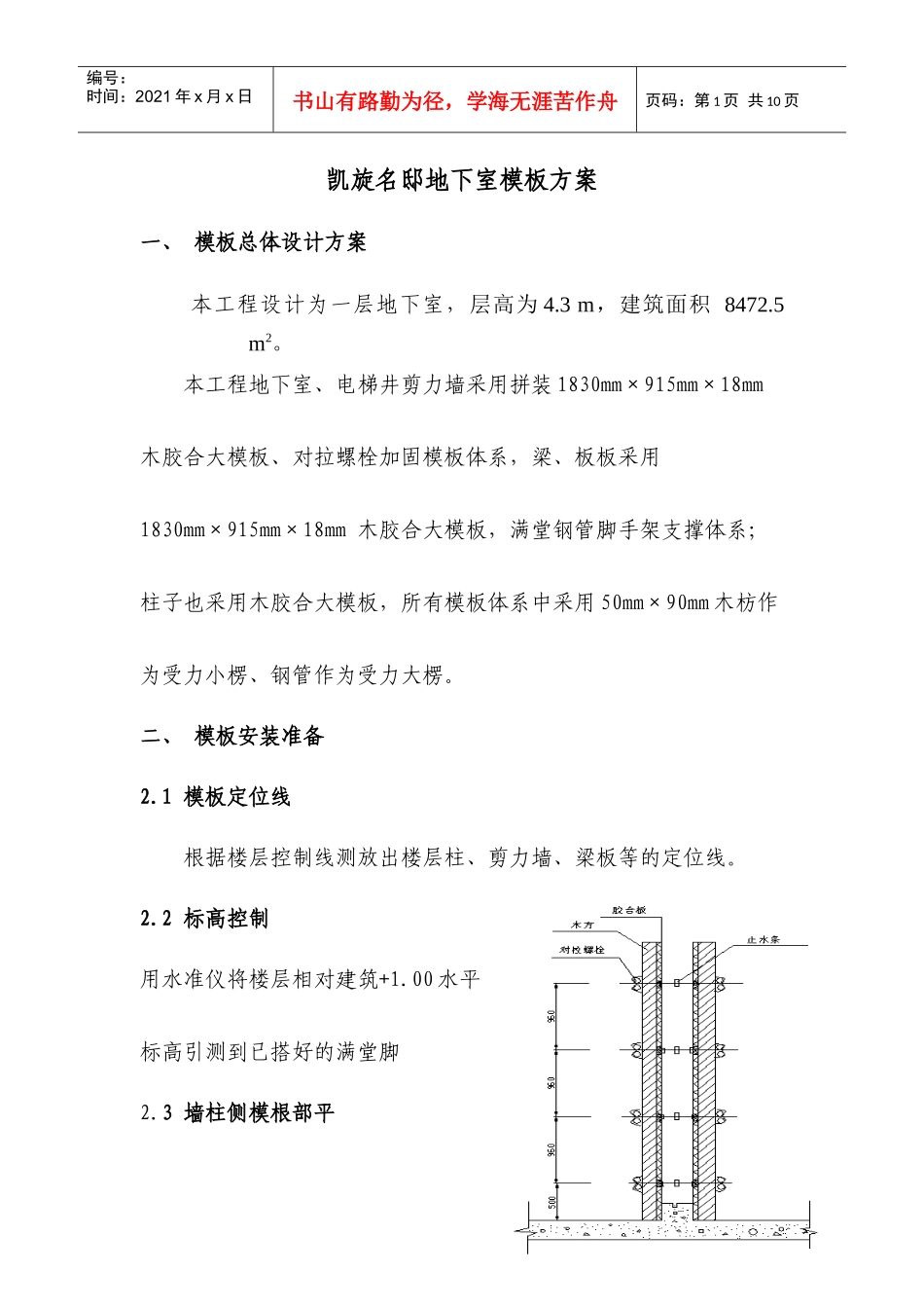
第1页共10页编号:时间:2021年x月x日书山有路勤为径,学海无涯苦作舟页码:第1页共10页凯旋名邸地下室模板方案一、模板总体设计方案本工程设计为一层地下室,层高为4.3m,建筑面积8472.5m2。本工程地下室、电梯井剪力墙采用拼装1830mm×915mm×18mm木胶合大模板、对拉螺栓加固模板体系,梁、板板采用1830mm×915mm×18mm木胶合大模板,满堂钢管脚手架支撑体系;柱子也采用木胶合大模板,所有模板体系中采用50mm×90mm木枋作为受力小楞、钢管作为受力大楞。二、模板安装准备2.1模板定位线根据楼层控制线测放出楼层柱、剪力墙、梁板等的定位线。2.2标高控制用水准仪将楼层相对建筑+1.00水平标高引测到已搭好的满堂脚2.3墙柱侧模根部平第2页共10页第1页共10页编号:时间:2021年x月x日书山有路勤为径,学海无涯苦作舟页码:第2页共10页模板支承垫底部沿模板边线用50mm宽1∶3水泥砂浆找平层预先找平,确保模板位置正确,防止模板底部漏浆。2.4涂刷脱模剂地下室剪力墙板布置示意图所有模板均应用滚棍涂刷脱模剂,涂刷前用扁铲、扫帚等将模板表面浮渣清理干净,脱模剂刷涂要迅速,涂层要薄而均匀。三、剪力墙模板安装参照公司工艺标准WJ/QBC3-204-2004《现浇剪力墙结构大模板安装与拆除施工工艺标准》。3.1地下室墙模板3.1.1模板支设剪力墙模板采用18mm木胶合大模板,板长方向平行水平放置,板与板之间设置50mm宽板带作为对拉螺栓穿孔位置,第3页共10页第2页共10页编号:时间:2021年x月x日书山有路勤为径,学海无涯苦作舟页码:第3页共10页地下室剪力墙模板支设示意图垂直方向放置50mm×90mm木方作为竖向背楞,间距150mm;设φ12对拉螺栓加固,地下室内墙对拉螺杆示意图间距为300mm×960mm,水平钢管箍间距与与对拉螺栓间距一致,第一道对拉螺栓距地越小越好,且不宜大于200mm,以防墙根部胀模。墙模内侧支撑与满堂架拉牢形成一整体,外侧支撑与基坑周围连接牢固。地下室外墙对拉螺杆示意图为控制剪力墙的钢筋保护层符合规范要求,除要求按照操作规程要求放置砂浆垫块外,在墙钢筋网片上下、左右每隔1m焊接φ10等墙厚的短钢筋头顶住模板,防止剪力墙的钢筋网片偏移导致保护层厚度不足。外墙采用防水对拉螺杆,螺杆中部满焊3mm厚止水钢片,第4页共10页第3页共10页编号:时间:2021年x月x日书山有路勤为径,学海无涯苦作舟页码:第4页共10页两端点焊钢筋头控制剪力墙截面尺寸和模板定位,螺杆两端攻丝,用普通螺帽加固。内墙对拉螺栓加工方法同上,而没有止水钢板和定位钢筋头,但地下室人防墙内不得穿设PVC管。模板拆除后,对外墙对拉螺栓孔部位进行方法处理:首先将对拉螺栓孔两端的木垫片剔除干净,然后用气焊将对拉螺栓齐根割掉;将孔内清理干净后用1:1水泥沙浆压实抹平。防水对拉螺杆示意图见上图3.1.2混凝土剪力墙模板验算计算式附后3.3柱子模板安装柱子模板采用木胶合板,加固体系采用12#槽钢抱箍体系,每隔600mm设置一道12#槽钢抱箍,用50×90mm木方作为竖向背愣。3.4梁、楼板模板安装第5页共10页第4页共10页编号:时间:2021年x月x日书山有路勤为径,学海无涯苦作舟页码:第5页共10页梁、板模板同时支设,先支设梁底与梁一侧模板,等梁钢筋绑扎完毕再支设梁另一侧模与板模。3.4.1地下室顶板(梁、板)模板3.4.1.1顶板(梁、板)模板支设满堂红脚手架:采用φ48×3.0钢管搭设,步距1.5m,底板面上50mm设置扫地杆,板底立杆间距900mm×900mm,梁立杆利用板立杆,垂直梁向间距为梁宽+8cm×2(两侧);梁底受力钢管底标高为层高-板厚(梁高)-模板厚度-受力木枋横楞高度;梁底横管采用φ48×3.0钢管,垂直于梁向,间距900mm,用十字扣件与立杆连接;脚手架通过剪刀撑连成一个整体;钢管通过扣件连接,扣件必须拧紧,防止体系失稳或整体下滑。梁模板:梁底模板受力50mm×90mm次龙骨木枋纵楞平行于梁向,梁侧模50mm×90mm木枋受力水平楞分别放置在梁底、板底处,侧模和底模下衬的木方要钉牢,尽量减少漏浆;梁高度超过750mm,应加设φ12对拉螺栓;跨度大于4m梁起拱2/1,000;外梁外侧模上口第6页共10页第5页共10页编号:时间:2021年x月x日书山有路勤为径,学海无涯苦作舟页码:...

1、当您付费下载文档后,您只拥有了使用权限,并不意味着购买了版权,文档只能用于自身使用,不得用于其他商业用途(如 [转卖]进行直接盈利或[编辑后售卖]进行间接盈利)。
2、本站所有内容均由合作方或网友上传,本站不对文档的完整性、权威性及其观点立场正确性做任何保证或承诺!文档内容仅供研究参考,付费前请自行鉴别。
3、如文档内容存在违规,或者侵犯商业秘密、侵犯著作权等,请点击“违规举报”。

碎片内容

地下室模板专项施工方案(修正版)

您可能关注的文档

教育精品店+ 关注
实名认证
内容提供者

优良的服务

确认删除?
VIP
微信客服
  • 扫码咨询
会员Q群
  • 会员专属群点击这里加入QQ群
客服邮箱
回到顶部