电脑桌面
添加小米粒文库到电脑桌面
安装后可以在桌面快捷访问

定向钻穿越工程施工方案-中石油管道局VIP免费

定向钻穿越工程施工方案-中石油管道局_第1页
1/18
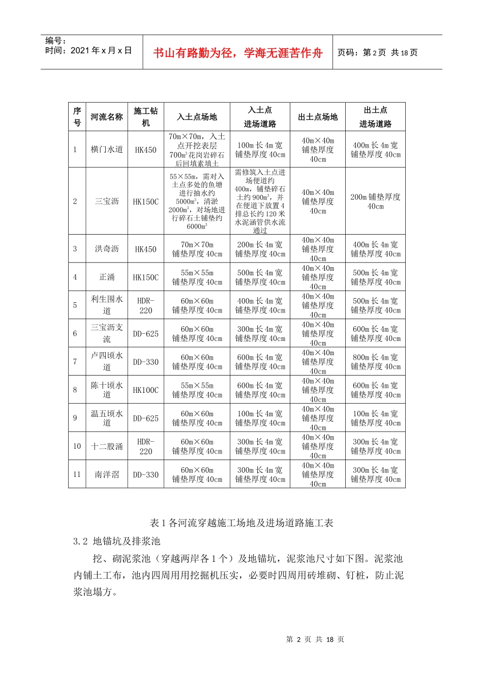
定向钻穿越工程施工方案-中石油管道局_第2页
2/18
定向钻穿越工程施工方案-中石油管道局_第3页
3/18
第1页共18页清管、测径竣工验收钻导向孔穿越管线回拖预扩孔洗孔,回拖准备接桩测量放线修筑便道、场地铺垫钻机进场组装、调试地貌恢复编号:时间:2021年x月x日书山有路勤为径,学海无涯苦作舟页码:第1页共18页定向钻穿越工程施工方案1穿越施工工艺流程定向钻穿越施工程序如下图所示:2测量放线根据设计交底(桩)与施工图纸放出钻机场地控制线及设备摆放位置线,确保钻机中心线与入土点、出土点成一条直线。3进场道路及场地的平整3.1入土点钻机作业、出土点场地及进场便道本次中山-广州天然气管道定向钻穿越中共投入6台钻机,各钻机施工场地要求各异,具体每条河流的穿越场地要求详见表6-1各河流穿越施工场地及临时进场道路施工表。第2页共18页第1页共18页编号:时间:2021年x月x日书山有路勤为径,学海无涯苦作舟页码:第2页共18页表1各河流穿越施工场地及进场道路施工表3.2地锚坑及排浆池挖、砌泥浆池(穿越两岸各1个)及地锚坑,泥浆池尺寸如下图。泥浆池内铺土工布,池内四周用用挖掘机压实,必要时四周用砖堆砌、钉桩,防止泥浆池塌方。序号河流名称施工钻机入土点场地入土点进场道路出土点场地出土点进场道路1横门水道HK45070m×70m,入土点开挖表层700m3花岗岩碎石后回填素填土100m长4m宽铺垫厚度40cm40m×40m铺垫厚度40cm400m长4m宽铺垫厚度40cm2三宝沥HK150C55×55m,需对入土点多处的鱼塘进行抽水约5000m3,清淤2000m3,对场地进行碎石土铺垫约6000m3需修筑入土点进场便道约400m,铺垫碎石土约900m3,并在便道下放置4排总长约120米水泥涵管供水流通过40m×40m铺垫厚度40cm200m铺垫厚度40cm3洪奇沥HK45070m×70m铺垫厚度40cm200m长4m宽铺垫厚度40cm40m×40m铺垫厚度40cm400m长4m宽铺垫厚度40cm4正涌HK150C55m×55m铺垫厚度40cm500m长4m宽铺垫厚度40cm40m×40m铺垫厚度40cm500m长4m宽铺垫厚度40cm5利生围水道HDR-22060m×60m铺垫厚度40cm400m长4m宽铺垫厚度40cm40m×40m铺垫厚度40cm500m长4m宽铺垫厚度40cm6三宝沥支流DD-62560m×60m铺垫厚度40cm300m长4m宽铺垫厚度40cm40m×40m铺垫厚度40cm600m长4m宽铺垫厚度40cm7卢四顷水道DD-33060m×60m铺垫厚度40cm600m长4m宽铺垫厚度40cm40m×40m铺垫厚度40cm800m长4m宽铺垫厚度40cm8陈十顷水道HK100C55m×55m铺垫厚度40cm600m长4m宽铺垫厚度40cm40m×40m铺垫厚度40cm600m长4m宽铺垫厚度40cm9温五顷水道DD-62560m×60m铺垫厚度40cm100m长4m宽铺垫厚度40cm40m×40m铺垫厚度40cm100m长4m宽铺垫厚度40cm10十二股涌HDR-22060m×60m铺垫厚度40cm300m长4m宽铺垫厚度40cm40m×40m铺垫厚度40cm300m长4m宽铺垫厚度40cm11南洋滘DD-33060m×60m铺垫厚度40cm300m长4m宽铺垫厚度40cm40m×40m铺垫厚度40cm300m长4m宽铺垫厚度40cm第3页共18页第2页共18页6m地锚坑深:1.8m4m3m20m14m泥浆池深:2.5m6m20m编号:时间:2021年x月x日书山有路勤为径,学海无涯苦作舟页码:第3页共18页地锚坑中心线在穿越管线中心线上,地锚坑尺寸为6m×4m×1.8m。挖泥浆池及地锚坑时要留出足够边坡,泥浆池及地锚坑尺寸如图所示:地锚坑完成后,将地锚放入,用混凝土加固。如下示意图:3.3入土点钻机场地和出土点平面布置示意图参见附图一和附图二钻机场地平面布置图和出土点场地平面布置图。4定向钻施工4.11条河定向钻穿越工程概况及穿越地层横门水道(改线)定向钻穿越:穿越长度1296米,管径Φ660,主要穿越地层为淤泥质土、粘土。三宝沥水道(改线)定向钻穿越:穿越长度900米,管径Φ660,主要穿越地层为淤泥、淤泥质粉质粘土。第4页共18页第3页共18页编号:时间:2021年x月x日书山有路勤为径,学海无涯苦作舟页码:第4页共18页洪奇沥水道定向钻穿越:穿越长度1272米,管径Φ762,主要穿越地层为淤泥质粘土、粉细砂、淤泥质粉质粘土。正涌水道定向钻穿越:穿越长度452米,管径Φ660,主要穿越地层为淤泥、粘土层。利生围水道定向钻穿越:穿越长度460米,管径Φ660,主要穿越地层为淤泥质土、粘土。三宝沥支流定向钻穿越:穿越长度1200米,管径Φ660,主要穿越地层为淤泥质土。卢四顷水道定向钻穿越:穿越长度760米,管径Φ660,主要穿越地层为淤泥质土。陈十顷...

1、当您付费下载文档后,您只拥有了使用权限,并不意味着购买了版权,文档只能用于自身使用,不得用于其他商业用途(如 [转卖]进行直接盈利或[编辑后售卖]进行间接盈利)。
2、本站所有内容均由合作方或网友上传,本站不对文档的完整性、权威性及其观点立场正确性做任何保证或承诺!文档内容仅供研究参考,付费前请自行鉴别。
3、如文档内容存在违规,或者侵犯商业秘密、侵犯著作权等,请点击“违规举报”。

碎片内容

定向钻穿越工程施工方案-中石油管道局

您可能关注的文档

确认删除?
VIP
微信客服
  • 扫码咨询
会员Q群
  • 会员专属群点击这里加入QQ群
客服邮箱
回到顶部