电脑桌面
添加小米粒文库到电脑桌面
安装后可以在桌面快捷访问

地下连续墙钢筋笼吊装施工专项方案VIP免费

地下连续墙钢筋笼吊装施工专项方案_第1页
1/71
地下连续墙钢筋笼吊装施工专项方案_第2页
2/71
地下连续墙钢筋笼吊装施工专项方案_第3页
3/71
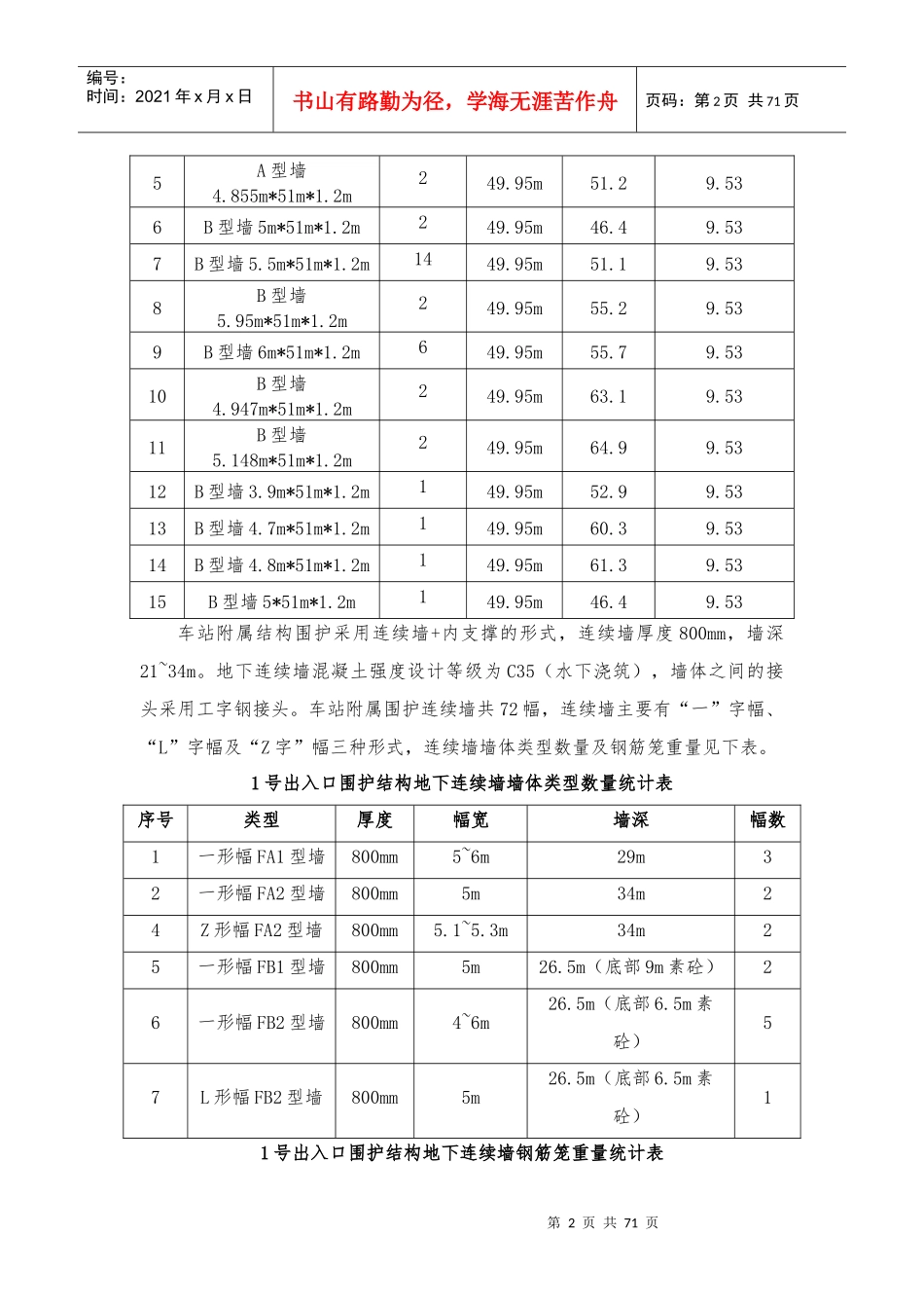
第0页共71页编号:时间:2021年x月x日书山有路勤为径,学海无涯苦作舟页码:第0页共71页一、编制依据及原则1.1编制依据1、苏州市轨道交通V-TS-06标招投标文件及施工合同;2、苏州市轨道交通5号线劳动路站施工设计图;3、苏州市轨道交通集团有限公司建设分公司管理制度汇编;4、《苏州市轨道交通5号线西段工程岩土工程勘察报告》(工程编号:A14-C041-LP);5、《建筑工程施工质量验收统一标准》(GB50300-2013);6、《建筑施工起重吊装安全技术规范》(JGJ276-2012);7、《起重机械安全规程》(GB6067.1-2010);8、《起重设备安装工程施工及验收规范》(GB50278-2010);9、《建筑机械使用安全技术规程》(JGJ33-2012);10、《建筑施工安全技术统一规范》(GB50870-2013);11、《建筑施工计算手册》;12、《起重吊装常用数据手册》2006版;13、《钢筋焊接及验收规程》(JGJ18-2012);14、国家及建筑行业有关市政工程的起重吊装施工技术、验收、安全生产管理的规范、规程;15、现场调查资料及类似工程施工经验。1.2编制原则1、在认真、全面理解设计文件的基础上,结合工程情况,合理组织施工,使施工方案具有经济性、合规性和可操作性;2、仔细研究现场施工环境,充分考虑大型构件在起吊、装运等施工过程中对周边环境的影响,确保施工安全。3、结合工程实际情况,施工方案编制更具征对性,并力求做到多方论证优化施工方案,使施工设计达到安全可靠、经济合理的特点。二、工程概况2.1工程概况第1页共71页第0页共71页编号:时间:2021年x月x日书山有路勤为径,学海无涯苦作舟页码:第1页共71页劳动路站为5号线与2号线的换乘车站,5号线劳动路站位于桐泾南路东侧、劳动路南侧,线路沿一条尚未实施的规划路东西走向布设。车站西侧接港务路站,东侧接盘胥路站。劳动路站为岛式站台车站,主体结构为地下四层双柱三跨闭合框架结构,采用明挖顺作法施工,车站外包总长度为160.5m,标准段结构内净宽度为22.7m,端头井处结构内净宽度为26.6m,有效站台中心里程处底板埋深约为28.88m。车站附属结构包含3个出入口,1个换乘通道。车站主体结构围护采用连续墙+内支撑的形式,连续墙厚度1200mm,墙深51m。地下连续墙混凝土强度设计等级为C35(水下浇筑),墙体之间的接头采用工字钢接。车站主体围护连续墙共73幅,其中A型墙41幅,B型墙32幅,连续墙主要有“一”字幅、“L”字幅、“T”字幅及“Z字”幅四种形式,连续墙墙体类型数量见下表。车站主体围护结构地下连续墙墙体类型数量统计表序号类型厚度幅宽墙深幅数1一形幅A型墙1200mm5~6.5m51m392T形幅A型墙1200mm4.855m51m23一形幅B型墙1200mm5~6m51m244Z形幅B型墙1200mm4.9~5.2m51m45T形幅B型墙1200mm3.9~4.8m51m36L形幅B型墙1200mm5m51m1车站主体围护结构地下连续墙钢筋笼重量情况见下表。车站主体围护结构地下连续墙钢筋笼重量统计表序号墙幅数量钢筋笼长钢筋笼重(t)单根工字钢重(t)1A型墙5m*51m*1.2m649.95m42.29.532A型墙5.5m*51m*1.2m249.95m46.49.533A型墙6m*51m*1.2m2349.95m50.69.534A型墙6.5m*51m*1.2m849.95m54.89.53第2页共71页第1页共71页编号:时间:2021年x月x日书山有路勤为径,学海无涯苦作舟页码:第2页共71页5A型墙4.855m*51m*1.2m249.95m51.29.536B型墙5m*51m*1.2m249.95m46.49.537B型墙5.5m*51m*1.2m1449.95m51.19.538B型墙5.95m*51m*1.2m249.95m55.29.539B型墙6m*51m*1.2m649.95m55.79.5310B型墙4.947m*51m*1.2m249.95m63.19.5311B型墙5.148m*51m*1.2m249.95m64.99.5312B型墙3.9m*51m*1.2m149.95m52.99.5313B型墙4.7m*51m*1.2m149.95m60.39.5314B型墙4.8m*51m*1.2m149.95m61.39.5315B型墙5*51m*1.2m149.95m46.49.53车站附属结构围护采用连续墙+内支撑的形式,连续墙厚度800mm,墙深21~34m。地下连续墙混凝土强度设计等级为C35(水下浇筑),墙体之间的接头采用工字钢接头。车站附属围护连续墙共72幅,连续墙主要有“一”字幅、“L”字幅及“Z字”幅三种形式,连续墙墙体类型数量及钢筋笼重量见下表。1号出入口围护结构地下连续墙墙体类型数量统计表序号类型厚度幅宽墙深幅数1一形幅FA1型墙800mm5~6m29m32一形幅FA2...

1、当您付费下载文档后,您只拥有了使用权限,并不意味着购买了版权,文档只能用于自身使用,不得用于其他商业用途(如 [转卖]进行直接盈利或[编辑后售卖]进行间接盈利)。
2、本站所有内容均由合作方或网友上传,本站不对文档的完整性、权威性及其观点立场正确性做任何保证或承诺!文档内容仅供研究参考,付费前请自行鉴别。
3、如文档内容存在违规,或者侵犯商业秘密、侵犯著作权等,请点击“违规举报”。

碎片内容

地下连续墙钢筋笼吊装施工专项方案

您可能关注的文档

确认删除?
VIP
微信客服
  • 扫码咨询
会员Q群
  • 会员专属群点击这里加入QQ群
客服邮箱
回到顶部