电脑桌面
添加小米粒文库到电脑桌面
安装后可以在桌面快捷访问

3首件钻孔桩施工专项方案VIP专享VIP免费

3首件钻孔桩施工专项方案_第1页
1/31
3首件钻孔桩施工专项方案_第2页
2/31
3首件钻孔桩施工专项方案_第3页
3/31
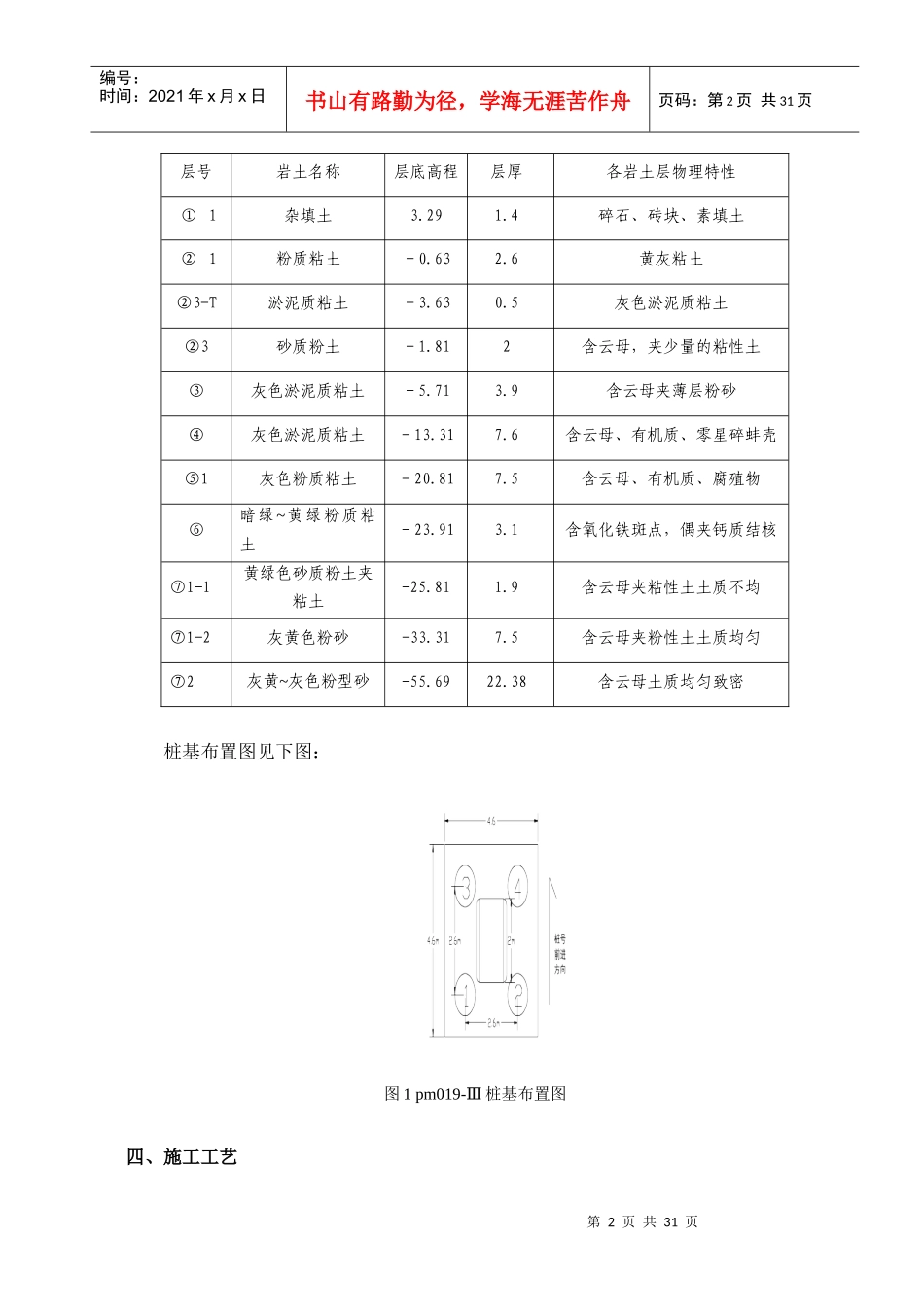
目录一、编制依据...........................................................................................................................1二、编制说明...........................................................................................................................1三、工程概况...........................................................................................................................1四、施工工艺...........................................................................................................................31、钻孔灌注桩施工流程.........................................................................................................32、钻机及配套设备选择.........................................................................................................43、前期准备工作.....................................................................................................................54、测量施工.............................................................................................................................75、护筒施工.............................................................................................................................86、钻机就位.............................................................................................................................87、泥浆制备、循环体系.........................................................................................................98、钻孔...................................................................................................................................109、第一次清孔.......................................................................................................................1210、成孔检测.........................................................................................................................1211、钢筋笼制作及安装.........................................................................................................1312、导管安装及第二次清孔.................................................................................................1713、混凝土灌注.....................................................................................................................1814、桩基检测、桩头处理.....................................................................................................2015、常见问题的处理和预防.................................................................................................20五、项目部组织机构及质量、安全保证体系.....................................................................22六、工程质量的技术保证措施和施工过程的质量管理计划.............................................231、质量保证技术措施...........................................................................................................23七、安全生产保证措施计划...............................................................................................24八、雨、夜、冬施工措施.....................................................................................................261、雨天施工措施.................................................................................................................262、夜间施工措施...............................................................................................

1、当您付费下载文档后,您只拥有了使用权限,并不意味着购买了版权,文档只能用于自身使用,不得用于其他商业用途(如 [转卖]进行直接盈利或[编辑后售卖]进行间接盈利)。
2、本站所有内容均由合作方或网友上传,本站不对文档的完整性、权威性及其观点立场正确性做任何保证或承诺!文档内容仅供研究参考,付费前请自行鉴别。
3、如文档内容存在违规,或者侵犯商业秘密、侵犯著作权等,请点击“违规举报”。

碎片内容

3首件钻孔桩施工专项方案

教育精品店+ 关注
实名认证
内容提供者

优良的服务

确认删除?
VIP
微信客服
  • 扫码咨询
会员Q群
  • 会员专属群点击这里加入QQ群
客服邮箱
回到顶部