电脑桌面
添加小米粒文库到电脑桌面
安装后可以在桌面快捷访问

悬挑式外脚手架施工方案(专家论证)VIP免费

悬挑式外脚手架施工方案(专家论证)_第1页
1/47
悬挑式外脚手架施工方案(专家论证)_第2页
2/47
悬挑式外脚手架施工方案(专家论证)_第3页
3/47
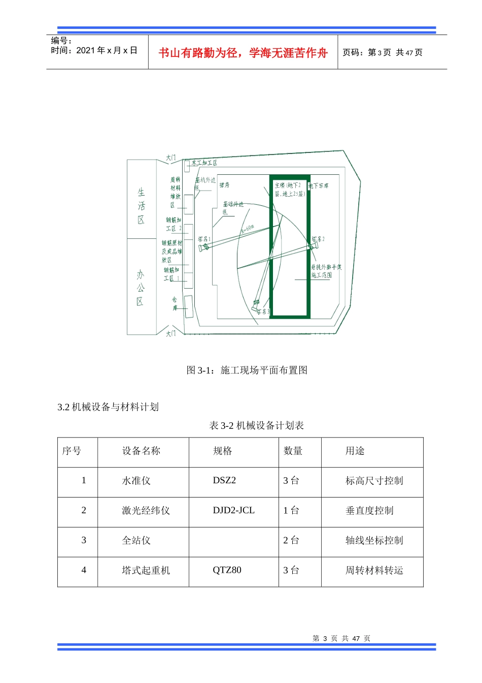
第1页共47页编号:时间:2021年x月x日书山有路勤为径,学海无涯苦作舟页码:第1页共47页第一章工程概况郑州市轨道交通调度中心施工01标段工程,位于郑州市郑东新区康宁路与和谐路交叉口东北角,西临和谐路,南邻康宁路,东临站南路,北临二期用地。本工程由主楼和裙楼组成,主楼为框剪结构,地上二十五层,地下两层;裙楼为框架结构,地上二十五层,地下两层。钻孔灌注桩基础。本工程基础平面大致呈矩形,南北长117m,东西宽105m。总建筑面积65552.81m2,其中地下建筑面积17860.31m2;地上建筑面积47692.5m2。地下室二层层高4.5m、地下室一层层高5.5m、地上一层层高5.0m,2~7层层高为4.5m、8~24层层高为4.1m、25层层高为5.5m。本工程外架采用普通型钢悬挑脚手架,六层结构平面如图1-1所示:图1-1:六层结构平面图本工程由郑州市轨道交通有限公司建设;河南省建筑设计研究院有限公司设计,英泰克工程顾问(上海)有限公司监理,河南省第一建筑工程集团有限责任公司施工。第二章编制说明依照河南省建筑设计研究院有限公司设计的《郑州市轨道交通调度中心施工01标段工程》设计图纸的设计要求、施工现场实际环境,对本工程进行有针对性的编制外脚手架施工专项施工方案。第2页共47页第1页共47页编号:时间:2021年x月x日书山有路勤为径,学海无涯苦作舟页码:第2页共47页2.1编制依据1.业主提供的建筑、结构设计图纸、图纸会审、设计变更等2.《建筑施工计算手册》江正荣著中国建筑工业出版社;3.《建筑施工手册》第四版中国建筑工业出版社;4.《建筑结构荷载规范》(GB50009-2012)5.《建筑施工脚手架实用手册(含垂直运输设施)》中国建筑工业出版社;6.《建筑施工扣件式钢管脚手架安全技术规范》JGJ130—2011J84—2011;7.《建筑地基基础设计规范》(GB50007-2002)中国建筑工业出版社;8.《建筑施工安全检查标准》(JGJ59-2011)中国建筑工业出版社9.《混凝土结构设计规范》(GB50010-2010中国建筑工业出版社;10.《钢结构设计规范》(GB50017-2003)中国建筑工业出版社;11.《建筑施工高处作业安全技术规范》JGJ80-9112.《危险性较大的分部分项工程安全管理办法》建质【2009】87号13.其他相关规范、规程2.2编制原则根据该工程的设计文件、工程地质报告,结合现场踏勘情况,并参考相关资料,针对工程特点、难点,结合我单位的施工特长、经验、技术、设备能力,本着“确保安全,质量为本,高效环保”的原则,编制方案。1.施工方案满足工程施工安全、质量、工期、环保、文明施工的要求;2.施工方案综合考虑周边环境、现场场地、地质条件、气候条件以及不同工序的相互协调配合等因素,合理组织人员、设备,保证工程如期完成;3.采用新技术、新工艺,提高工程质量及工作效率,降低工程成本第三章施工部署3.1场区平面布置本工程设置三台施工专用塔吊,钢管、方木、模板、扣件等周转材料、钢筋加工区、木工区、施工作业区均在此覆盖范围,可根据施工进度直接垂直运输周转使用。施工现场平面布置图见图3-1:第3页共47页第2页共47页编号:时间:2021年x月x日书山有路勤为径,学海无涯苦作舟页码:第3页共47页图3-1:施工现场平面布置图3.2机械设备与材料计划表3-2机械设备计划表序号设备名称规格数量用途1水准仪DSZ23台标高尺寸控制2激光经纬仪DJD2-JCL1台垂直度控制3全站仪2台轴线坐标控制4塔式起重机QTZ803台周转材料转运第4页共47页第3页共47页编号:时间:2021年x月x日书山有路勤为径,学海无涯苦作舟页码:第4页共47页表3-3脚手架用周转材料计划表序号名称规格型号单位数量1扣件式脚手架钢管¢48×2.7t602直角扣件个80003旋转扣件个50004对接扣件个50005密目安全网2000目M2150006铅丝20#Kg80表3-4劳动力配置计划表序号工种人数负责项目或工作内容备注1架子工19现场架子搭设名单附后2管理人员5全面组织施工3专职安全员3组织施工现场安全生产管理登高架设作业人员名册序号姓名性别年龄工种证件编号有效期限备注1宋尚瑞男31登高架设作业T4105261981022823302010.05.10-2016.05.102田振芳男27登高架设作业T4107811985010397982010.05.10-2016.05.103王明亮男48登高架设作业T410223196412230352010.05....

1、当您付费下载文档后,您只拥有了使用权限,并不意味着购买了版权,文档只能用于自身使用,不得用于其他商业用途(如 [转卖]进行直接盈利或[编辑后售卖]进行间接盈利)。
2、本站所有内容均由合作方或网友上传,本站不对文档的完整性、权威性及其观点立场正确性做任何保证或承诺!文档内容仅供研究参考,付费前请自行鉴别。
3、如文档内容存在违规,或者侵犯商业秘密、侵犯著作权等,请点击“违规举报”。

碎片内容

悬挑式外脚手架施工方案(专家论证)

您可能关注的文档

确认删除?
VIP
微信客服
  • 扫码咨询
会员Q群
  • 会员专属群点击这里加入QQ群
客服邮箱
回到顶部