电脑桌面
添加小米粒文库到电脑桌面
安装后可以在桌面快捷访问

6#8#10#12#13#楼地下防水施工方案VIP专享VIP免费

6#8#10#12#13#楼地下防水施工方案_第1页
1/9
6#8#10#12#13#楼地下防水施工方案_第2页
2/9
6#8#10#12#13#楼地下防水施工方案_第3页
3/9
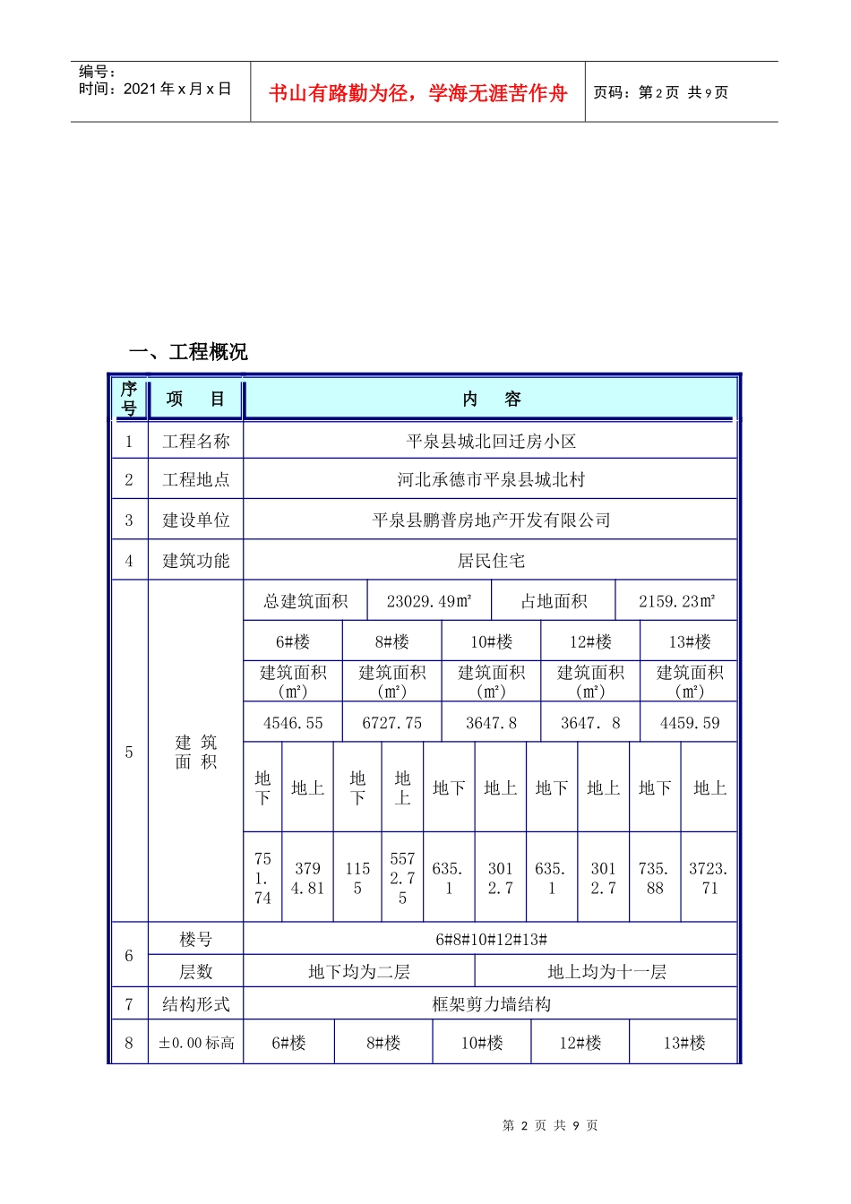
平泉县城北回迁房小区6#、8#、10#、12#、13#楼地下防水工程施工方案编制人:审核人:审批人:施工单位:北京市日盛达建筑企业集团第二项目第1页共9页编号:时间:2021年x月x日书山有路勤为径,学海无涯苦作舟页码:第1页共9页部日期:2011年3月16日目录一、工程概况-----------------------------------------------------------2二、编制依据--------------------------------------------------------3三、施工准备--------------------------------------------------------3四、施工程序及施工要点--------------------------------------------3五、质量保证措施-----------------------------------------------------5六、安全管理措施-----------------------------------------------------7第2页共9页第1页共9页编号:时间:2021年x月x日书山有路勤为径,学海无涯苦作舟页码:第2页共9页一、工程概况序号项目内容1工程名称平泉县城北回迁房小区2工程地点河北承德市平泉县城北村3建设单位平泉县鹏普房地产开发有限公司4建筑功能居民住宅5建筑面积总建筑面积23029.49㎡占地面积2159.23㎡6#楼8#楼10#楼12#楼13#楼建筑面积(㎡)建筑面积(㎡)建筑面积(㎡)建筑面积(㎡)建筑面积(㎡)4546.556727.753647.83647.84459.59地下地上地下地上地下地上地下地上地下地上751.743794.8111555572.75635.13012.7635.13012.7735.883723.716楼号6#8#10#12#13#层数地下均为二层地上均为十一层7结构形式框架剪力墙结构8±0.00标高6#楼8#楼10#楼12#楼13#楼第3页共9页第2页共9页编号:时间:2021年x月x日书山有路勤为径,学海无涯苦作舟页码:第3页共9页506.00m506.60m508.30m508.30m510.30m9建筑高度34.5m34.5m34.2m34.2m34.5m二、编制依据1、相关文件、设计图纸2、屋面工程质量验收规范》(GB50207-2002)、《建筑防水工程手册》、《中华人民共和国国家标准》建筑防水涂料3、承德市改性沥青卷材防水工程推荐做法三、施工准备1、技术准备本工程我公司将投入一支整套施工队伍,成立管理部,以技术员为队长,在工程项目部的指导下,做好技术交底,以工程质量达到优良为中心思想,争创优质安全文明工程。2、主要材料的准备材料选用:SBS改性沥青防水卷材3+3㎜、油毡、配套材料基层处理剂改性沥青涂料以及辅助材料汽油等3、主要机具的选择小平铲、扫帚、铁抹、喷灯、滚动刷、铁桶、剪刀、干粉灭火器、卷尺等第4页共9页第3页共9页编号:时间:2021年x月x日书山有路勤为径,学海无涯苦作舟页码:第4页共9页四、施工程序及施工要点1、卷材施工工艺基层处理----涂刷基层处理剂----细部处理-----铺贴卷材两道----点粘油毡一层----质量验收2、施工要点1)、基层处理:对垫层清扫干净,表面无浮土、砂粒等污物,残余的突出物应以铲刀铲平。基层与排水口等相连的转角处与阴阳角抹成光滑的圆弧形,其半径一般为50㎜,以及加强层不得小于300mm。2)、涂刷基层处理剂目的:清理基层灰尘,隔绝基层潮气,增强卷材和基层的粘结能力。基层处理完后,基层含水率达到要求后,用长把排刷把稀释过的氯丁胶或沥青油均匀涂刷在干净和干燥的基层表面上,复杂部位用油漆刷刷涂,要求不漏白,干燥4小时以上至不粘脚后方可进行下道工序。3)、卷材施工基层处理剂涂布完成后,先在复杂部位铺贴一层附加层,宽度为300-500mm。卷材的配置应将卷材顺长方向进行配置,使卷材长向与流水方向垂直,卷材搭接要顺流水方向,不应成逆向。先铺设高跨度屋面,后铺下层屋面,先铺设排水比较集中的部第5页共9页第4页共9页编号:时间:2021年x月x日书山有路勤为径,学海无涯苦作舟页码:第5页共9页位(如排水等)按标高由低向高的顺序铺设。在基层上弹出基准线,把卷材试铺定位,用喷灯与卷材和基层的夹角处均匀加热,待卷材表面融化后把成卷的改性卷材向前滚铺使其粘结在基层表面上。卷材的搭接宽度为长度不小于100㎜,短边不小于150㎜,搭接缝边缘以溢出热熔的改性沥青为宜。然后用喷灯均匀热熔搭接缝用小抹子把边抹好。铺贴平面和立面相连的卷材防水层时应先铺贴平面,然后由下向上铺贴,并使卷材紧贴阴角,不能空鼓。在铺设第二层卷材时,...

1、当您付费下载文档后,您只拥有了使用权限,并不意味着购买了版权,文档只能用于自身使用,不得用于其他商业用途(如 [转卖]进行直接盈利或[编辑后售卖]进行间接盈利)。
2、本站所有内容均由合作方或网友上传,本站不对文档的完整性、权威性及其观点立场正确性做任何保证或承诺!文档内容仅供研究参考,付费前请自行鉴别。
3、如文档内容存在违规,或者侵犯商业秘密、侵犯著作权等,请点击“违规举报”。

碎片内容

6#8#10#12#13#楼地下防水施工方案

确认删除?
VIP
微信客服
  • 扫码咨询
会员Q群
  • 会员专属群点击这里加入QQ群
客服邮箱
回到顶部