电脑桌面
添加小米粒文库到电脑桌面
安装后可以在桌面快捷访问

临时施工用水、电施工方案VIP专享VIP免费

临时施工用水、电施工方案_第1页
1/18
临时施工用水、电施工方案_第2页
2/18
临时施工用水、电施工方案_第3页
3/18
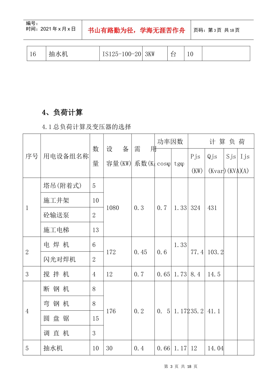
第1页共18页编号:时间:2021年x月x日书山有路勤为径,学海无涯苦作舟页码:第1页共18页临时施工用电、水施工组织设计第一章临时用电施工方案1、工程概况工程名称:佛山市恒福新城小区建设地点:佛山市朝安路与同济东路交叉口边建设单位:佛山市广东恒基实业投资发展有限公司设计单位:佛山市南方建筑设计院有限公司监理单位:佛山市禅建监理有限公司由佛山市广东恒基实业投资发展有限公司开发建设,为13栋17-22层住宅和一地下室(地下一层/半地下一层),建筑性质为商住楼,1-3层为商铺,总建筑面积约为17万平方米,本期开工建筑面积约10万平方米,建筑耐久年限50年,结构类型为框剪,建筑类别一类,抗震设防烈度7度,建筑耐火等级一级。2、现场勘探情况2.1根据现场供电情况:电源进线设在施工现场北边,业主将按所需用电量设置相应的变压器,供应整个施工现场和临时生活区用电。2.2根据现场地理条件:整个供电系统采用三相五线制供电,以保证施工现场临时用电的安全性、可靠性。2.3现场布置第2页共18页第1页共18页编号:时间:2021年x月x日书山有路勤为径,学海无涯苦作舟页码:第2页共18页在现场安装五台塔吊,分别在D5-6栋之间(1#塔吊),B5-7栋之间(2#塔吊),C1-3栋之间(3#塔吊),D7-8栋之间(4#塔吊),F2,E3,E4栋之间(5#塔吊)各设置一台塔吊,三斗车物料提升机十台;钢筋加工场及材料堆放位于施工现场南部,分五个回路供电。3、施工临时用电设备清单序号机具名称规格用电量单位数量备注1塔吊QTZ63(5010)38KW台5垂直运输机械2施工井架SS10012.5KW台10垂直运输机械3砼输送泵75KW台2砼施工机械4施工电梯SCD200/200J30KW台13垂直运输机械5闪光对焊机UNI-100100KVA台2钢筋加工机械6钢筋切断机GW407.5KW台8钢筋加工机械7钢筋弯曲机Y100L-43KW台8钢筋加工机械8钢筋调直机JJK-1.54KW台8钢筋加工机械9电焊机BX6-50012KW台6钢筋加工机械10插入式振动器HZ6-501.1KW台20砼施工机械11木工圆盘锯MJ2254KW台15木工机械12砂浆搅拌机UJZ300A4KW台10装修施工机械13单级离心泵IS50-32-1603KW台4土方机械14平板振动器PZ6-501.1KW台1015搅拌机JNY100010KW台4第3页共18页第2页共18页编号:时间:2021年x月x日书山有路勤为径,学海无涯苦作舟页码:第3页共18页16抽水机IS125-100-203KW台104、负荷计算4.1总负荷计算及变压器的选择序号用电设备组名称数量设备容量(KW)需用系数(KX功率因数计算负荷costgPjs(KW)Qjs(Kvar)Sjs(KVA)Ijs(A)1塔吊(附着式)510800.30.71.33324431施工井架10砼输送泵2施工电梯132电焊机61720.450.61.3377.4103.2闪光对焊机23搅拌机4120.70.651.738.414.54断钢机81760.20.51.17235.241.1弯钢机8圆盘锯15调直机35抽水机10300.40.661.171214.04第4页共18页第3页共18页编号:时间:2021年x月x日书山有路勤为径,学海无涯苦作舟页码:第4页共18页6插入式振动器20330.30.741.179.911.67平板振动器47照明若干300.811.332431.928小计4916479合计(取同时系数K=0.95)4666157721173注:Sjs=(Pjs2+Qjs2)1/2;Ijs=Sjs/(31/2*Un)4.2根据计算:根据上表计算得出Sjs=772(KVA)、Ijs=1173(A)1)需设置一台400(A),一台630(A),一台250(A)容量的漏电开关(DZ20LE-400,DZ20LE-630,DZ20LE-250)方够施工现场的设备使用。Ib=1280(A)Ijz=Sjs×103/(√3×380)=1173(A)<Ib=1280(A)由建设方配电房分两路(3*240+2*120,3*185+2*95架空)到施工现场,满足要求。4.3各分箱配电线路导线截面的选择:1)L0回路:配电房至一级分箱为双路BVV-3×240+2×120,3*185+2*95的绝缘铜芯线,架空;L1回路:配电房至工人生活区一级分箱BVV4*25+1*16的绝缘铜芯线,架空;L2回路:架空线西大门前至F2栋一级分箱为BVV-3*95+2*50绝缘铜芯线,架空。第5页共18页第4页共18页编号:时间:2021年x月x日书山有路勤为径,学海无涯苦作舟页码:第5页共18页2)B1L1,B1L2回路:一级分箱至1#塔吊,2#塔吊,1#钢筋加工场(含对焊机),1#砼输送泵,D5-6,B5-7栋物料提升机,1#木工加工场以及各楼层共用导线截面的选择:Ijz=Sjs×103/(√3×380)I—该导线所承担电容量的电流(A)ρ--该导线上用电设备总容量K—...

1、当您付费下载文档后,您只拥有了使用权限,并不意味着购买了版权,文档只能用于自身使用,不得用于其他商业用途(如 [转卖]进行直接盈利或[编辑后售卖]进行间接盈利)。
2、本站所有内容均由合作方或网友上传,本站不对文档的完整性、权威性及其观点立场正确性做任何保证或承诺!文档内容仅供研究参考,付费前请自行鉴别。
3、如文档内容存在违规,或者侵犯商业秘密、侵犯著作权等,请点击“违规举报”。

碎片内容

临时施工用水、电施工方案

确认删除?
VIP
微信客服
  • 扫码咨询
会员Q群
  • 会员专属群点击这里加入QQ群
客服邮箱
回到顶部