电脑桌面
添加小米粒文库到电脑桌面
安装后可以在桌面快捷访问

西三旗两限房冬季施工方案VIP免费

西三旗两限房冬季施工方案_第1页
1/25
西三旗两限房冬季施工方案_第2页
2/25
西三旗两限房冬季施工方案_第3页
3/25
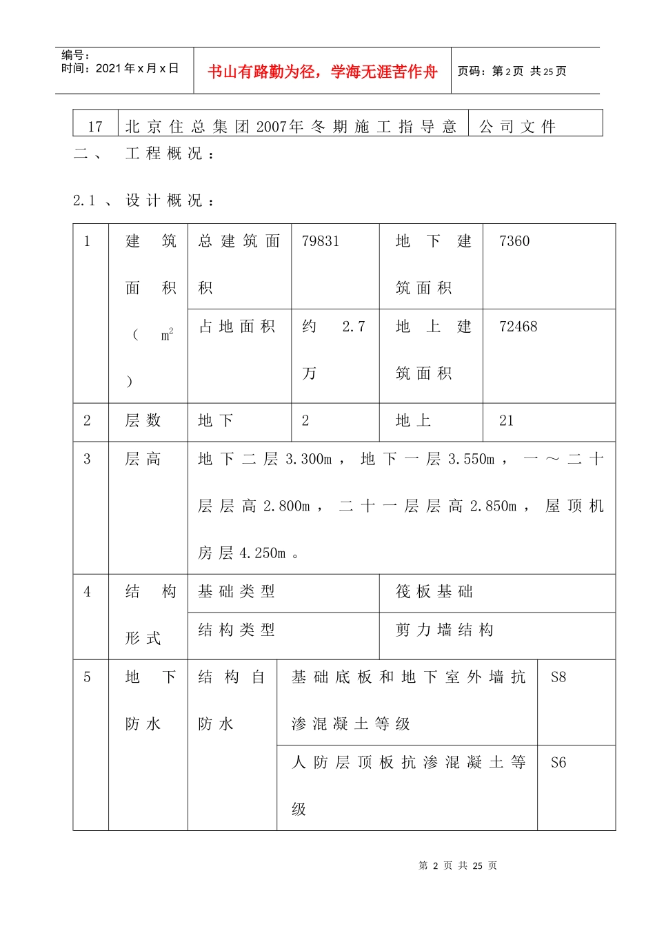
一、编制依据:1.1.施工图纸:工程名称图纸名称备注西三旗(原北京轮胎厂)住宅及配套项目西三旗住宅区D26-2号楼工程建筑西三旗住宅区D26-2号楼工程结构西三旗住宅区D26-3号楼工程建筑西三旗住宅区D26-3号楼工程结构西三旗住宅区D26-5号楼工程建筑西三旗住宅区D26-5号楼工程结构1.2.规范、规程及相关文件:序名称编号1《建筑工程冬期施工规程》JGJ104-972《高层建筑混凝土结构技术规程》JGJ3-20023《混凝土结构工程施工质量规范》GB50204-20024《冬期混凝土综合蓄热法施工成熟度DBJ/T01-36-975《混凝土泵送施工技术规程》JGJ/T10-956《地下防水工程质量验收规范》GB50208-20027《地下工程防水技术规范》GB50108-20018《冬期混凝土综合蓄热法施工成熟度DBJ01—36—979《建筑安装工程资料管理规程》DBJ01-51-10《混凝土外加剂技术规程》DBJ/T01—61—2011《建筑施工安全检查标准》(JGJ59-99)12《建筑施工扣件式钢管脚手架安全技(JGJ130-13《中华人民共和国消防法》14《中华人民共和国安全生产法》15《建设工程施工现场安全资料管理规程》DB11/383-200616《建筑机械使用安全技术规程》JGJ33-2001第2页共25页编号:时间:2021年x月x日书山有路勤为径,学海无涯苦作舟页码:第2页共25页17北京住总集团2007年冬期施工指导意公司文件二、工程概况:2.1、设计概况:1建筑面积(m2)总建筑面积79831地下建筑面积7360占地面积约2.7万地上建筑面积724682层数地下2地上213层高地下二层3.300m,地下一层3.550m,一~二十层层高2.800m,二十一层层高2.850m,屋顶机房层4.250m。4结构形式基础类型筏板基础结构类型剪力墙结构5地下防水结构自防水基础底板和地下室外墙抗渗混凝土等级S8人防层顶板抗渗混凝土等级S6第3页共25页第2页共25页编号:时间:2021年x月x日书山有路勤为径,学海无涯苦作舟页码:第3页共25页材料防水基础底板及外墙防水等级为1级,材料为4mm厚“粘必定”BAC自粘型防水卷材。屋面防水等级为2级,使用年限15年,材料为4mm厚“粘必定”BAC自粘型防水卷材。构造防水止水条、止水钢板、止水带6结构段面尺寸(mm)基础底板厚度(mm)850外墙厚度(mm)300内墙厚度(mm)250、200、3007钢筋HPB235≥14采用滚压直第4页共25页第3页共25页编号:时间:2021年x月x日书山有路勤为径,学海无涯苦作舟页码:第4页共25页类型螺纹机械连接HRB4008混凝土构件部位强度等级墙柱连梁梁、板楼梯基础底板-2层(人防)C30-1~1C45C45C45C45C452~12C40C40C40C40C40其余层C30C30C30C30C30基础底板和地下室外墙S8抗渗混凝土,人防层顶板S6抗渗混凝土。2.2、冬施日期:冬施的正式开始时间为连续5天的日平均气温低于+5C时为冬期施工的开始(如在11月15日之后连续5天的日平均气温仍高于+5C时,于11月15日进入冬施),连续5天的日平均气温高于+5C时即冬期施工的结束,进入第二年的常温施工。在冬期施工开始前后,进入第5页共25页第4页共25页编号:时间:2021年x月x日书山有路勤为径,学海无涯苦作舟页码:第5页共25页冬期施工一段时间前后,应密切注意天气预报,以防气温突然骤降,使混凝土遭受寒冷和霜冻的袭击。2.3、现场情况:现场冬期施期间正处于基础、零米以下结构施工及回填土施工阶段,需要保温项目较多,而且对保温效果要求较高。2.4、工程难点:2.4.1、管理方面难点:(1)、本工程在冬施阶段正处于零米以下基础结构抢工阶段,这给冬施中所采取的保温措施提出了更高的要求,也给施工管理和各方面组织协调工作提出了更高的要求。(2)、本工程在冬施阶段正处于零米以下基础结构抢工阶段,板方材正处于大量使用当中且结构采取综合蓄热法,这给施工管理提出了更高的要求(预防煤气中毒,火灾的发生),必须将危险隐患排除在萌芽当中。(3)、冬施期间将进行肥槽回填土施工,而且回填第6页共25页第5页共25页编号:时间:2021年x月x日书山有路勤为径,学海无涯苦作舟页码:第6页共25页土方量大,基槽较深,给土方回填的各方面协调,质量控制、施工管理工作提出了更高要求。2.4.2、技术方面难点:(1)、如何选取有效、节能、环保的保温措施来加快施工进度。(2)、如何及时、有效的收集保温数据。...

1、当您付费下载文档后,您只拥有了使用权限,并不意味着购买了版权,文档只能用于自身使用,不得用于其他商业用途(如 [转卖]进行直接盈利或[编辑后售卖]进行间接盈利)。
2、本站所有内容均由合作方或网友上传,本站不对文档的完整性、权威性及其观点立场正确性做任何保证或承诺!文档内容仅供研究参考,付费前请自行鉴别。
3、如文档内容存在违规,或者侵犯商业秘密、侵犯著作权等,请点击“违规举报”。

碎片内容

西三旗两限房冬季施工方案

您可能关注的文档

确认删除?
VIP
微信客服
  • 扫码咨询
会员Q群
  • 会员专属群点击这里加入QQ群
客服邮箱
回到顶部