电脑桌面
添加小米粒文库到电脑桌面
安装后可以在桌面快捷访问

清洗道砟施工方案VIP免费

清洗道砟施工方案_第1页
1/13
清洗道砟施工方案_第2页
2/13
清洗道砟施工方案_第3页
3/13
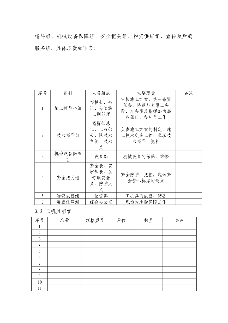
太中银线交城-文水区间上行线道砟清洗施工方案一、施工程序1、洒水车在封锁点内在K****+***处上行线进行装水施工,需要封锁上行线70分钟。2、洒水车装好水后,通过清徐站运行到交城站,到交城站后将洒水列车调车道上行线,经上行线出站,以时速5km/h运行到文水站,边运行边洒水清洗道床,洒水清洗道床时上下行线要同时进行封锁,封锁时间120分钟。二、施工准备1设备洞室门实地测量,收集现场平断面数据,绘制平纵断面图,标出隧道设备洞室门位置及施工里程。2准备联系设备洞室门施工所需的材料、工机具等,待条件成熟,随时进场。3与相关配合单位(工务、车务等)签订施工安全配合协议,施工前邀请配合单位到现场进行施工安全技术交底。(区间施工方案也报批,施工安全配合协议已签订)三、施工组织1、人员组织根据施工现场实际,指挥部成立现场设备洞室门施工领导小组,现场施工领导小组在指挥部领导小组的统一指挥下进行施工。现场组长由指挥部指挥长担任,副组长由指挥部分管施工副经理、安全长、总工担任,组员指挥部各部室主管、施工队长组成,下设技术指导组,机械设备保障组、安全把关组、物资供应组、宣传及后勤服务组。具体职责如下表:序号组别人员组成主要职责备注1施工领导小组指挥长、书记、分管施工副经理审核施工方案,统一布置任务,协调与太原工务段、车务段及指挥部内部各部门、各环节工作2技术指导组指挥部总工、工程部长、队技术主管、技术员负责施工方案的制定、施工技术交底工作、现场技术指导、把控3机械设备保障组设备部机械设备的保养、维修4安全把关组安全长、安质部长、队专职安全员、防护人员安全防护、把控,现场安全警示标志的设立5物资供应组物资部工机具的供应、储备6后勤保障组综合办公室现场的后勤保障工作3.2工机具组织序号名称规格型号单位数量备注12345678910111121314151617181920213.3施工材料序号名称规格型号单位数量备注1水泥2砂子3碎石4钢筋5水6789101112131415161718192021224设备洞室门施工方法4.1施工方法4.1.1首先将施工设备、机具和材料用工程列车运输到隧道内,按2每个设备洞室门所需要的材料数量进行逐一卸料,材料要卸到隧道避车洞内,堆码整齐,轻质材料(如模板等)要放到避车洞内部,用水泥或砂子等材料压上,以防列车通过时风力将材料带起,落到线路上造成行车安全隐患。4.2.1具体操作第一步:封锁点内将设备洞室门所需材料及工机具全部运输到隧道内,放入避车洞内,堆码整齐,不准有侵限材料和工机具。第二步:慢行点内开始施工隧道内设备洞室门,隧道进出口两端设安全防护员,区间两端车站设驻站联络员。第三步:驻站联络员勤与车站联系,列车进站前2小时前通知安全防护员,安全防护员及时通知到隧道内施工人员,施工人员将施工用的材料、机具及时移到隧道避车洞内,不准有侵限材料和机具,现场安全负责人负责对现场进行检查,确认安全后,施工人员全部进入避车洞。第四步:列车通过后,得到安全防护员确认后,方可进行施工。5设备洞室门施工安全控制5.1封锁施工时,严格按规定设置驻站联络员、施工现场防护员及施工地点两端防护员。5.2设备洞室门施工地点设置慢行防护棚,24小时慢行防护。6设备洞室门施工防护6.1太中银线吕梁山隧道(K1069+368-K1090+408)慢行防护注意事项36.1.1防护备品臂章、防护服、对讲机、扩音喇叭、号角、红黄信号旗、信号灯、短路铜线1根、响墩6个、火炬2支、防护员工作记录薄及笔。6.1.2驻站联络员、防护员严禁脱岗,严禁从事与工作无关的事情,驻站联络员与防护员每3分钟联系一次,提前通知来车信息,准确传递信息。驻站联络员的派遣单、运统46和防护员的工作记录薄的记录要认真及时填写,做到规范详细、及时、准确,字迹清楚。施工防护信号的设置与撤除,由施工负责人决定。防护人员岗位职责:(1)驻站联络员a驻站联络员上岗时,必须了解当日施工作业地点、作业内容、人员和机具设备分布情况,并及时与现场防护员联系。b封锁前60分钟到家沟站和吴城站行车室,提前禇40分钟在行车设备施工登记薄(运统-46)登记。c五勤:勤看控制台显示屏显示,勤与值班员联系,看不清、听不清要勤问,勤向...

1、当您付费下载文档后,您只拥有了使用权限,并不意味着购买了版权,文档只能用于自身使用,不得用于其他商业用途(如 [转卖]进行直接盈利或[编辑后售卖]进行间接盈利)。
2、本站所有内容均由合作方或网友上传,本站不对文档的完整性、权威性及其观点立场正确性做任何保证或承诺!文档内容仅供研究参考,付费前请自行鉴别。
3、如文档内容存在违规,或者侵犯商业秘密、侵犯著作权等,请点击“违规举报”。

碎片内容

清洗道砟施工方案

您可能关注的文档

确认删除?
VIP
微信客服
  • 扫码咨询
会员Q群
  • 会员专属群点击这里加入QQ群
客服邮箱
回到顶部