电脑桌面
添加小米粒文库到电脑桌面
安装后可以在桌面快捷访问

灰库上部结构施工方案--建六VIP免费

灰库上部结构施工方案--建六_第1页
1/84
灰库上部结构施工方案--建六_第2页
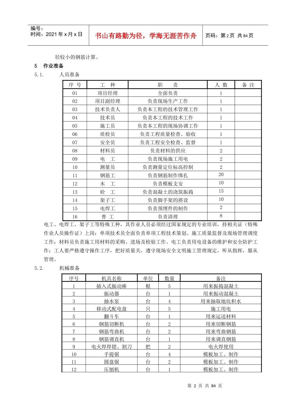
2/84
灰库上部结构施工方案--建六_第3页
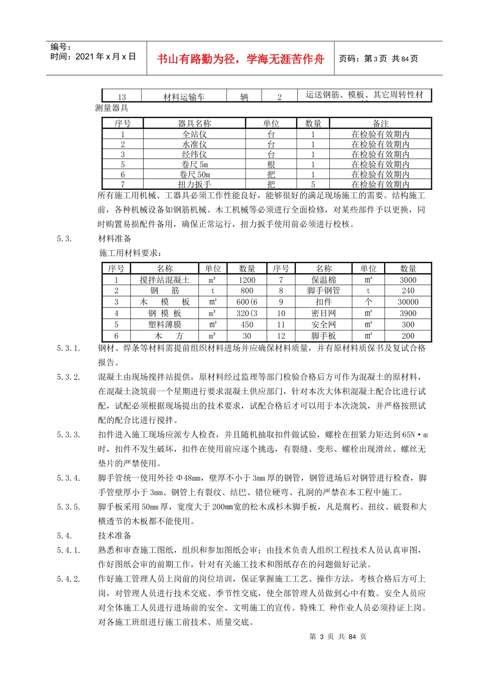
3/84
第1页共84页编号:时间:2021年x月x日书山有路勤为径,学海无涯苦作舟页码:第1页共84页1目的用于指导中电普安电厂2×660MW新建工程灰库上部结构的施工,保证灰库上部结构钢筋、模板、砼、脚手架等作业按规定的方法,在安全的条件下进行,使管理人员和作业班组了解施工内容、作业流程、质量标准以及安全施工要求等。2适用范围适用于灰库上部筒壁结构、平台结构及框架结构等项目施工。3编制依据3.1.《灰库上部结构图》FA08461S-T03223.2.《电力建设施工质量验收及评价规程,第1部分,土建工程》(DL/T5210.1-2012)3.3.《工程建设标准强制性条文电力工程部分》(2013年版)3.4.《混凝土结构工程施工规范》(GB-50666-2011)3.5.《混凝土结构工程施工质量验收规范》(GB50204-2015);3.6.《普通混凝土拌合物性能试验方法标准》(GB/T50080-2002);3.7.《混凝土外加剂应用技术规程》(GB50119-2003);3.8.《普通混凝土用砂、石质量及检验方法标准》(JGJ52-2006)3.9.《普通混凝土配合比设计规程》(JGJ55-2011);3.10.《钢筋焊接及验收规程》(JGJ18-2012);3.11.《钢筋机械连接通用技术规程》(JGJ107-2010);3.12.《建筑变形测量规程》(JGJ8-2007);3.13.《建筑施工扣件式钢管脚手架安全技术规范》(JGJ130—2011);3.14.《电力建设安全工作规程第一部分:火力发电厂》(DL5009.1-2014);3.15.《建筑施工手册》(第五版);3.16.#1标段施工组织总设计4工程概述本工程为中电普安电厂2×660MW新建灰库工程,#1灰库基础的中心坐标为A=5794.400、B=1096;#2灰库基础的中心坐标A=5774.400、B=1096;#3灰库基础的中心坐标A=5754.400、B=1096。本工程±0m相当于绝对标高1586.3m(1985年国家高程系)。本工程混凝土筒壁、梁板结构,抗震设防烈度为六度,抗震设防类别为丙类,抗震措施设防烈度按6度,抗震等级:剪力墙按四级,框架梁柱按三级。建筑设计基准50年,使用年限为50年。结构高度为25.2m,筒壁半径8.150m。5.970m层内楼板厚度120mm、外平台板厚度100mm、主要框架梁1KL1:400×700、1KL2:400×700;11.470米层内楼板厚度400mm、外平台板厚度100mm,主要框架梁:2KL1:600×1200、2KL2:400×1000;24.970米层内楼板厚度120mm、外平台板厚度100mm,主要框架梁:3KL1::300×900、3KL2:400×1200;主体结构钢筋主要采用HPB300和HRB400,砼强度等级为:筒壁、楼板、梁C35。主要钢筋直径为32mm、28mm、25mm、22mm、20mm、18mm、16mm、12mm、10mm、8mm,其中钢筋直径≧18的钢筋连接方式采用机械连接,机械连接接头等级为Ⅱ级,连接接头错开布置,机械连接套筒的横向净间距不小于25mm。当直径不同的钢筋搭接时,纵向受力钢筋搭接接头面积百分率按直第2页共84页第1页共84页编号:时间:2021年x月x日书山有路勤为径,学海无涯苦作舟页码:第2页共84页径较小的钢筋计算。5作业准备5.1.人员准备序号工种职责人数备注01项目经理全面负责102项目副经理负责现场生产工作103技术负责人负责本工程的技术管理工作104技术员负责本工程的技术工作105施工员负责本工程的现场协调工作106质检员负责工程质量检查、验收107安全员负责工程安全检查、监督108材料员负责材料的供应209电工负责现场施工用电210测量员负责测量定位标高控制211钢筋工负责钢筋制作绑扎2012木工负责模板支安1013砼工负责混凝土的浇筑振捣1514架子工负责脚手架的搭设1015电焊工负责预埋件的制作216普工负责清理8电工、电焊工、架子工等特殊工种,其作业人员必须经过国家规定的专业培训,持相关证(特殊作业人员操作证)上岗;单项技术员全面负责单项工程技术策划、施工质量监督及现场管理调度工作;材料员负责施工用材料的采购、进场及检验工作。电工负责用电设备的维护和安全防护工作;工人要严格遵守操作工序,把好质量关,遵守现场安全文明施工管理规定,听从指挥,服从管理。5.2.机械准备序号机具名称单位数量备注1插入式振动棒根5用来振捣混凝土2振动器台1用来振动混凝土3抽水泵台4用来抽取地坑积水4移动式配电盘只5施工用电5翻斗车台1用来运送材料6钢筋切断机台2用来切断钢筋7钢筋弯曲机台2用来弯曲钢筋8钢筋调直机台1用来调...

1、当您付费下载文档后,您只拥有了使用权限,并不意味着购买了版权,文档只能用于自身使用,不得用于其他商业用途(如 [转卖]进行直接盈利或[编辑后售卖]进行间接盈利)。
2、本站所有内容均由合作方或网友上传,本站不对文档的完整性、权威性及其观点立场正确性做任何保证或承诺!文档内容仅供研究参考,付费前请自行鉴别。
3、如文档内容存在违规,或者侵犯商业秘密、侵犯著作权等,请点击“违规举报”。

碎片内容

灰库上部结构施工方案--建六

您可能关注的文档

中小学资料+ 关注
实名认证
内容提供者

精美课件,值得下载

确认删除?
VIP
微信客服
  • 扫码咨询
会员Q群
  • 会员专属群点击这里加入QQ群
客服邮箱
回到顶部