电脑桌面
添加小米粒文库到电脑桌面
安装后可以在桌面快捷访问

销售行业-某中型制造业业务员岗位说明书VIP免费

销售行业-某中型制造业业务员岗位说明书_第1页
1/2
销售行业-某中型制造业业务员岗位说明书_第2页
2/2
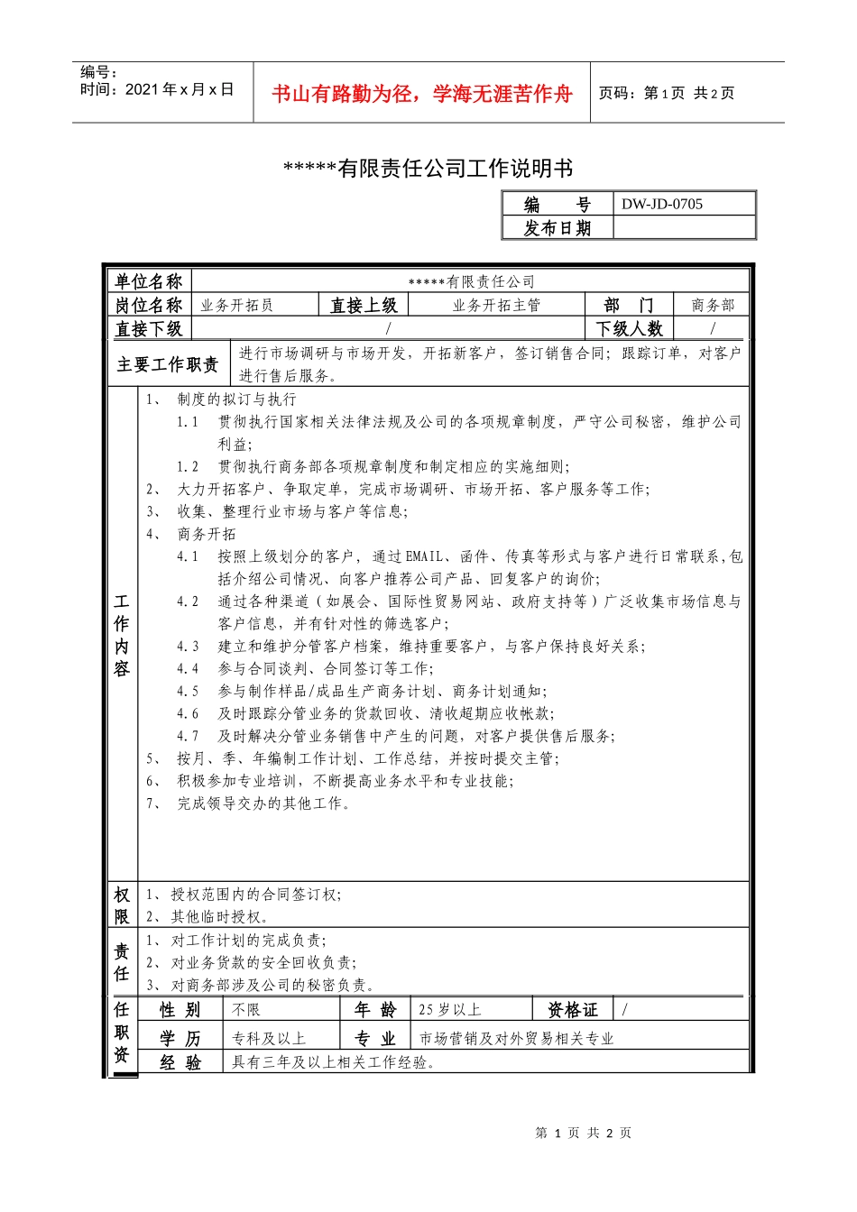
第1页共2页编号:时间:2021年x月x日书山有路勤为径,学海无涯苦作舟页码:第1页共2页*****有限责任公司工作说明书编号DW-JD-0705发布日期单位名称*****有限责任公司岗位名称业务开拓员直接上级业务开拓主管部门商务部直接下级/下级人数/主要工作职责进行市场调研与市场开发,开拓新客户,签订销售合同;跟踪订单,对客户进行售后服务。工作内容1、制度的拟订与执行1.1贯彻执行国家相关法律法规及公司的各项规章制度,严守公司秘密,维护公司利益;1.2贯彻执行商务部各项规章制度和制定相应的实施细则;2、大力开拓客户、争取定单,完成市场调研、市场开拓、客户服务等工作;3、收集、整理行业市场与客户等信息;4、商务开拓4.1按照上级划分的客户,通过EMAIL、函件、传真等形式与客户进行日常联系,包括介绍公司情况、向客户推荐公司产品、回复客户的询价;4.2通过各种渠道(如展会、国际性贸易网站、政府支持等)广泛收集市场信息与客户信息,并有针对性的筛选客户;4.3建立和维护分管客户档案,维持重要客户,与客户保持良好关系;4.4参与合同谈判、合同签订等工作;4.5参与制作样品/成品生产商务计划、商务计划通知;4.6及时跟踪分管业务的货款回收、清收超期应收帐款;4.7及时解决分管业务销售中产生的问题,对客户提供售后服务;5、按月、季、年编制工作计划、工作总结,并按时提交主管;6、积极参加专业培训,不断提高业务水平和专业技能;7、完成领导交办的其他工作。权限1、授权范围内的合同签订权;2、其他临时授权。责任1、对工作计划的完成负责;2、对业务货款的安全回收负责;3、对商务部涉及公司的秘密负责。任职资性别不限年龄25岁以上资格证/学历专科及以上专业市场营销及对外贸易相关专业经验具有三年及以上相关工作经验。第2页共2页第1页共2页编号:时间:2021年x月x日书山有路勤为径,学海无涯苦作舟页码:第2页共2页格知识1、熟悉:市场营销、外贸;2、了解:**产品知识。技能1、熟练运用一门以上外语;2、具有很强的沟通、协调和社会活动能力;3、具有敏锐的市场洞察力。职业道德诚信、勤俭、敬业、思维活跃开阔。

1、当您付费下载文档后,您只拥有了使用权限,并不意味着购买了版权,文档只能用于自身使用,不得用于其他商业用途(如 [转卖]进行直接盈利或[编辑后售卖]进行间接盈利)。
2、本站所有内容均由合作方或网友上传,本站不对文档的完整性、权威性及其观点立场正确性做任何保证或承诺!文档内容仅供研究参考,付费前请自行鉴别。
3、如文档内容存在违规,或者侵犯商业秘密、侵犯著作权等,请点击“违规举报”。

碎片内容

销售行业-某中型制造业业务员岗位说明书

您可能关注的文档

确认删除?
VIP
微信客服
  • 扫码咨询
会员Q群
  • 会员专属群点击这里加入QQ群
客服邮箱
回到顶部