电脑桌面
添加小米粒文库到电脑桌面
安装后可以在桌面快捷访问

珠海塔楼地下室混凝土专项施工方案VIP免费

珠海塔楼地下室混凝土专项施工方案_第1页
1/53
珠海塔楼地下室混凝土专项施工方案_第2页
2/53
珠海塔楼地下室混凝土专项施工方案_第3页
3/53
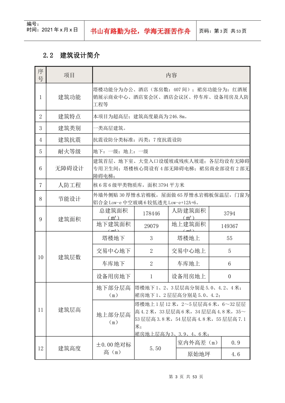
第1页共53页编号:时间:2021年x月x日书山有路勤为径,学海无涯苦作舟页码:第1页共53页珠海保税区国际红酒交易中心塔楼地下室混凝土浇筑施工方案建设单位:珠海保税区中港展览展示有限公司设计单位:清华大学建筑设计研究院监理单位:北京双圆工程咨询监理有限公司施工单位:北京建工集团有限责任公司编制:审核:审批:2014年04月20日第2页共53页第1页共53页编号:时间:2021年x月x日书山有路勤为径,学海无涯苦作舟页码:第2页共53页一.工程概况本工程为珠海保税区国际红酒交易中心大夏工程,建筑物分主塔楼与初楼两部分,主塔楼为地下三层、地上55层,裙楼为地下二层地上5层,主塔楼标高为地下三层-14.4m,地上55层标高为244.2m、裙楼标高为地下二层-10.2m、地上5层标高为32.2m建筑面积为17.85万m2,框架外筒型钢结构混凝土叠合楼层与内筒体钢筋混凝土结构。2.1.4工程建设概况一览表序号项目内容1工程名称珠海保税区国际红酒交易中心工程2工程地址珠海市保税区宝盛路与宝汇路交汇处西南地块3建设单位珠海保税区中港展览展示有限公司4设计单位清华大学建筑设计研究院5勘察单位广东核力工程勘察院6监理单位北京双圆工程咨询监理有限公司7施工单位北京建工集团8监督单位珠海市建筑工程质量监督站9工期要求工程总工期975日历天,开工日期2014年1月10日到2016年9月10日10质量目标广东省建设工程优质奖第3页共53页第2页共53页编号:时间:2021年x月x日书山有路勤为径,学海无涯苦作舟页码:第3页共53页2.2建筑设计简介序号项目内容1建筑功能塔楼功能分为办公、酒店(客房数:407间);裙房功能分为:红酒展销展示商业中心、酒店宴会区、酒店会议区、停车库、设备用房及人防工程等2建筑特点本项目为超高层;建筑高度最高为246.8m。3建筑类别一类高层建筑。4建筑抗震抗震设防分类标准:丙类;7度抗震设防5耐火等级地下:一级;地上:一级6无障碍设计建筑首层、地下室、大堂入口设缓坡或残疾人坡道;各层均设有无障碍专用卫生间;塔楼核心筒设有4部无障碍电梯;裙房商业部设有2部无障碍电梯;7人防工程核6常6级甲类物质库,面积3794平方米8节能设计外墙外侧贴30厚憎水岩棉板,屋面做65厚憎水岩棉板保温层,门窗为铝合金Low-e中空玻璃6较低透光Low-e+12A+6。9建筑面积总建筑面积(㎡)178446人防建筑面积(㎡)3794地下建筑面积(㎡)29079地上建筑面积(㎡)14936710建筑层数塔楼地下3塔楼地上55交易中心地下2交易中心地上5车库地下2车库地上6设备用房地下1设备用房地上011建筑层高地下部分层高(m)塔楼地下1、2、3层层高分别是5.0、4.2、4米;裙房地下1、2层层高分别是5.0、4.2;地上部分层高(m)塔楼地上1层12米,2~5层层高6米,6~32层层高4.2米,33层层高6米,34层层高4.8米,35~53层层高3.8米,54层层高4.8米,55层层高7.1米;裙房地上层高为3、3.9、4、6米;12建筑高度±0.00绝对标高(m)5.50室内外高差(m)0.9原始地坪4.6第4页共53页第3页共53页编号:时间:2021年x月x日书山有路勤为径,学海无涯苦作舟页码:第4页共53页室外设计地坪4.6基底标高(m)-18.1最深基底标(m)-24.0-1层结构顶板顶标高(m)-0.10檐口高度(m)246.6建筑总高(m)246.814建筑平面横轴编号1~27纵轴编号A~Y横轴距离(m)126.9纵轴距离(m)119.915建筑使用年限50年16室内装修主要做法楼、地面地砖、防滑地砖、彩色地砖、水磨石、细石混凝土、彩色混凝土、网络地板、石材、花岗岩石材、双层地毯(带衬垫)墙面耐擦洗涂料、穿孔石膏板吸声、防火型乳胶漆、釉面砖防水墙面、硬木墙面、石材墙面、墙面砖;顶棚单层双层防火纸面石膏板、矿棉吸声板、耐擦洗涂料、铝合金方板、防火型乳胶漆、铝方格栅吊顶、非石棉纤维增强硅酸钙板、穿孔石膏板吸声吊顶;踢脚彩色水泥、水泥、石材、硬木、面砖、水磨石;17室外装修玻璃幕墙、铝板、穿孔铝板、拉丝不锈钢板、铝合金防水百叶窗、外墙涂料墙面、陶瓷饰面砖墙面、水泥砂浆等;18维护墙体外墙玻璃幕墙、金属幕墙、加气混凝土砌块;内墙加气混凝土砌块;19门窗内门:采用实木门;防火门:采用钢质防火门;人防专用门;窗:玻璃幕墙、排风透气窗、铝合金防水百...

1、当您付费下载文档后,您只拥有了使用权限,并不意味着购买了版权,文档只能用于自身使用,不得用于其他商业用途(如 [转卖]进行直接盈利或[编辑后售卖]进行间接盈利)。
2、本站所有内容均由合作方或网友上传,本站不对文档的完整性、权威性及其观点立场正确性做任何保证或承诺!文档内容仅供研究参考,付费前请自行鉴别。
3、如文档内容存在违规,或者侵犯商业秘密、侵犯著作权等,请点击“违规举报”。

碎片内容

珠海塔楼地下室混凝土专项施工方案

您可能关注的文档

中小学资料+ 关注
实名认证
内容提供者

精美课件,值得下载

确认删除?
VIP
微信客服
  • 扫码咨询
会员Q群
  • 会员专属群点击这里加入QQ群
客服邮箱
回到顶部