电脑桌面
添加小米粒文库到电脑桌面
安装后可以在桌面快捷访问

生活污水对混凝土构件的快速腐蚀试验VIP免费

生活污水对混凝土构件的快速腐蚀试验_第1页
1/4
生活污水对混凝土构件的快速腐蚀试验_第2页
2/4
生活污水对混凝土构件的快速腐蚀试验_第3页
3/4
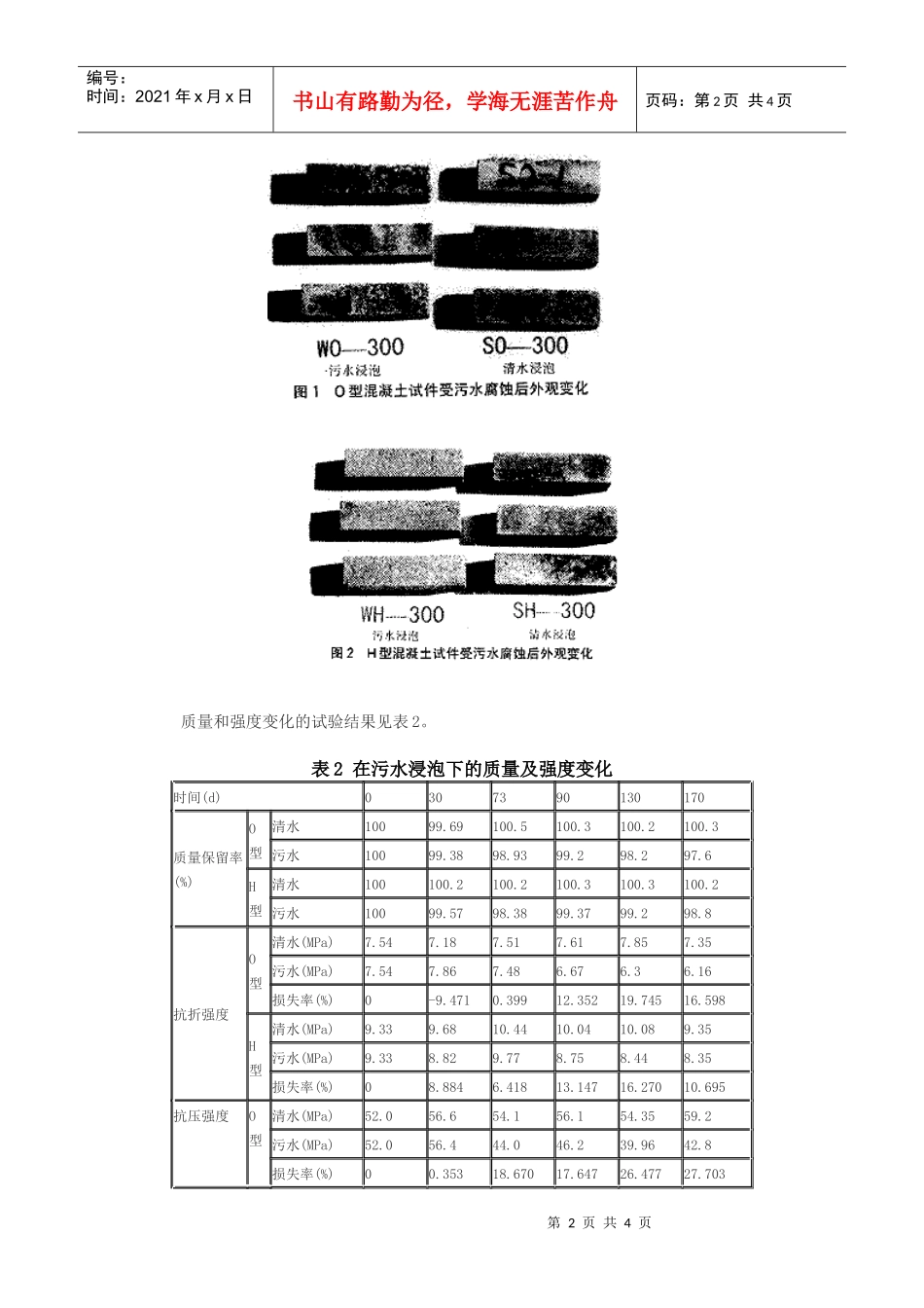
第1页共4页编号:时间:2021年x月x日书山有路勤为径,学海无涯苦作舟页码:第1页共4页生活污水对混凝土构件的快速腐蚀试验摘要:以在试验室配制的高浓度有机污水(模拟生活污水)作为侵蚀液对两种配合比的混凝土构件进行快速腐蚀试验,测定了其受腐蚀前后的质量、抗折强度和抗压强度。结果表明,生活污水对混凝土构件存在明显的腐蚀,以该法作为其快速腐蚀试验方法是可行的。中图分类号:TU823文献标识码:C文章编号:1000-4602(2002)05-0091-02对城市污水处理系统中混凝土构筑物耐久性的调查表明,其服务期仅为15年,但在污水腐蚀下局部已受到严重破坏[1]。迄今为止,生活污水对混凝土构件的腐蚀研究尚不多见,因为对其的腐蚀长时间才能表现,因此研究快速腐蚀试验方法尤为重要。1试验材料与方法从苏州科技学院生活区污水管道取水,添加适量葡萄糖、氮、磷、微量元素等,配制成初始COD为9000mg/L左右的模拟生活污水。1.1混凝土试件的制作水泥:525号普通硅酸盐水泥,苏州第二水泥厂生产;细骨料:细度模数为2.8的河砂,级配合格;粗骨料:粒径为5~10mm的碎石,级配合格;外加剂:AF高效减水剂,苏州混凝土水泥制品研究院研制;混合材料:硅灰,青海硅铁合金厂;试件尺寸:40mm×40mm×160mm。混凝土试件按表1的配合比配制。表1混凝土配合比kg/m3项目水泥河砂碎石水外加剂混合材料O型3338151050200H型41586410901494.1541.51.2试验方法①将混凝土试件浸泡在污水中定期监测,待COD值降至5000mg/L时则更换重新配制的污水,使COD浓度维持在9000~5000mg/L。②制作混凝土试件,标准养护28d,测其初始质量、强度值后,分别浸泡在5倍体积的清水(作为对照)和模拟生活污水中(20℃,在浸泡时间分别为30、73、90、130、170d时,分别测试混凝土试件的质量、抗折强度和抗压强度。2结果与分析经模拟生活污水浸泡后的试件表面粗糙、起砂或露砂,见图1、2。第2页共4页第1页共4页编号:时间:2021年x月x日书山有路勤为径,学海无涯苦作舟页码:第2页共4页质量和强度变化的试验结果见表2。表2在污水浸泡下的质量及强度变化时间(d)0307390130170质量保留率(%)O型清水10099.69100.5100.3100.2100.3污水10099.3898.9399.298.297.6H型清水100100.2100.2100.3100.3100.2污水10099.5798.3899.3799.298.8抗折强度O型清水(MPa)7.547.187.517.617.857.35污水(MPa)7.547.867.486.676.36.16损失率(%)0-9.4710.39912.35219.74516.598H型清水(MPa)9.339.6810.4410.0410.089.35污水(MPa)9.338.829.778.758.448.35损失率(%)08.8846.41813.14716.27010.695抗压强度O型清水(MPa)52.056.654.156.154.3559.2污水(MPa)52.056.444.046.239.9642.8损失率(%)00.35318.67017.64726.47727.703第3页共4页第2页共4页编号:时间:2021年x月x日书山有路勤为径,学海无涯苦作舟页码:第3页共4页H型清水(MPa)87.196.392.385.282.786.1污水(MPa)87.193.884.678.367.575.4损失率(%)02.5968.3428.09918.38012.427尽管表2中的数据存在一定的波动性(这种波动是由试件制备本身造成的),但总体趋势表明两种类型混凝土试件随着浸泡时间的延长,质量保留率及抗折、抗压强度均明显降低,且在本试验模拟条件下随着时间的延长,H型比O型更耐腐蚀。2.2分析污水中含有大量无机物、有机物和极易于微生物生长的营养物质,对混凝土构件具有潜在的腐蚀作用。调查表明,混凝土构筑物在COD值为350~500mg/L的环境下工作15年后会受到明显的腐蚀,池壁严重受损、粗骨料外露、部分混凝土被完全破坏(见图3)。试验中配制的COD值约为9000mg/L的模拟生活污水对混凝土试件静态浸泡170d后,其强度明显低于清水浸泡的试件,即污水对两种混凝土试件具有一定的腐蚀作用,说明这种腐蚀作用不是溶出型腐蚀,而很可能是改变了水泥的水化相,使其失去了胶凝作用而导致混凝土强度的下降,因此该试验方法作为快速腐蚀试验方法是可行的。由于混凝土构件的耐久性受到多种因素的影响,如水灰比、骨料的性质、冷热交替、干湿交替、盐类的侵蚀以及环境水条件等[2],故试验中配制了两种不同配合比的混凝土试件。试验数据表明,掺有混合材料的混凝土试件(H型)对污水具有一...

1、当您付费下载文档后,您只拥有了使用权限,并不意味着购买了版权,文档只能用于自身使用,不得用于其他商业用途(如 [转卖]进行直接盈利或[编辑后售卖]进行间接盈利)。
2、本站所有内容均由合作方或网友上传,本站不对文档的完整性、权威性及其观点立场正确性做任何保证或承诺!文档内容仅供研究参考,付费前请自行鉴别。
3、如文档内容存在违规,或者侵犯商业秘密、侵犯著作权等,请点击“违规举报”。

碎片内容

生活污水对混凝土构件的快速腐蚀试验

您可能关注的文档

确认删除?
VIP
微信客服
  • 扫码咨询
会员Q群
  • 会员专属群点击这里加入QQ群
客服邮箱
回到顶部