电脑桌面
添加小米粒文库到电脑桌面
安装后可以在桌面快捷访问

苏宁云商成都B2C模板支撑架专项施工方案VIP免费

苏宁云商成都B2C模板支撑架专项施工方案_第1页
1/87
苏宁云商成都B2C模板支撑架专项施工方案_第2页
2/87
苏宁云商成都B2C模板支撑架专项施工方案_第3页
3/87
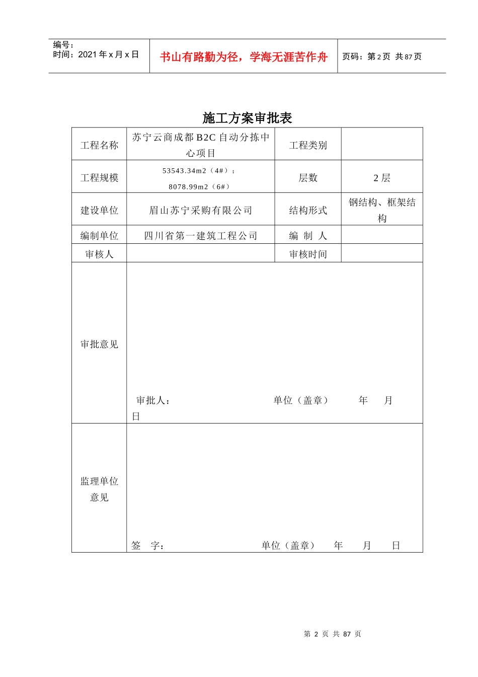
第1页共87页编号:时间:2021年x月x日书山有路勤为径,学海无涯苦作舟页码:第1页共87页苏宁云商成都B2C自动分拣中心项目4#、6#楼高支模架专项施工方案编制单位:四川省第一建筑工程公司编制时间:二0一五年五月十日第2页共87页第1页共87页编号:时间:2021年x月x日书山有路勤为径,学海无涯苦作舟页码:第2页共87页施工方案审批表工程名称苏宁云商成都B2C自动分拣中心项目工程类别工程规模53543.34m2(4#);8078.99m2(6#)层数2层建设单位眉山苏宁采购有限公司结构形式钢结构、框架结构编制单位四川省第一建筑工程公司编制人审核人审核时间审批意见审批人:单位(盖章)年月日监理单位意见签字:单位(盖章)年月日第3页共87页第2页共87页编号:时间:2021年x月x日书山有路勤为径,学海无涯苦作舟页码:第3页共87页建管/建设单位意见签字:单位(盖章)年月日目录第一章工程概况...............................................5一、工程概况...................................................5二、施工平面布置...............................................6三、施工要求...................................................6四、技术保证条件...............................................6第二章编制依据...............................................7第三章施工计划...............................................8一、施工进度计划...............................................8二、材料与设备计划.............................................8第四章施工工艺技术..........................................10一、施工准备..................................................10二、技术参数..................................................10三、工艺流程..................................................12四、施工方法..................................................13五、高支模架的检查与验收......................................20第4页共87页第3页共87页编号:时间:2021年x月x日书山有路勤为径,学海无涯苦作舟页码:第4页共87页第五章施工安全保证措施......................................24一、组织保障..................................................24二、技术措施..................................................24三、应急预案..................................................27四、监测监控..................................................35第六章劳动力计划............................................38一、专职安全生产管理人员的设置................................38二、特种作业人员的设置........................................39第七章计算书及相关图纸.......................................40一、120厚板模板计算书........................................40二、400×900梁底模计算书.....................................40三、400×900梁侧模计算书.....................................62四、相关图纸.................................................691、高支模位置示意图.......................................692、高支模架平面布置图.....................................693、高支模架剖面图.........................................694、4#厂房底层支模架基底排水平面图.........................695、6#温控库底层支模架基底排水平面图69第5页共87页第4页共87页编号:时间:2021年x月x日书山有路勤为径,学海无涯苦作舟页码:第5页共87页第一章工程概况一、工程概况一、工程概况工程名称苏宁云商成都B2C自动分拣中心项目工程地址眉山市彭山经济开发区建设单位眉山苏宁采购有限公司设计单位信息产业电子第十一设计研究院科技工程股份有限公司监理单位四川瑞达工程项目管理有限公司勘察单位中节能建设工程设计院有限公司施工单位四川省第一建筑工程公司建筑面积4#库面积53543.34m26#库面积8078.99m2建筑总高13.40m(4#);18.8m(6#)。第6页共87页...

1、当您付费下载文档后,您只拥有了使用权限,并不意味着购买了版权,文档只能用于自身使用,不得用于其他商业用途(如 [转卖]进行直接盈利或[编辑后售卖]进行间接盈利)。
2、本站所有内容均由合作方或网友上传,本站不对文档的完整性、权威性及其观点立场正确性做任何保证或承诺!文档内容仅供研究参考,付费前请自行鉴别。
3、如文档内容存在违规,或者侵犯商业秘密、侵犯著作权等,请点击“违规举报”。

碎片内容

苏宁云商成都B2C模板支撑架专项施工方案

中小学资料+ 关注
实名认证
内容提供者

精美课件,值得下载

确认删除?
VIP
微信客服
  • 扫码咨询
会员Q群
  • 会员专属群点击这里加入QQ群
客服邮箱
回到顶部