电脑桌面
添加小米粒文库到电脑桌面
安装后可以在桌面快捷访问

超50米双排落地式脚手架施工方案VIP免费

超50米双排落地式脚手架施工方案_第1页
1/56
超50米双排落地式脚手架施工方案_第2页
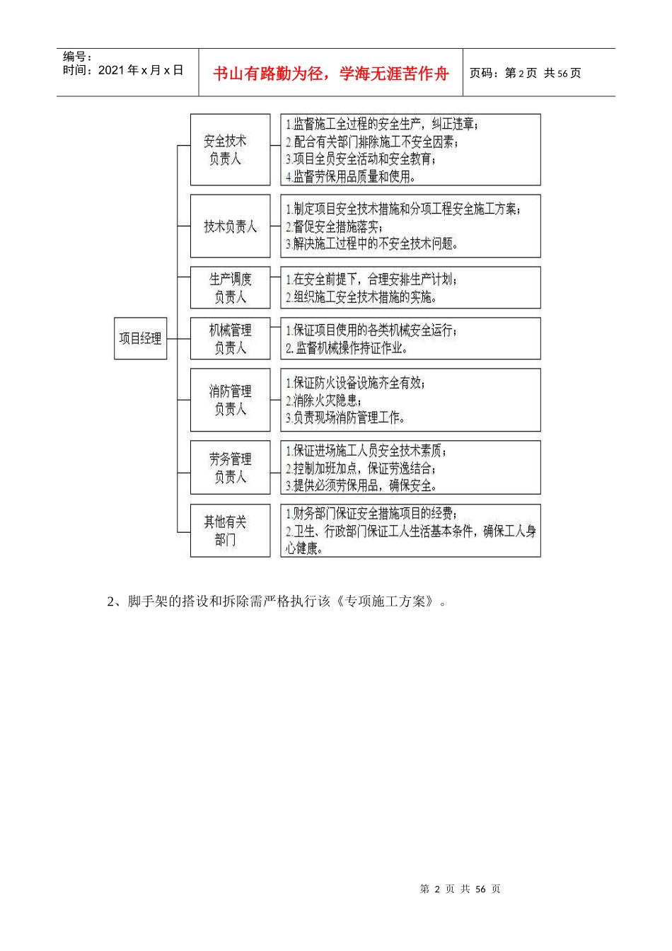
2/56
超50米双排落地式脚手架施工方案_第3页
3/56
目录第一节、工程概况---------------------------------------------------------------------1-一、工程概况---------------------------------------------------------------------1-二、施工要求---------------------------------------------------------------------1-三、技术保证条件---------------------------------------------------------------1-第二节、编制依据---------------------------------------------------------------------3-第三节、施工计划---------------------------------------------------------------------4-一、施工进度计划---------------------------------------------------------------4-二、材料与设备计划------------------------------------------------------------4-第四节、施工工艺技术---------------------------------------------------------------6-一、技术参数---------------------------------------------------------------------6-二、工艺流程---------------------------------------------------------------------6-三、施工方法---------------------------------------------------------------------6-四、检查验收--------------------------------------------------------------------12-第五节、施工安全保证措施--------------------------------------------------------14-一、组织保障--------------------------------------------------------------------14-二、技术措施--------------------------------------------------------------------15-三、监测监控--------------------------------------------------------------------17-四、应急预案--------------------------------------------------------------------19-第六节、劳动力计划-----------------------------------------------------------------21-一、专职安全生产管理人员--------------------------------------------------21-第七节、计算书-----------------------------------------------------------------------21-第1页共56页编号:时间:2021年x月x日书山有路勤为径,学海无涯苦作舟页码:第1页共56页第一节、工程概况一、工程概况本工程位于深圳市南山区白石路深圳大学北区,分为2#、3#、4#三栋单体楼公寓及一栋生活服务由西向东布置,本工程公寓楼建筑高度为75.95m,生活服务楼建筑高度为16m;全现浇框架钢筋混凝土剪力墙结构(公寓),三栋地上20层(二层以上全为宿舍),地下1层,建筑面积共56800m2;一栋四层生活服务楼(现浇框架),建筑面积5700m2;总建筑面积为62500m2。本工程2#楼±0.000对应绝对标高15.595m;3#楼±0.000对应绝对标高13.540m;4#楼±0.000对应绝对标高11.490m;生活服务楼±0.000对应绝对标高8.190m。本工程结构设计使用年限为50年,安全等级为二级,建筑场地为Ⅱ类。因本工程地下室顶板面积大于标准层面积,为节约成本减少悬挑级数,外架施工方案计划能以地下室顶板作为立杆基础的情况下采用落地式双排脚手架,搭设高度为52.7米(地下室顶板标高-2.9米,搭设至第16层楼面标高50.5米位置)。二、施工要求1、确保脚手架在使用周期内安全、稳定、牢靠。2、脚手架在搭设及拆除过程中要符合工程施工进度要求。操作人员需取得特殊作业人员资格上岗证。三、技术保证条件1、安全网络第2页共56页第1页共56页编号:时间:2021年x月x日书山有路勤为径,学海无涯苦作舟页码:第2页共56页2、脚手架的搭设和拆除需严格执行该《专项施工方案》。第3页共56页第2页共56页编号:时间:2021年x月x日书山有路勤为径,学海无涯苦作舟页码:第3页共56页第二节、编制依据《建筑施工脚手架实用手册》《建筑地基基础设计规范》GB50007-2011《建筑结构荷载规范》GB50009-2001(06年版)《混凝土结构设计规范》GB50010-2010《钢结构设计规范》GB50017-2003《建筑施工安全检查标准》JGJ59-99《建筑施工高处作业安全技术规范》JGJ80-91《建筑施工扣件式钢管脚手架安全技术规范》JGJ130-2011危险性较大的分部...

1、当您付费下载文档后,您只拥有了使用权限,并不意味着购买了版权,文档只能用于自身使用,不得用于其他商业用途(如 [转卖]进行直接盈利或[编辑后售卖]进行间接盈利)。
2、本站所有内容均由合作方或网友上传,本站不对文档的完整性、权威性及其观点立场正确性做任何保证或承诺!文档内容仅供研究参考,付费前请自行鉴别。
3、如文档内容存在违规,或者侵犯商业秘密、侵犯著作权等,请点击“违规举报”。

碎片内容

超50米双排落地式脚手架施工方案

您可能关注的文档

精华资料店+ 关注
实名认证
内容提供者

大量教育教学资料

确认删除?
VIP
微信客服
  • 扫码咨询
会员Q群
  • 会员专属群点击这里加入QQ群
客服邮箱
回到顶部