电脑桌面
添加小米粒文库到电脑桌面
安装后可以在桌面快捷访问

波形梁护栏首件施工方案(DOC31页)VIP免费

波形梁护栏首件施工方案(DOC31页)_第1页
1/44
波形梁护栏首件施工方案(DOC31页)_第2页
2/44
波形梁护栏首件施工方案(DOC31页)_第3页
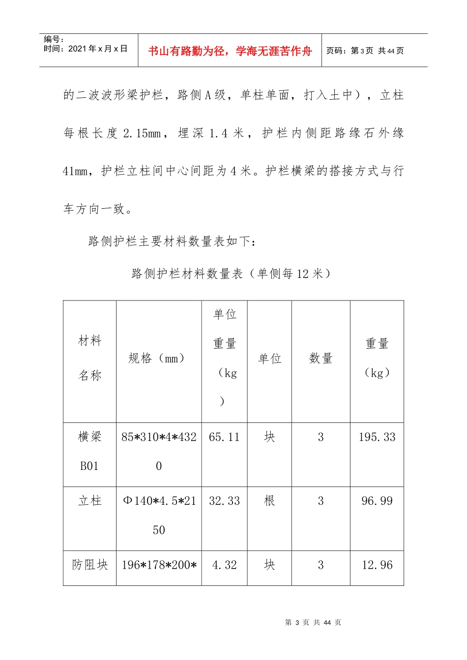
3/44
第1页共44页编号:时间:2021年x月x日书山有路勤为径,学海无涯苦作舟页码:第1页共44页波形梁护栏首件施工方案一、编制依据1、《公路交通安全设施设计规范》(JTGD81-2006)2、《高速公路施工标准化技术指南》3、《公路工程施工安全技术规范》(JTGF90-2015)4、《公路波形护栏》(JT/T457-2007)5、《公路波形护栏》(JT/T281-2007)6、《公路交通安全设施设计规范》(JTGD81-2006)7、《公路工程质量检验评定标准》(JTGF80/1-2012)8、《公路工程技术标准》(JTGB01-2014)9、加勉至加鸠公路改扩建工程项目主体工程施工合同;10、加勉至加鸠公路改扩建工程两阶段施工图设计二、首件工程的目的通过首件工程的技术经验,全面、客观的分析影响工程质量的各种因素,对各项工艺、技术、质量以及人员和设备投入第2页共44页第1页共44页编号:时间:2021年x月x日书山有路勤为径,学海无涯苦作舟页码:第2页共44页指标进行综合评价,从而得到更加科学、合理的施工工艺,为后续的大面积施工建立质量控制目标和措施,避免技术、工艺等各种原因造成的各类隐患。三、工程概况从江县加勉至加鸠公路改扩建工程起止桩号为K0+000-K19+838,除去断链路线全长18.246667km,公路等级为三级路,设计速度30km/h,其中整体式路基宽7.5m;主要控制性工程量为加模大桥1座/276m、涵洞共72道共877米、路基挖方134.8万方、路基填方23.9万方、防护及排水工程浆砌片石15.3万方、片石砼挡墙4.89万方;20m预制T梁15片、40m预制T梁25片,总计40片。根据现场施工进展情况,选取K3+050-K3+250段左幅路侧波形梁护栏安装作为首件工程。本方案选取的路侧波形梁护栏型式是Gr-A-4E(带防阻块第3页共44页第2页共44页编号:时间:2021年x月x日书山有路勤为径,学海无涯苦作舟页码:第3页共44页的二波波形梁护栏,路侧A级,单柱单面,打入土中),立柱每根长度2.15mm,埋深1.4米,护栏内侧距路缘石外缘41mm,护栏立柱间中心间距为4米。护栏横梁的搭接方式与行车方向一致。路侧护栏主要材料数量表如下:路侧护栏材料数量表(单侧每12米)材料名称规格(mm)单位重量(kg)单位数量重量(kg)横梁B0185*310*4*432065.11块3195.33立柱Ф140*4.5*215032.33根396.99防阻块196*178*200*4.32块312.96第4页共44页第3页共44页编号:时间:2021年x月x日书山有路勤为径,学海无涯苦作舟页码:第4页共44页F14.5连接螺栓AM16*1800.449套31.347连接螺栓BM16*500.171套30.513拼接螺栓M16*450.163套243.912护栏垫片44*76*40.105个30.315柱帽Ф140个3四、施工准备1、技术准备(1)在施工前,我部组织测量人员对导线点和水准点进行复核,所用控制点得到监理测量工程师的批准。(2)施工技术人员熟悉、理解设计图纸以及相关的施工第5页共44页第4页共44页编号:时间:2021年x月x日书山有路勤为径,学海无涯苦作舟页码:第5页共44页规范,并与施工人员一起到施工现场与设计图纸一一核对,找出所施工路段桩号、各类构造物及各结构护栏设置地点,同时做好施工设备及材料的进场工作。(3)开工前认真学习技术交底,严格按技术交底要求组织现场施工,及时对工班进行施工前培训。班组应分工合理,责任明确,关键工号设专人负责。2、人员安排为了保证施质量及施工进度,成立以主管生产的项目副经理为直接领导的施工小组具体负责该工程的施工任务,并配置了专职的质检员与安全员负责施工过程中的质量及安全问题。(1)项目部投入本分项工程主要管理和技术人员:序号类别姓名职责1现场施工负全面负责现场施工管理及协2施工处长现场负责人第6页共44页第5页共44页编号:时间:2021年x月x日书山有路勤为径,学海无涯苦作舟页码:第6页共44页3质检负责人现场质量控制4安全负责人现场安全监督5交通组织负现场交通布控6试验工程师各项试验工作7测量队长负责测量放样和施工过程中8现场技术员负责现场施工(2)技术工人施工队设置打桩队二组,安装队二组,测量队一组,运输队一组,共计25人。3、设备安排机械设备一览表序号设备名称型号数量备注1DY300打桩机9m32台2自卸汽车10T13电焊机BX4-5002台4、材料准备严格按招标文件要求选购材料,所有钢材按招标文件要求必须...

1、当您付费下载文档后,您只拥有了使用权限,并不意味着购买了版权,文档只能用于自身使用,不得用于其他商业用途(如 [转卖]进行直接盈利或[编辑后售卖]进行间接盈利)。
2、本站所有内容均由合作方或网友上传,本站不对文档的完整性、权威性及其观点立场正确性做任何保证或承诺!文档内容仅供研究参考,付费前请自行鉴别。
3、如文档内容存在违规,或者侵犯商业秘密、侵犯著作权等,请点击“违规举报”。

碎片内容

波形梁护栏首件施工方案(DOC31页)

您可能关注的文档

确认删除?
VIP
微信客服
  • 扫码咨询
会员Q群
  • 会员专属群点击这里加入QQ群
客服邮箱
回到顶部