电脑桌面
添加小米粒文库到电脑桌面
安装后可以在桌面快捷访问

氮气激波吹灰器价格简介VIP免费

氮气激波吹灰器价格简介_第1页
1/35
氮气激波吹灰器价格简介_第2页
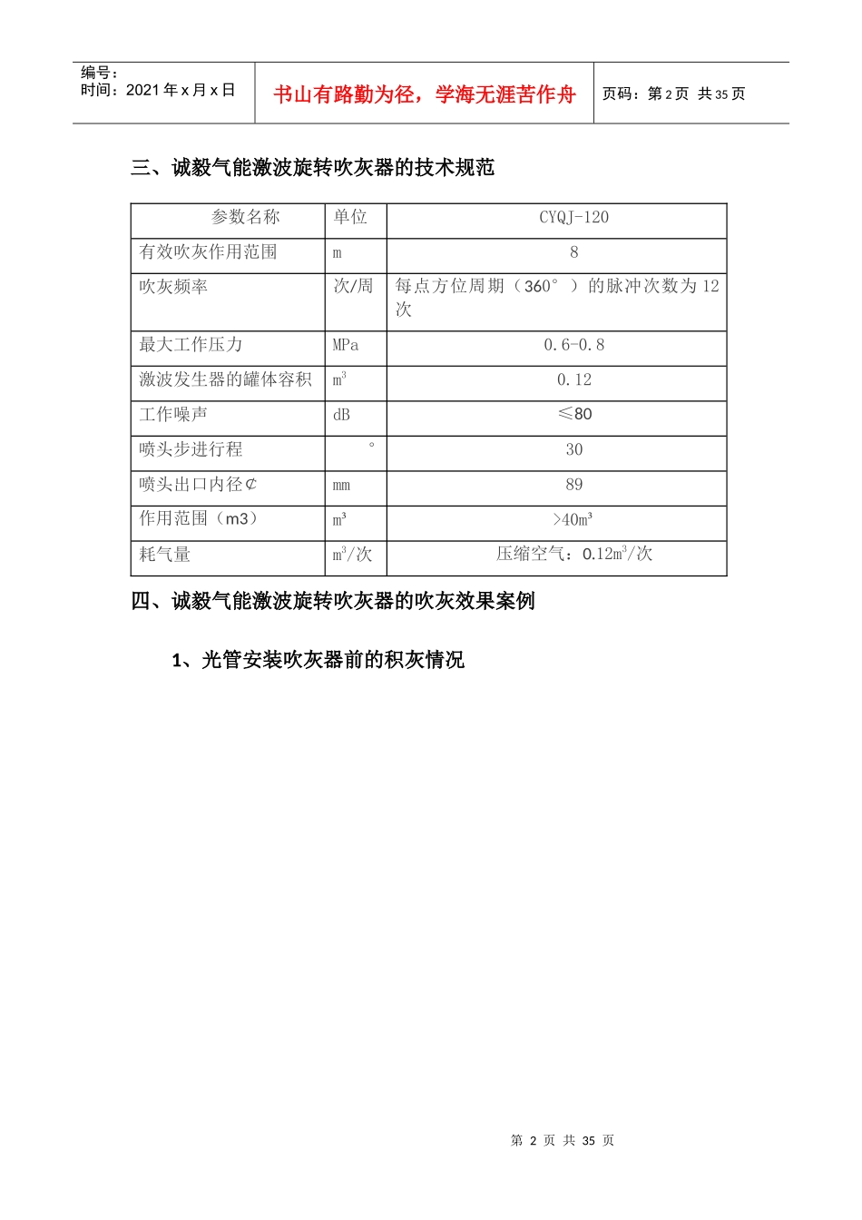
2/35
氮气激波吹灰器价格简介_第3页
3/35
第1页共35页编号:时间:2021年x月x日书山有路勤为径,学海无涯苦作舟页码:第1页共35页氮气激波吹灰器价格氮气激波吹灰器简介一、氮气激波吹灰器技术原理气能激波技术:采用瞬间泄压释放技术,利用瞬间产生超音速流体激波(冲击波)的能量,清除锅炉积灰的新型吹灰器。同时我司产品采用具有特殊结构的激波发生器每次脉冲产生持续时间大于100毫秒、强度可达5马赫(喷管管内激波强度)。该产品与传统的蒸汽吹灰器、燃气激波吹灰器、声波吹灰器相比具有作用空间大,吹灰效果好,能耗低,结构简单,安全可靠,维护方便,控制灵活等特点。旋转喷头技术:一种气动式步进旋转喷头,使冲击激波喷口随每一次冲击脉冲旋转一个角度,数次脉冲(12次)使喷口旋转一周,使冲击波能量最大范围的、最有效的加以利用,获得最佳的吹灰效果。控制系统:通过中控PLC控制系统激波喷吹逻辑关系。二、气能激波旋转吹灰器的组成第2页共35页第1页共35页编号:时间:2021年x月x日书山有路勤为径,学海无涯苦作舟页码:第2页共35页三、诚毅气能激波旋转吹灰器的技术规范参数名称单位CYQJ-120有效吹灰作用范围m8吹灰频率次/周每点方位周期(360°)的脉冲次数为12次最大工作压力MPa0.6-0.8激波发生器的罐体容积m30.12工作噪声dB≤80喷头步进行程°30喷头出口内径¢mm89作用范围(m3)m³>40m³耗气量m3/次压缩空气:0.12m3/次四、诚毅气能激波旋转吹灰器的吹灰效果案例1、光管安装吹灰器前的积灰情况第3页共35页第2页共35页编号:时间:2021年x月x日书山有路勤为径,学海无涯苦作舟页码:第3页共35页2、光管安装气能激波旋转吹灰器之后的积灰情况第4页共35页第3页共35页编号:时间:2021年x月x日书山有路勤为径,学海无涯苦作舟页码:第4页共35页3、鳍片管换热器安装吹灰器之前的积灰情况第5页共35页第4页共35页编号:时间:2021年x月x日书山有路勤为径,学海无涯苦作舟页码:第5页共35页4、鳍片式换热器安装吹灰器滞后的积灰情况五、诚毅气能激波旋转吹灰器与其他类型吹灰器的对比以240T/H流化床锅炉的6层过热器为例:烟道尺寸约为4米*12米。1)如果安装气能激波旋转吹灰器,需要安装12台气能激波旋转吹灰器(每层需要安装2台气能激波旋转吹灰器)6层过热器。2)需要安装燃气激波吹灰器24台(单层至少安装4台)。。运行比如下:燃气激波每8小时一轮,单点喷吹两次。每罐乙炔可点火60-80次,每罐乙炔成本80元,单次成本1.0-1.3元;消耗压缩空气0.5m³,成本0.05元;总计单次释放成本为1.05-1.35元,两次成本2.1-2.7元,按均价2.4元/点。单炉日运行成本:2.4元*24台*3=172元气能激波每8小时一个循环,每循环释放激波12次。每次0.12m³,折合0.6Nm³,成本0.06元,每点轮12次,12*0.06=0.72元。单炉日运行成本:0.72元*12台*3=25.9元第6页共35页第5页共35页编号:时间:2021年x月x日书山有路勤为径,学海无涯苦作舟页码:第6页共35页3)如要安装声波吹灰器,需要24台(单层至少安装4台)。。运行比如下:声波吹灰10分钟一次,一次10S每次约0.5Nm3,每小时6次,每班36次,每天108次,总计54Nm3单炉日运行成本:54*24*0.1=129元气能激波每8小时一个循环,每循环释放激波12次。每次0.12m³,折合0.6Nm³,成本0.06元,每点轮12次,12*0.06=0.72元。单炉日运行成本:0.72元*12台*3=25.9元4)如安装伸缩式蒸汽吹灰器,每层需要安装蒸汽吹灰器6台(单侧安装),对比如下:运行方式单台单次运行成本单炉日运行成本设备可靠性适用范围运行成本燃气激波吹灰器有哑炮、回火等现象,故障率高。激波方向性强,有吹灰盲区。适用范围广可用于浮灰,粘性灰,结焦灰。单次激波成本1.2元;单次吹灰(两次激波)2.4元;气能激波旋转吹灰器设备可靠性高。激波喷吹可以360°步进旋转,无死角。适用范围广可用于浮灰,粘性灰,结焦灰。单次激波成本0.06元单次吹灰成本0.72元(12次激波360°释放)设备可靠性适用范围运行成本声波吹灰器膜片的可靠性好。旋笛的故障率高适用范围广可用于浮灰,但是不适合粘性灰,结焦灰。单次声波和激波相当,但是运行次数多。总成本高气能激波旋转吹灰器设备可靠性高。激波喷吹可以360°步进旋转,无死角。...

1、当您付费下载文档后,您只拥有了使用权限,并不意味着购买了版权,文档只能用于自身使用,不得用于其他商业用途(如 [转卖]进行直接盈利或[编辑后售卖]进行间接盈利)。
2、本站所有内容均由合作方或网友上传,本站不对文档的完整性、权威性及其观点立场正确性做任何保证或承诺!文档内容仅供研究参考,付费前请自行鉴别。
3、如文档内容存在违规,或者侵犯商业秘密、侵犯著作权等,请点击“违规举报”。

碎片内容

氮气激波吹灰器价格简介

您可能关注的文档

确认删除?
VIP
微信客服
  • 扫码咨询
会员Q群
  • 会员专属群点击这里加入QQ群
客服邮箱
回到顶部