电脑桌面
添加小米粒文库到电脑桌面
安装后可以在桌面快捷访问

B15水电安装施工方案VIP免费

B15水电安装施工方案_第1页
1/21
B15水电安装施工方案_第2页
2/21
B15水电安装施工方案_第3页
3/21
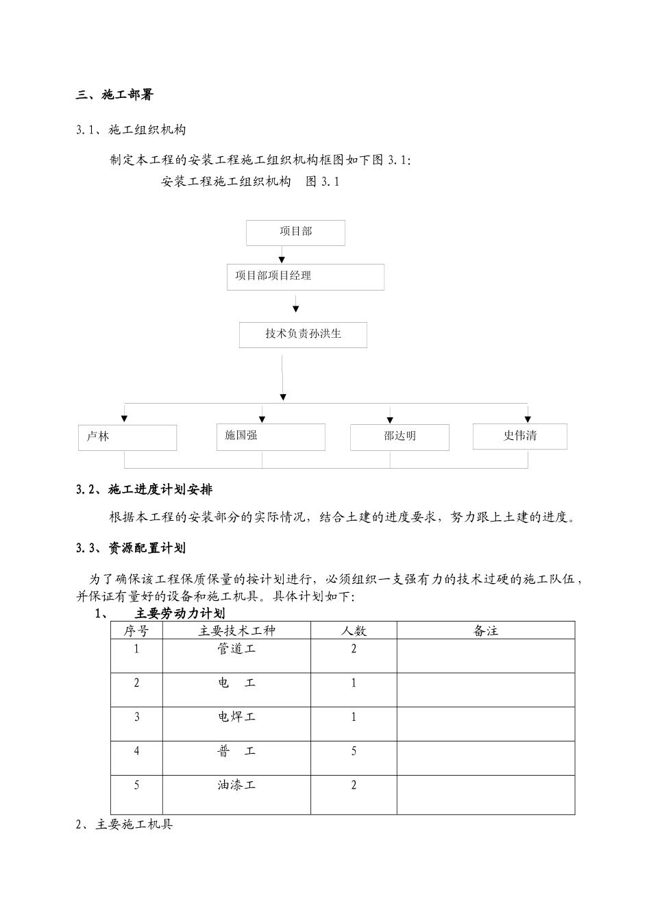
目录一、编制依据…………………………………………1二、工程概况…………………………………………1三、施工部署…………………………………………2四、施工准备工作……………………………………4五、主要分部分项工程施工方法……………………5六、质量管理与技术措施………………………….21七、安全施工及技术措施……………………………26八、现场文明施工管理………………………………26一、编制依据《建筑工程施工质量验收统一标准》(GB50300-2002)《建筑给水排水及采暖工程质量验收规范》(GB50242-2002)《建筑电气工程施工质量验收规范》(GB50303-2002)《建筑排水硬聚氯乙烯管道工程技术规程》(CJJ/T29-98)《卫生设备安装》(99S304)《建筑排水用硬聚氯乙烯(PVC-U)管道安装》(96S341)《接地装置安装》(88D563)《等电位联结安装》(GB02D501-2)《智能建筑弱电工程设计施工图集》(97X700)经过审核的水电施工图纸二、工程概况金色港湾C14幢楼位于宜兴市和桥北庄,建筑面积3000平方米,由南京鼎昊建设工程设计有限公司设计,水源接自和桥供电系统。消防给水常压力0.30Mpa,给水供水压力0.3Mpa;生活给水管道试压压力不小于1.0Mpa;生活给水管采用PP-R塑料管,室内排水管道采用PVC-U型塑料管,试压注水高度以一层地面的高度为标准,灌水15分钟后,再灌满延续5分钟,液面不下降。项目部项目部项目经理技术负责孙洪生施国强邵达明三、施工部署3.1、施工组织机构制定本工程的安装工程施工组织机构框图如下图3.1:安装工程施工组织机构图3.13.2、施工进度计划安排根据本工程的安装部分的实际情况,结合土建的进度要求,努力跟上土建的进度。3.3、资源配置计划为了确保该工程保质保量的按计划进行,必须组织一支强有力的技术过硬的施工队伍,并保证有量好的设备和施工机具。具体计划如下:1、主要劳动力计划序号主要技术工种人数备注1管道工22电工13电焊工14普工55油漆工22、主要施工机具史伟清卢林序号机具名称规格名称单位数量备注1台钻ZQ4116台12砂轮切割机台23交流电焊机300A台34氧割设备套25液压弯管机100台16电动套丝机SQ100台27电动试压泵SY350台18电锤博世把29冲击钻博世把510热熔器台23、主要计量、检测和试验设备序号计量器具名称配备数量单位型号规格备注1水准仪1台S22经纬仪1台N33游标卡尺2把0-300mm4水平仪1台200*2005焊缝检测尺2把0.005mm6塞尺2套0.02-1.00mm7压力表2块0-2.5Mpa8钳形电流表2块MG2410兆欧表1块1000V11接地电阻测试仪1块2C-29B-214万用表2块DT4600四、施工准备工作4.1、施工平面布置在施工组织设计中已经绘制了本工程项目部现场施工总平面布置示意图,这里仅仅针对安装工程所需的总平面布置情况进行描述:1、安装工程所需的场地主要场地布置见下表4.1。安装工程所需场地一览表表4.14.2、技术措施准备主要技术措施准备工作见下表4.3。安装工程的主要技术措施准备工作表4.3工作内容基本要求完成时间备注施工方案编制在安装工程正式施工以前,先安排专人编制安装施工方案;安装工程开工前技术交底项目部技术负责人将安装施工方案向主要管理人员交底安装工程开工前用途层数面积(m2)主要做法需用时间办公室120兼用360加工区150钢管搭设700材料堆场150地面硬化700配合土建预留、埋测量、定位管道预制管道支架制安管道阀件安装设备安装管道安装系统试压、冲洗卫生设备安装给排水系统灌水通水试验交工验收工作内容基本要求完成时间备注针对各分项工程,在其正式施工以前进行专门的技术交底各分项工程施工前现场工长向作业班组进行交底各分项工程施工前五、主要分部分项工程施工方法1、给排水工程主要施工工艺(一)关键施工技术本专业的关键施工技术PPR塑料给水管热熔连接,管道试压,PVC塑料排水管安装。(二)主要施工步骤(1)给水管道安装施工程序:安装准备→材料检查→预留预埋→支架安装→管道预制加工→干管安装→立管安装→管道试压→支管安装→管道试压→管道防腐→管道冲洗。(2)排水管道安装施工程序:安装准备→材料检查→预留预埋→支架安装→立管安装→导管安装→干管安装→闭水试验→支管安装→闭水试验→承管安装→闭水试验...

1、当您付费下载文档后,您只拥有了使用权限,并不意味着购买了版权,文档只能用于自身使用,不得用于其他商业用途(如 [转卖]进行直接盈利或[编辑后售卖]进行间接盈利)。
2、本站所有内容均由合作方或网友上传,本站不对文档的完整性、权威性及其观点立场正确性做任何保证或承诺!文档内容仅供研究参考,付费前请自行鉴别。
3、如文档内容存在违规,或者侵犯商业秘密、侵犯著作权等,请点击“违规举报”。

碎片内容

B15水电安装施工方案

您可能关注的文档

确认删除?
VIP
微信客服
  • 扫码咨询
会员Q群
  • 会员专属群点击这里加入QQ群
客服邮箱
回到顶部