电脑桌面
添加小米粒文库到电脑桌面
安装后可以在桌面快捷访问

钻孔桩技术交底记录VIP免费

钻孔桩技术交底记录_第1页
1/9
钻孔桩技术交底记录_第2页
2/9
钻孔桩技术交底记录_第3页
3/9
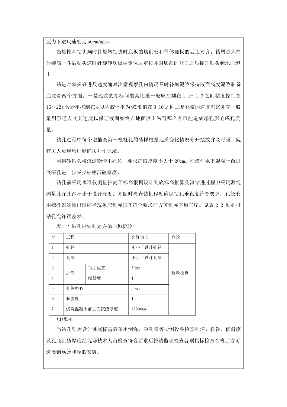
技术交底记录编FHEC—JL—JSC—JD—09—015工程名称交底日2021-7-20施工分项工程名称钻孔桩技术交底交底提要测量、检测、钢筋加工、砼浇筑交底内容:一、施工1、施工工艺钻孔桩根底施工工艺见图2-1。2.2工艺要点(1)施工准备①制作圆形砼垫块直径14cm厚度5cm中间穿孔孔内穿Φ10钢筋垫块砼与桩基砼同强度、同配合比采用拌合站统一拌制。②准备足量的膨润土、火碱满足桩基造浆施工用量。③施工前在两墩柱间空余处建水池满足现场施工用水要求。④钻孔前要挖泥浆池循环利用泥浆。⑤制作探孔器直径等同钻孔桩直径底部做成锥形、上端设吊环长度为5米⑥钻孔场地采用机械将施工整平压实测量放线确定桩位人工埋设钢护筒。钢护筒内径比桩径大20cm护筒顶面高出施工水位或地下水位2.0m在旱地或筑岛时高出施工地面0.2-0.3m。护筒埋置深度须符合以下规定:黏性土不小于1m砂类土不小于2m当表层土松软时将护筒埋置到较坚硬实的土层中至少0.5m;岸滩上埋设护筒在护筒四周回填黏土并分层夯实;护筒顶面中心与设计桩位偏向不大于5cm倾斜度不大于1。〔2〕钻孔钻孔采用旋挖钻机、湿法成孔。护筒直径比桩径大20cm,钻孔前各项准备工作完成经检查满足要求后将钻机行驶到施工孔位调整桅杆角度操作卷扬机将钻头中心与钻孔中心对准并放入孔内调整钻机垂直度参数使钻杆垂直同时略微提升钻具确保钻头环浮动孔内。泥浆采用膨润土和火碱制成在泥浆池中用搅浆机将泥浆搅拌好后泥浆泵入孔内旋挖钻均匀缓慢钻进这样既钻进又起到泥浆护壁的作用。图2-1钻孔桩施工工艺流程图开孔前由质检工程师检查验收合格并经监理工程师复核无误后方可开钻。钻进过程中操作人员随时观察钻杆是否垂直并通过深度计数器控制钻孔深度。开场钻进时采用低速钻进主卷扬机钢丝绳承当不低于钻杆、钻具重量之和的20以保证孔位不产生偏向。钻进护筒以下3m可以采用高速钻进钻进速度与压力有关采用钻头与钻杆自重摩擦加压150MPa压力下进尺速度为20cm/min;200MPa压力下进尺速度为30cm/min;260MPa施工准备水性试验钢筋笼制作测孔深、孔径测量放样泥浆制备测孔深、泥浆指标、钻进速度测孔深、孔径、倾斜度测泥浆性能指标检查泥浆指标沉渣厚度制作混凝土试件钢护筒加工监理工程师签字认可埋设钢护筒钻机就位钻进中间检查终孔清孔测孔安放钢筋笼安放导二次清孔灌注混凝土凿桩头、检验接地钢筋设置监理工程师签字认可监理工程师签字认可监理工程师签字认可压力下进尺速度为50cm/min。当旋挖斗钻头顺时针旋转钻进时底板的切削板和筒体翻板的后边对齐。钻屑进入筒体装满一斗后钻头逆时针旋转底板由定位块定位并封底部的开口之后提升钻头到地面卸土。钻进时掌握好进尺速度随时注意观察孔内情况及时补加泥浆保持液面高度泥浆制备应注意两个方面:一是泥浆的指标问题其比重一般应控制在1.1~1.3之间粘度控制在16~22s含砂率控制在4以内胶体率为95PH值在8-10之间二是补浆的速度泥浆补充一般采用泵送方式其速度以保证液面始终在地面以上为否那么有可能造成塌孔影响成孔质量。钻孔过程中每个墩抽查第一根桩孔的碴样根据地质变化情况分开摆放并及时设计院有关人员现场进展确认并作记录。用捞砂钻头将沉淀物清出孔位。要求沉碴厚度不大于20cm。在灌注水下混凝土前进展清孔进一步减少桩底沉碴厚度。钻孔前采用水准仪测量护筒顶标高根据设计孔底标高推算孔深钻进过程中采用测绳测量孔深孔深不小于设计深度;并随时检查钻机程度确保钻孔垂直度符合要求;孔径采用探孔器测量出现缩径现象应进展扫孔符合要求前方可进展下道工序。见表2-2钻孔桩钻孔允许误差表。表2-2钻孔桩钻孔允许偏向和检验序工程允许偏向检验1孔径不小于设计孔径测量检查2孔深不小于设计孔深3护筒顶面位置50mm4倾斜度15孔位中心50mm6倾斜度17浇筑混凝土前桩底沉渣厚度≤200mm(3)验孔当钻孔到达设计桩底标高后采用测绳、验孔器等检测设备检查孔深、孔径、倾斜度及孔底沉碴厚度经现场技术人员检查符合要求后报请监理检查各项指标检查合格后方可进展钢筋笼和导的安装。〔4〕钢筋笼制作钢筋笼制作时对桩径≤1.5m的埋设声测3根桩径>1.5m时埋设声测4根检测采用外径为Φ57的钢上端高出基桩顶面必须≥20cm接头...

1、当您付费下载文档后,您只拥有了使用权限,并不意味着购买了版权,文档只能用于自身使用,不得用于其他商业用途(如 [转卖]进行直接盈利或[编辑后售卖]进行间接盈利)。
2、本站所有内容均由合作方或网友上传,本站不对文档的完整性、权威性及其观点立场正确性做任何保证或承诺!文档内容仅供研究参考,付费前请自行鉴别。
3、如文档内容存在违规,或者侵犯商业秘密、侵犯著作权等,请点击“违规举报”。

碎片内容

钻孔桩技术交底记录

确认删除?
VIP
微信客服
  • 扫码咨询
会员Q群
  • 会员专属群点击这里加入QQ群
客服邮箱
回到顶部