电脑桌面
添加小米粒文库到电脑桌面
安装后可以在桌面快捷访问

正泰电气工业园区混凝土构件监理实施细则VIP免费

正泰电气工业园区混凝土构件监理实施细则_第1页
1/8
正泰电气工业园区混凝土构件监理实施细则_第2页
2/8
正泰电气工业园区混凝土构件监理实施细则_第3页
3/8
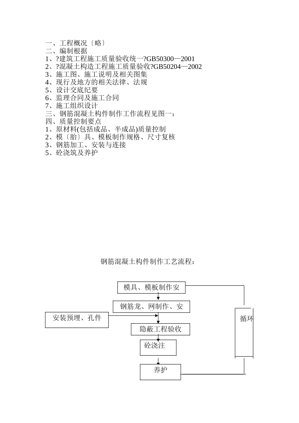
编:混凝土构件监理施行细那么工程名称正泰电气工业园区_编制陆建仁总监理工程师杨再兴日___2007-2__________上海建通工程建立一、工程概况〔略〕二、编制根据1、?建筑工程施工质量验收统一?GB50300—20012、?混凝土构造工程施工质量验收?GB50204—20023、施工图、施工说明及相关图集4、现行及地方的相关法律、法规5、设计交底纪要6、监理合同及施工合同7、施工组织设计三、钢筋混凝土构件制作工作流程见图一:四、质量控制要点1、原材料(包括成品、半成品)质量控制2、模〔胎〕具、模板制作规格、尺寸复核3、钢筋加工、安装与连接5、砼浇筑及养护钢筋混凝土构件制作工艺流程:循环模具、模板制作安装钢筋龙、网制作、安装安装预埋、孔件隐蔽工程验收砼浇注养护图一五、监理细那么〔一〕原材料〔成品、半成品〕1、钢筋①钢筋质量必须符合现行?钢筋混凝土用热轧带肋钢筋?GB1499等的规定钢筋进场须有合格证出厂检验并按规定抽样检验。②当钢筋有脆断、焊接性能不良或力学性能显著不正常等现象时应对该批钢筋进展化学成分检验或其他专项检验。③钢筋应平直、无损伤外表不得有裂纹、油污、颗粒状或片状老锈。2、混凝土①商品砼消费厂商的资质检测才能经营范围等应符合本工程要求所用原材料及外加剂应符合现行。②自拌砼〔须在符合和设计要求的条件下采用〕a、水泥质量必须符合现行?硅酸盐水泥、普通硅酸盐水泥?GB175等的规定其进场时须对其品种、级别、包装、出厂日等进展检查并按规定抽样就其强度、安定性及其他必要的性能指标进展复验。当在使用中对水泥质量有疑心或水泥出厂超过三个月〔快硬硅酸盐水泥超过一个月〕时应进展复验并按复验结果使用。b、普通混凝土所用的粗、细骨料的质量应符合现行?普通混凝土用碎石或卵石质量及检验?JGJ53、?普通混凝土用砂质量及检验?JGJ52的规定。严禁使用海砂。c、拌制混凝土宜采用饮用水;当采用其他水源时水质应符合现场?混凝土拌合用水?JGJ63的规定。d、混凝土中掺用外加剂的质量及应用技术应符合现行?混凝土外加剂?GB8076、?混凝土外加剂应用技术?GB50119等和有关环境保护的规定。当使用氯化物的外加剂时混凝土中氯化物的总含量应符合现行?混凝土质量控制?GB501的规定。e、混凝土中氯化物和碱的总含量应符合现行?混凝土构造设计?GB50010和设计的要求。f、混凝土应按现行?普通混凝土配合比设计规程?JGJ55的有关规定根据混凝土强度等级、耐久性和工作性等要求进展配合比设计。〔二〕模具模板工程1、模具及其固定件应根据工程构造形式、荷载大小、施工设备和材料供给等条件进展制作。模板模具及其固定件应具有足够的承载才能、刚度和稳定性能可靠地承受浇筑混凝土的重量、侧压力以及施工荷载。在浇筑混凝土前应对模具模板工程进展验收。2、涂刷模具模板的隔离剂不得沾污钢筋。3、模具模板应满足以下要求:a、模具模板的接缝不应漏浆;在浇筑混凝土前木模具模板应浇水潮湿但模内不应有积水;b、模具模板与混凝土的接触面应清理干净并应涂刷隔离剂但不得采用影响构造性能或阻碍装饰工程施工的隔离剂;c、浇筑混凝土前模具内的杂物应清理干净;5、对跨度不小于4m的钢筋混凝土梁、板构件应按设计要求起拱;当设计无详细要求时起拱高度宜为跨度的1/1000~3/1000。6、固定在模具模板上的预埋件、预留孔和预留洞均不得遗漏且应安装结实其偏向应符合表一的规定。表一:项目允许偏向〔mm〕预埋钢板中心线位置3预埋、预留孔中心线位置3插筋中心线位置5外露长度+100预埋螺栓中心线位置2外露长度+100预留洞中心线位置10尺寸+1007、模具模板的制作偏向应符合表二的规定。表二:项目允许偏向〔mm〕检验轴线位置5线尺、钢尺截面尺寸柱、墙、梁+4-5钢尺检查外表平整度52m靠尺和塞尺检查8、制作件脱模时的混凝土强度应符合设计要求;当设计无详细要求时混凝土中强度应符合表三的的规定。表三:构件类型构件跨度〔m〕到达设计的混凝土立方体抗压强度值的百分率〔〕板≤2≥50>2≤8≥75>8≥100梁、拱、壳≤8≥75>8≥100悬壁构件-≥1009、脱模时的混凝土强度应能保证其外表及棱角不受损伤。〔三〕钢筋工程1、钢筋的品种、级别、规格和数量应符合设计要求当需作变更时...

1、当您付费下载文档后,您只拥有了使用权限,并不意味着购买了版权,文档只能用于自身使用,不得用于其他商业用途(如 [转卖]进行直接盈利或[编辑后售卖]进行间接盈利)。
2、本站所有内容均由合作方或网友上传,本站不对文档的完整性、权威性及其观点立场正确性做任何保证或承诺!文档内容仅供研究参考,付费前请自行鉴别。
3、如文档内容存在违规,或者侵犯商业秘密、侵犯著作权等,请点击“违规举报”。

碎片内容

正泰电气工业园区混凝土构件监理实施细则

起跑线书城+ 关注
实名认证
内容提供者

热爱教学事业,对互联网知识分享很感兴趣

确认删除?
VIP
微信客服
  • 扫码咨询
会员Q群
  • 会员专属群点击这里加入QQ群
客服邮箱
回到顶部