电脑桌面
添加小米粒文库到电脑桌面
安装后可以在桌面快捷访问

046 混凝土板桩制作分项工程检验批质量验收记录 Tj4-1-03VIP免费

046 混凝土板桩制作分项工程检验批质量验收记录 Tj4-1-03_第1页
1/2
046 混凝土板桩制作分项工程检验批质量验收记录 Tj4-1-03_第2页
2/2
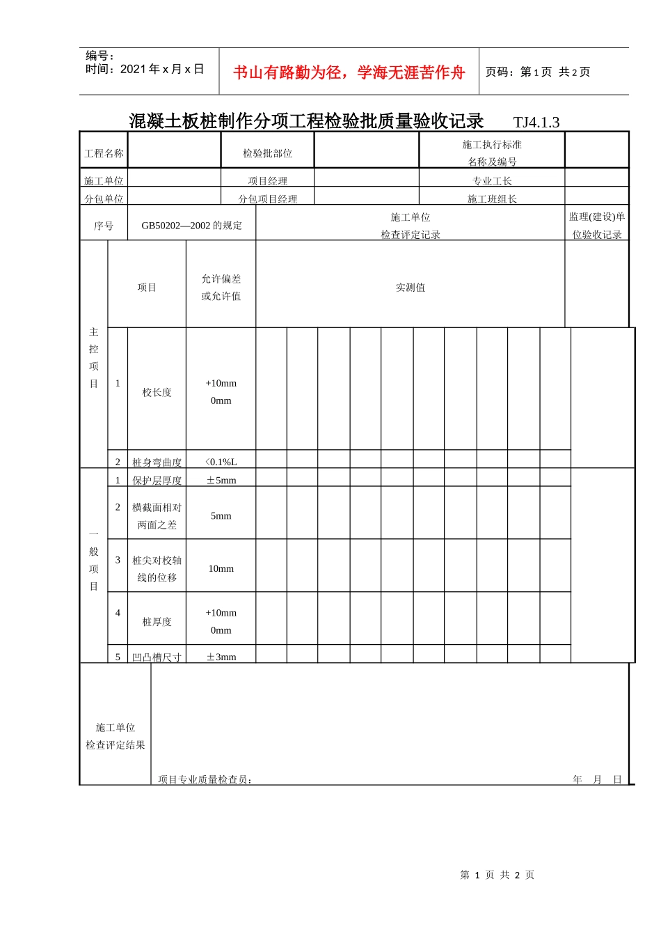
第1页共2页编号:时间:2021年x月x日书山有路勤为径,学海无涯苦作舟页码:第1页共2页混凝土板桩制作分项工程检验批质量验收记录TJ4.1.3工程名称检验批部位施工执行标准名称及编号施工单位项目经理专业工长分包单位分包项目经理施工班组长序号GB50202—2002的规定施工单位检查评定记录监理(建设)单位验收记录主控项目项目允许偏差或允许值实测值1校长度+10mm0mm2桩身弯曲度<0.1%L一般项目1保护层厚度±5mm2横截面相对两面之差5mm3桩尖对校轴线的位移10mm4桩厚度+10mm0mm5凹凸槽尺寸±3mm施工单位检查评定结果项目专业质量检查员:年月日第2页共2页第1页共2页编号:时间:2021年x月x日书山有路勤为径,学海无涯苦作舟页码:第2页共2页监理(建设)单位验收结论监理工程师(建设单位项目专业技术负责人):年月日

1、当您付费下载文档后,您只拥有了使用权限,并不意味着购买了版权,文档只能用于自身使用,不得用于其他商业用途(如 [转卖]进行直接盈利或[编辑后售卖]进行间接盈利)。
2、本站所有内容均由合作方或网友上传,本站不对文档的完整性、权威性及其观点立场正确性做任何保证或承诺!文档内容仅供研究参考,付费前请自行鉴别。
3、如文档内容存在违规,或者侵犯商业秘密、侵犯著作权等,请点击“违规举报”。

碎片内容

046 混凝土板桩制作分项工程检验批质量验收记录 Tj4-1-03

您可能关注的文档

精华资料店+ 关注
实名认证
内容提供者

大量教育教学资料

确认删除?
VIP
微信客服
  • 扫码咨询
会员Q群
  • 会员专属群点击这里加入QQ群
客服邮箱
回到顶部