电脑桌面
添加小米粒文库到电脑桌面
安装后可以在桌面快捷访问

220kv变电站电气一次部分初步设计VIP免费

220kv变电站电气一次部分初步设计_第1页
1/46
220kv变电站电气一次部分初步设计_第2页
2/46
220kv变电站电气一次部分初步设计_第3页
3/46
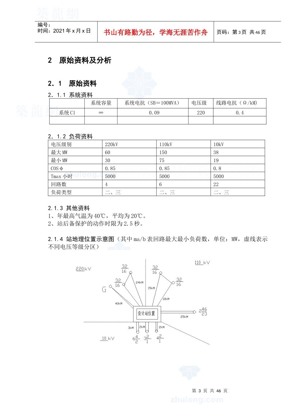
第1页共46页编号:时间:2021年x月x日书山有路勤为径,学海无涯苦作舟页码:第1页共46页毕业设计(论文)中文摘要目次1引言……………………………………………………………………………………22原始资料的分析…………………………………………………………………32.1原始资料…………………………………………………………………32..2原始资料分析…………………………………………………………………43变电站电气主接线的确定………………………………………………………53.1计算220kV侧的短路电流………………………………………………53.2变压器的选择……………………………………………………………………94短路电流计算…………………………………………………………………124.1作出系统的简化等值电路图……………………………………………124.2系统的参数计算…………………………………………………………………124.3短路点的选择…………………………………………………………………134.4计算短路电流…………………………………………………………………135电气设备的选择…………………………………………………………………155.1变压器变压器的选择……………………………………………………………155.2电抗器的选择…………………………………………………………………155.3主要电气设备的选择……………………………………………………………156继电保护与自动装置……………………………………………………………327防雷保护与接地……………………………………………………………327.1防雷保护……………………………………………………………………347.2避雷针防雷保护计算…………………………………………………………357.3接地装置……………………………………………………………………40结论……………………………………………………………………………………41致谢…………………………………………………………………………………42参考文献……………………………………………………………………………43主接线图………………………………………………………………………………44第2页共46页第1页共46页编号:时间:2021年x月x日书山有路勤为径,学海无涯苦作舟页码:第2页共46页1引言电力事业的日益发展紧系着国计民生。它的发展水平和电气的程度,是衡量一个国家的国民经济发展水平及其社会现代化水平高低的一个重要标志。党的十六大提出了全面建设小康社会的宏伟目标,从一定意义上讲,实现这个宏伟目标,需要强有力的电力支撑,需要安全可靠的电力供应,需要优质高效的电力服务。本毕业设计是在完成本专业所有课程后进行的综合能力考核。通过对原始资料的分析、主接线的选择及比较、短路电流的计算、主要电器设备的选择及校验、线路图的绘制以及避雷器针高度的选择等步骤、最终确定了220kV变电站所需的主要电器设备、主接线图以及变电站防雷保护方案。通过本次毕业设计,达到了巩固“发电厂电气部分”课程的理论知识,掌握变电站电气部分和防雷保护设计的基本方法,体验和巩固我们所学的专业基础和专业知识的水平和能力,培养我们运用所学知识去分析和解决与本专业相关的实际问题,培养我们独立分析和解决问题的能力的目的。务求使我们更加熟悉电气主接线,电力系统的潮流及短路计算以及各种电力手册及其电力专业工具书的使用,掌握变电站电气部分和防雷保护设计的基本方法,并在设计中增新、拓宽。提高专业知识,拓宽、提高专业知识,完善知识结构,开发创造型思维,提高专业技术水平和管理,增强计算机应用能力,成为一专多能的高层次复合型人才。第3页共46页第2页共46页编号:时间:2021年x月x日书山有路勤为径,学海无涯苦作舟页码:第3页共46页2原始资料及分析2.1原始资料2.1.1系统资料系统容量系统电抗(SB=100MVA)电压级线路电抗(Ω/kM)系统C1∞0.092200.42.1.2负荷资料电压级别220kV110kV10kV最大MW6015038最小MW307519COSφ0.850.850.8Tmax小时500050005000回路数4622负荷类型二、三二、三二、三2.1.3其他资料1、年最高气温为40℃...

1、当您付费下载文档后,您只拥有了使用权限,并不意味着购买了版权,文档只能用于自身使用,不得用于其他商业用途(如 [转卖]进行直接盈利或[编辑后售卖]进行间接盈利)。
2、本站所有内容均由合作方或网友上传,本站不对文档的完整性、权威性及其观点立场正确性做任何保证或承诺!文档内容仅供研究参考,付费前请自行鉴别。
3、如文档内容存在违规,或者侵犯商业秘密、侵犯著作权等,请点击“违规举报”。

碎片内容

220kv变电站电气一次部分初步设计

精华资料店+ 关注
实名认证
内容提供者

大量教育教学资料

确认删除?
VIP
微信客服
  • 扫码咨询
会员Q群
  • 会员专属群点击这里加入QQ群
客服邮箱
回到顶部