电脑桌面
添加小米粒文库到电脑桌面
安装后可以在桌面快捷访问

临沂市烟草有限公司综合业务用房新质量技术部520VIP专享VIP免费

临沂市烟草有限公司综合业务用房新质量技术部520_第1页
1/127
临沂市烟草有限公司综合业务用房新质量技术部520_第2页
2/127
临沂市烟草有限公司综合业务用房新质量技术部520_第3页
3/127
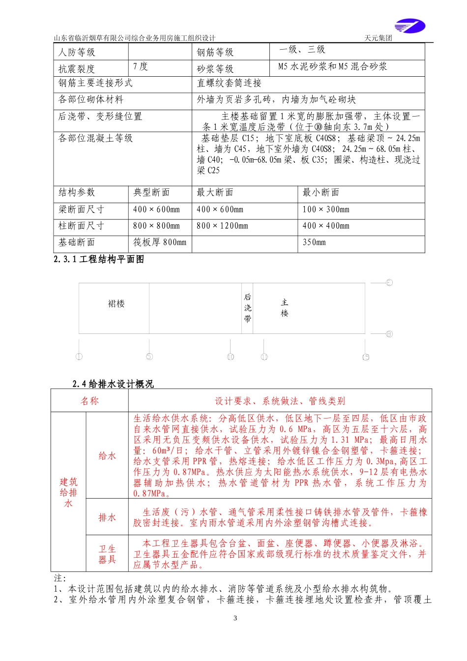
山东省临沂烟草有限公司综合业务用房施工组织设计天元集团目录第一章、编制依据………………………………………………………………2第二章、工程概况………………………………………………………………22.1工程总体概况………………………………………………………………22.2建筑设计概况……………………………………………………………22.3结构设计概况………………………………………………………………22.4专业设计概况………………………………………………………………3第三章、项目质量策划…………………………………………………………53.1项目质量管理体系…………………………………………………………53.2质量目标分解……………………………………………………………93.3工程所需监视和测量仪器设备……………………………………………103.4工程施工重点难点一揽表……………………………………………11第四章、施工准备………………………………………………………………134.1施工技术准备……………………………………………………………134.2劳动组织准备……………………………………………………………204.3施工物资准备……………………………………………………………204.4施工现场准备……………………………………………………………21第五章、施工方案………………………………………………………………215.1施工顺序和流向……………………………………………………………215.2施工段的划分………………………………………………………………235.3主要分部分项工程施工技术措施…………………………………………235.3.1测量与放线……………………………………………………………235.3.2土方工程………………………………………………………………265.3.3地下防水工程……………………………………………………………275.3.4基础工程………………………………………………………………275.3.5主体结构工程…………………………………………………………365.3.6填充墙砌筑工程…………………………………………………………545.3.7装修工程…………………………………………………………………545.3.8门窗工程………………………………………………………………575.3.9楼地面工程……………………………………………………………575.3.10涂料工程………………………………………………………………595.3.11屋面工程……………………………………………………………595.4脚手架搭设方案…………………………………………61第六章、施工管理措施………………………………………………………1016.1季节性施工措施………………………………………………………1016.2施工质量技术管理措施…………………………………………………1036.3安全施工技术措施………………………………………………………1056.4文明施工管理措施………………………………………………………1106.5安计费投入计划……………………………………………………………115第七章、施工平面布置图………………………………………………………1177.1现场临时用水、临时用电施工组织设计第八章、技术经济指标……………………………………………………124第九章、附表…………………………………………………………………125第一章、编制依据1、集团《质量手册》、《程序文件》;2、山东省临沂市烟草有限公司综合业务用房工程施工图纸及其标准图集;3、山东省临沂市烟草有限公司综合业务用房工程地质勘探报告;4、山东省临沂市烟草有限公司综合业务用房工程预算书和《建筑施工承包合同》;5、工期、质量和成本控制目标;6、有关的国家方针、政策;1山东省临沂烟草有限公司综合业务用房施工组织设计天元集团7、国家现行有关规范、标准、规程。第二章工程概况2.1工程总体概况建设单位临沂市烟草有限公司建筑面积21241.00平方米监理单位济南市建设监理有限公司建筑层数地下1层,地上16层;局部三层设计单位山东省临沂市建筑设计研究院建筑高度主楼高度70.95m;裙楼高度16.90m勘察单位山东地矿开元勘...

1、当您付费下载文档后,您只拥有了使用权限,并不意味着购买了版权,文档只能用于自身使用,不得用于其他商业用途(如 [转卖]进行直接盈利或[编辑后售卖]进行间接盈利)。
2、本站所有内容均由合作方或网友上传,本站不对文档的完整性、权威性及其观点立场正确性做任何保证或承诺!文档内容仅供研究参考,付费前请自行鉴别。
3、如文档内容存在违规,或者侵犯商业秘密、侵犯著作权等,请点击“违规举报”。

碎片内容

临沂市烟草有限公司综合业务用房新质量技术部520

确认删除?
VIP
微信客服
  • 扫码咨询
会员Q群
  • 会员专属群点击这里加入QQ群
客服邮箱
回到顶部