电脑桌面
添加小米粒文库到电脑桌面
安装后可以在桌面快捷访问

医药公司特麻药部经理职务说明书VIP免费

医药公司特麻药部经理职务说明书_第1页
1/4
医药公司特麻药部经理职务说明书_第2页
2/4
医药公司特麻药部经理职务说明书_第3页
3/4
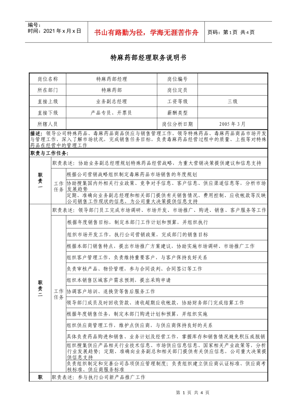
第1页共4页编号:时间:2021年x月x日书山有路勤为径,学海无涯苦作舟页码:第1页共4页特麻药部经理职务说明书岗位名称特麻药部经理岗位编号所在部门特麻药部岗位定员直接上级业务副总经理工资等级三级直接下级产品专员、开票员薪酬类型所辖人员岗位分析日期2005年3月描述:领导公司特殊药品、毒麻药品商品供应与销售管理工作,领导特殊药品、毒麻药品商品市场开发与管理工作,深入了解市场状况,完成销售任务目标,负责毒麻药品经营过程中的质量、上报等对特殊药品在经营中的管理工作职责与工作任务:职责一职责表述:协助业务副总经理规划特殊药品经营战略,为重大营销决策提供建议和信息支持工作任务根据公司营销战略组织制定毒麻药品市场销售的年度规划协助搜集国内外相关行业政策、竞争对手信息、客户信息、供应渠道信息等,分析市场发展趋势定期、准确向业务副总经理和相关部门提供有关销售情况、费用控制、应收帐款等反映公司销售工作现状的信息,为公司重大决策提供信息支持职责二职责表述:领导部门员工完成市场调研、市场开发、市场推广、购进、销售、客户服务等工作工作任务根据年度销售目标,制定本部门工作计划和预算,并组织执行组织市场开发工作,执行公司营销政策,完成部门的销售目标根据本部门销售特点,提出市场推广方案建议,协助实施市场调研、市场推广工作组织客户管理工作,负责维持重要客户,与客户保持良好关系负责审核产品、物价管理,参与合同谈判、合同签订等工作组织本销售区域客户需求预测,提出采购申请协调客户培训、退换货等售后服务工作领导部门成员及时回收货款、清收超期应收帐款,协助财务部门完成结算工作根据年度销售任务,制定本部门购进计划和预算,并组织实施组织供应商管理工作,维护点供应商,与供应商保持良好的关系具体负责药品购进和销售、业务计划及经营工作,掌握库存和销售情况避免积压或脱销组织搜集供应产品相关行业技术信息、市场供应信息信息、国家相关产业政策等,分析行业发展趋势;定期、准确向业务副总和相关部门提供有关供应信息,公司重大决策提供信息支持负责组织制定和完善公司各项供应管理制度;负责组织建立供应商认证标准、供应商考核标准、供应商服务标准职职责表述:参与执行公司新产品推广工作第2页共4页第1页共4页编号:时间:2021年x月x日书山有路勤为径,学海无涯苦作舟页码:第2页共4页责三工作任务根据本地区市场特点,提出新产品引入、新产品市场开发建议参与新产品市场推广,组织新产品销售职责四职责表述:负责特麻药部内部的组织管理工作任务负责本部门员工队伍建设,提出对下属人员的调配、培训、考核意见参与销售管理制度的制定、采购制度的制定与建议,检查本部门执行情况负责协调下属业务员之间、本部门与相关部门之间关系监督分管部门的工作目标和经费预算的执行情况,及时给予指导职责五职责表述:经营工作过程中的质量管理工作任务认真贯彻《中华人民共和国药品管理法》、《药品经营质量管理规范》等法律法规及本公司的质量管理制度坚持“质量第一”的原则,正确处理质量与经济效益的关系,积极推进本公司质量方针、目标的实施及质量体系的正常运行对供货单位、购货单位进行资格认证,杜绝与非法供货方及购货方发生业务往来汇同质量部对供货单位的质量保证能力进行审核,必要时进行考察,审核签订购进合同时必须有明确质量条款负责对首营企业和首营品种以及销后退回和购进退出等药品审核组织制订采购计划,并保证计划的有关人员所作各项记录及上报的各种报表进行检查掌握销售过程中质量信息,发现质量问题及时与质量部联系处理,负责对质量问题、制度检查、审核存在的问题及改进措施的落实加强对经营人员的质量和业务知识教育和考核充分贯彻特殊药品在经营过程中、储运过程中、保管养护过程中管理规定职责五职责表述:完成总经理、业务副总经理交办的其他任务权力:营销规划建议权商品采购规划建议权市场推广方案建议权权限内采购、销售合同审批权,重大销售合同、供应合同审核权供应商(或销售客户、二级经销商)选择的建议权、资格的审核权销货退回、购进商品退厂审核权促销方案建议权、及...

1、当您付费下载文档后,您只拥有了使用权限,并不意味着购买了版权,文档只能用于自身使用,不得用于其他商业用途(如 [转卖]进行直接盈利或[编辑后售卖]进行间接盈利)。
2、本站所有内容均由合作方或网友上传,本站不对文档的完整性、权威性及其观点立场正确性做任何保证或承诺!文档内容仅供研究参考,付费前请自行鉴别。
3、如文档内容存在违规,或者侵犯商业秘密、侵犯著作权等,请点击“违规举报”。

碎片内容

医药公司特麻药部经理职务说明书

您可能关注的文档

确认删除?
VIP
微信客服
  • 扫码咨询
会员Q群
  • 会员专属群点击这里加入QQ群
客服邮箱
回到顶部