电脑桌面
添加小米粒文库到电脑桌面
安装后可以在桌面快捷访问

一般金属矿床工业指标一览表VIP免费

一般金属矿床工业指标一览表_第1页
1/7
一般金属矿床工业指标一览表_第2页
2/7
一般金属矿床工业指标一览表_第3页
3/7
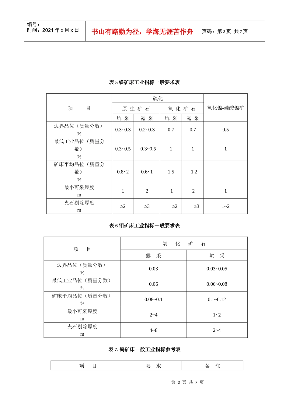
第1页共7页编号:时间:2021年x月x日书山有路勤为径,学海无涯苦作舟页码:第1页共7页一般金属矿床工业指标一览表(据地质勘查规范)表1岩金矿工业指标参考表项目指标边界品位(质量分数)(1×10-6)~(2×10-6),堆浸氧化矿石为(0.5×10-6)~(1×10-6)最低工业品位(质量分数)(2.5×10-6)~(4.5×10-6)矿床平均品位(质量分数)(4.5×10-6)~(5.5×10-6)最低可采厚度0.8m~1.5m,陡倾斜者为下限,缓倾斜至水平者为上限夹石剔除厚度2m~4m,地下开采者为下限,露天开采者为上限无矿段剔除标准对应工程10m~15m不对应工程20m~30m表2银矿床工业指标一般要求表项目指标边界品位(质量分数)g/t40~50最低工业品位(质量分数)g/t80~100矿床平均品位(质量分数)g/t>150最小可采厚度m0.8~1夹石剔除厚度m2~4第2页共7页第1页共7页编号:时间:2021年x月x日书山有路勤为径,学海无涯苦作舟页码:第2页共7页表3铜矿床工业指标一般要求项目硫化矿石氧化矿石坑采露采边界品位(质量分数)%0.2~0.30.20.5最低工业品位(质量分数)%0.4~0.50.40.7矿床平均品位(质量分数)%0.7~1.00.4~0.6最小可采厚度m1~22~41夹石剔除厚度m2~44~82表4铅锌矿床工业指标一般要求项目硫化矿石混合矿氧化矿石PbZnPbZnPbZn边界品位(质量分数)%0.3~0.50.5~10.5~0.70.8~1.50.5~11.5~2最低工业品位(质量分数)%0.7~11~21~1.52~31.5~23~6矿床平均品位(质量分数)%5~86~910~12最小可采厚度m1~21~21~2夹石剔除厚度m2~42~42~4第3页共7页第2页共7页编号:时间:2021年x月x日书山有路勤为径,学海无涯苦作舟页码:第3页共7页表5镍矿床工业指标一般要求表项目硫化氧化镍-硅酸镍矿原生矿石氧化矿石坑采露采坑采露采边界品位(质量分数)%0.3~0.30.2~0.30.70.70.5最低工业品位(质量分数)%0.3~0.50.3~0.5111矿床平均品位(质量分数)%0.8~20.6~11.51.2最小可采厚度m12121夹石剔除厚度m≥2≥3≥2≥31~2表6钼矿床工业指标一般要求表项目氧化矿石露采坑采边界品位(质量分数)%0.030.03~0.05最低工业品位(质量分数)%0.060.06~0.08矿床平均品位(质量分数)%0.08~0.10.1~0.12最小可采厚度m2~41~2夹石剔除厚度m4~82~4表7.钨矿床一般工业指标参考表项目要求备注第4页共7页第3页共7页编号:时间:2021年x月x日书山有路勤为径,学海无涯苦作舟页码:第4页共7页边界品位(WO3质量分数)0.064%~0.1%坑采厚度<0.8m时应考虑米百分值计算量低工业品位(WO3质量分数)0.12%~0.20%可采厚度≥1m~2m夹石剔厚度≥2m~5m表8.锡矿床一般工业指标参考表项目要求备注边界品位(Sn质量分数)0.1%~0.2%坑采厚度<0.8m时应考虑米百分值计算量低工业品位(Sn质量分数)0.2%~0.4%可采厚度≥(0.8m~1m)夹石剔除厚度≥2m表9.锑矿床一般工业指标参考表项目要求边界品位(Sb质量分数)0.5%~0.7%最低工业品位(Sb质量分数)1.0%~1.5%可采厚度≥0.8m~1m夹石剔除厚度≥2m注<0.8m时,按工业米百分值计算。第5页共7页第4页共7页编号:时间:2021年x月x日书山有路勤为径,学海无涯苦作舟页码:第5页共7页表10-1.炼钢用铁矿石一般工业指标矿石类型ω(TFe)主要有害物质其他有害物质ω(SiO2)ω(S)ω(P)磁铁矿石赤铁矿石≥56%≤13%≤0.15%≤0.15%ω(Cu)≤0.2%ω(As)≤0.1%注:矿石块度要求为平炉用铁矿石25mm~250mm;电炉用铁矿石50mm~100mm;转炉用铁矿石10mm~50mm.表10-2.炼铁用铁矿石一般工业指标矿石类型ω(TFe)主要有害物质其他有害物质ω(SiO2)ω(S)ω(P)磁铁矿石赤铁矿石褐铁矿石菱铁矿石≥50%≤18%≤30%≤0.25%ω(Cu)≤0.2%ω(Pb)≤0.1%ω(Zn)≤0.1%ω(Sn)≤0.08%ω(As)≤0.07%ω(F)≤1.0%表10-3.需要进行选矿的铁矿石一般工业指标矿石类型ω(TFe)%边界品位工业品位磁铁矿石≥20%ω(mFe)≥15%≥25ω(mFe)≥20%第6页共7页第5页共7页编号:时间:2021年x月x日书山有路勤为径,学海无涯苦作舟页码:第6页共7页赤铁矿石褐铁矿石菱铁矿石≥25≥20≥2528~30≥25≥30表11-1冶金用锰矿石一般工业指标自然分类工业分类品级ω(Mn)%ω(Mn+Fe)%ω(Mn)/)ωFe)%每1%锰允许含磷量%ω(SiO2)%边界品位单工程平...

1、当您付费下载文档后,您只拥有了使用权限,并不意味着购买了版权,文档只能用于自身使用,不得用于其他商业用途(如 [转卖]进行直接盈利或[编辑后售卖]进行间接盈利)。
2、本站所有内容均由合作方或网友上传,本站不对文档的完整性、权威性及其观点立场正确性做任何保证或承诺!文档内容仅供研究参考,付费前请自行鉴别。
3、如文档内容存在违规,或者侵犯商业秘密、侵犯著作权等,请点击“违规举报”。

碎片内容

一般金属矿床工业指标一览表

您可能关注的文档

确认删除?
VIP
微信客服
  • 扫码咨询
会员Q群
  • 会员专属群点击这里加入QQ群
客服邮箱
回到顶部