电脑桌面
添加小米粒文库到电脑桌面
安装后可以在桌面快捷访问

假山叠石单位工程表格VIP免费

假山叠石单位工程表格_第1页
1/11
假山叠石单位工程表格_第2页
2/11
假山叠石单位工程表格_第3页
3/11
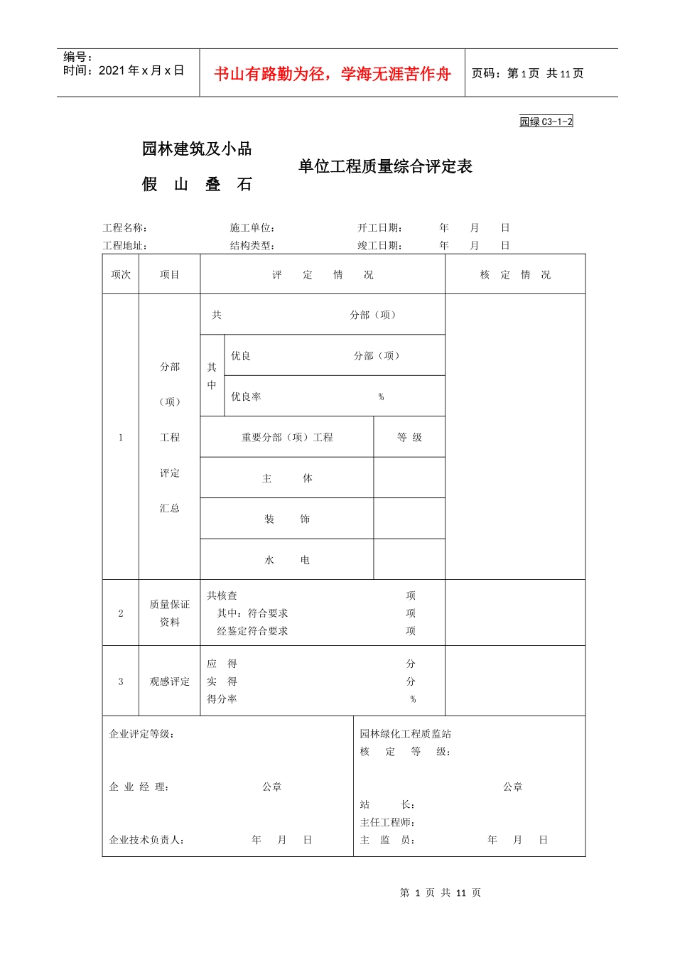
第1页共11页编号:时间:2021年x月x日书山有路勤为径,学海无涯苦作舟页码:第1页共11页园绿C3-1-2园林建筑及小品单位工程质量综合评定表假山叠石工程名称:施工单位:开工日期:年月日工程地址:结构类型:竣工日期:年月日项次项目评定情况核定情况1分部(项)工程评定汇总共分部(项)其中优良分部(项)优良率%重要分部(项)工程等级主体装饰水电2质量保证资料共核查项其中:符合要求项经鉴定符合要求项3观感评定应得分实得分得分率%企业评定等级:企业经理:公章企业技术负责人:年月日园林绿化工程质监站核定等级:公章站长:主任工程师:主监员:年月日第2页共11页第1页共11页编号:时间:2021年x月x日书山有路勤为径,学海无涯苦作舟页码:第2页共11页制表人:年月日园绿C3-3-4假山叠石单位工程观感质量评定表工程名称:序号项目名称标准分评定等级备注一级100%二级90%三级80%四级70%五级0%一假山叠石471石料搭配比例82冲洗清洁73嵌缝94预埋设施85瀑布56汀步57石笋孤赏石5二艺术造型25三安全(质量)201搭接牢度72稳固73使用安全6四水电8第3页共11页第2页共11页编号:时间:2021年x月x日书山有路勤为径,学海无涯苦作舟页码:第3页共11页合计100应得分,实得分,得分率%检查人员:年月日园绿1-1-7假(土)山基础及土方分项工程质量检验评定表[适用于假(土)山工程基础及土方工程]工程名称:部位:保证项目项目质量情况1基础开挖土方深度必须至老土2假山叠石工程中除土包石以外,基础均须经设计认可3假(土)山、河底、堤岸、涵管工程基础必须符合设计要求4基础用混凝土强度必须符合施工规范的规定5假(土)山工程基础及土方工程须进行验收(附表)允许偏差项目项目允许偏差(mm)实测值(mm)基面、柱桩123456789101基础标高+0、–50长度、宽度+100、–02桩(混凝土)基础长–0、+100粗(宽)–0、+20间距+20、–03土方表面平整度+0、–50检查结果保证项目允许偏差项目实测点,其中合格点,合格率%第4页共11页第3页共11页编号:时间:2021年x月x日书山有路勤为径,学海无涯苦作舟页码:第4页共11页评定等级施工单位:工程技术负责人:核定等级监理单位:监理工程师:年月日园绿1-1-7附表基础及土方工程验收表工程名称部位验收日期年月日基底土质及桩(混凝土)情况施工单位验收人施工负责人施工单位验收意见设计单位验收意见建设单位验收意见监理单位验收意见第5页共11页第4页共11页编号:时间:2021年x月x日书山有路勤为径,学海无涯苦作舟页码:第5页共11页汇总意见备注年月日园山4—1石假山山体造型分项工程质量检验评定表工程名称:部位:保证项目项目质量情况1石料的品种、材质、规格及加工程度,应符合设计要求和传统做法2石料的纹理应符合受力要求3粘结用材料或混凝土强度必须符合施工规范的规定基本项目项目质量情况等级123456789101纹理基本一致2无明显裂缝、损伤、剥落现象3石料搁置稳固4堆叠搭接处冲洗清洁5搭接勾嵌缝平直光滑6钩托铁件无外露7山脚铺设到位允许采用项目项目允许采用实测值(mm)太湖石风化石灰石青石黄石条石长片石废石渣123456789101环透式结构不规则孔洞山石√√有孔穴的山石√√2层叠式结构水平层叠√√斜面层叠√√3竖立式结构直立叠砌√√斜立叠砌√√第6页共11页第5页共11页编号:时间:2021年x月x日书山有路勤为径,学海无涯苦作舟页码:第6页共11页4填充式结构回填泥土、废石渣√混凝土填充检查结果保证项目基本项目检查项,其中优良项,优良率%允许偏差项目实测点,其中合格点,合格率%评定等级施工单位:工程技术负责人:核定等级监理单位:监理工程师:年月日园山4—2石假山山洞结构造型分项工程质量检验评定表工程名称:部位:保证项目项目质量情况1石料的品种、材质、规格及加工程度,应符合设计要求和传统做法2石料的纹理应符合受力要求3粘结用材料或混凝土强度必须符合施工规范的规定基本项目项目质量情况等级123456789101纹理基本一致2无明显裂缝、损伤、剥落现象3石料搁置稳固4堆叠搭接处冲洗清洁5搭接勾嵌缝平直光滑6钩托铁件无外露7无明显突石、利石8有适当的采光特别注意项目项目技术要求质量情况整体性稳定性平顺性安全性123...

1、当您付费下载文档后,您只拥有了使用权限,并不意味着购买了版权,文档只能用于自身使用,不得用于其他商业用途(如 [转卖]进行直接盈利或[编辑后售卖]进行间接盈利)。
2、本站所有内容均由合作方或网友上传,本站不对文档的完整性、权威性及其观点立场正确性做任何保证或承诺!文档内容仅供研究参考,付费前请自行鉴别。
3、如文档内容存在违规,或者侵犯商业秘密、侵犯著作权等,请点击“违规举报”。

碎片内容

假山叠石单位工程表格

您可能关注的文档

确认删除?
VIP
微信客服
  • 扫码咨询
会员Q群
  • 会员专属群点击这里加入QQ群
客服邮箱
回到顶部