电脑桌面
添加小米粒文库到电脑桌面
安装后可以在桌面快捷访问

XXXX年度施工组织设计_secret(DOC81页)VIP免费

XXXX年度施工组织设计_secret(DOC81页)_第1页
1/73
XXXX年度施工组织设计_secret(DOC81页)_第2页
2/73
XXXX年度施工组织设计_secret(DOC81页)_第3页
3/73
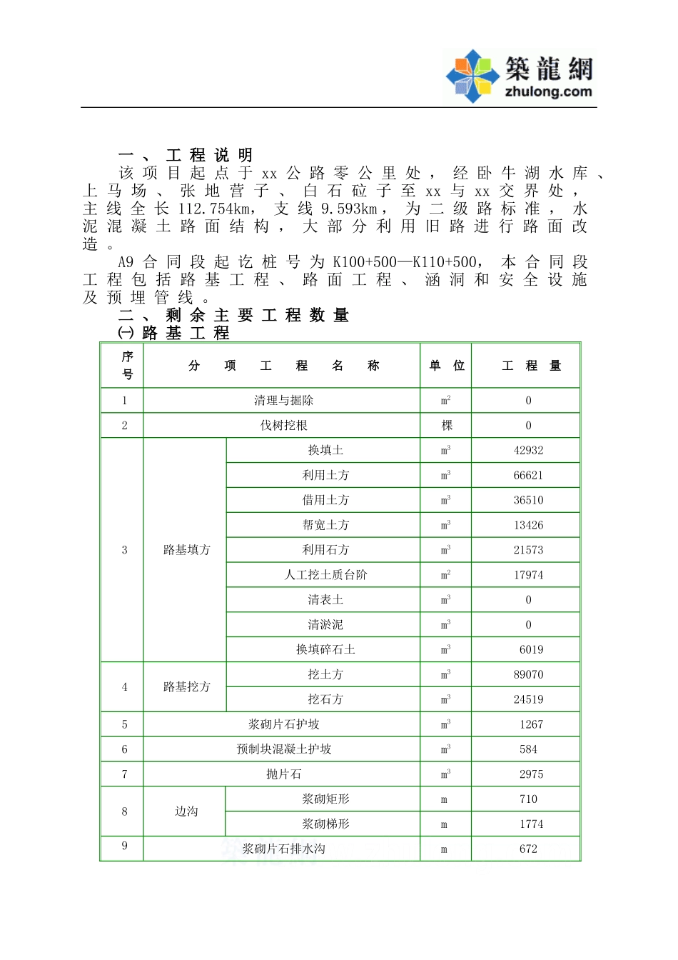
第一章编制依据及原则一、编制依据㈠xx市xx公路工程建设指挥部提供的xx公路xx至xx段工程项目第A9合同段招标文件、设计图纸、参考资料和补遗书。㈡现行公路设计规范、施工规范、施工技术规程、质量评定标准与验收办法。㈢在2006年10月15日自2007年4月15日完成工程及剩余工程情况。㈣建设同类及类似工程的施工经验、科技成果及用于本合同段施工队伍的施工设备和技术力量情况。㈤黑龙江省人民政府、地方人民政府及其所属有关部门在施工安全、工地治安、人员健康、环境保护及土地租用等方面的具体规定与技术标准。二、编制原则以我公司现有的技术力量和历年来在公路、桥涵和市政建设项目中有关工程施工的经验作为基点,以满足招标文件及合同条款的要求为指导思想,以确保本工程的质量、安全、工期、环保目标为出发点,本着优质、高效、经济、合理的原则,按ISO90001标准建立的质量体系要求运作,以总工期12个月,即2006年10月15日正式开工,2007年10月15日竣工作为控制工期目标,根据各分项工程的施工方法和工艺技术方案,统筹考虑施工总体布署。第二章工程概述一、工程说明该项目起点于xx公路零公里处,经卧牛湖水库、上马场、张地营子、白石砬子至xx与xx交界处,主线全长112.754km,支线9.593km,为二级路标准,水泥混凝土路面结构,大部分利用旧路进行路面改造。A9合同段起讫桩号为K100+500—K110+500,本合同段工程包括路基工程、路面工程、涵洞和安全设施及预埋管线。二、剩余主要工程数量㈠路基工程序号分项工程名称单位工程量1清理与掘除m202伐树挖根棵03路基填方换填土m342932利用土方m366621借用土方m336510帮宽土方m313426利用石方m321573人工挖土质台阶m217974清表土m30清淤泥m30换填碎石土m360194路基挖方挖土方m389070挖石方m3245195浆砌片石护坡m312676预制块混凝土护坡m35847抛片石m329758边沟浆砌矩形m710浆砌梯形m17749浆砌片石排水沟m67210浆砌片石截水沟m147711土质边沟m11214㈡桥涵工程序号名称类型工程量1涵洞1-Ф1.0m钢筋混凝土圆管涵1651-Ф1.5m钢筋混凝土圆管涵421-4m钢筋混凝土盖板涵02桥梁K101+312小桥0中桥维修2座㈢路面工程项目名称单位数量碎石垫层厚m213525%水泥砂砾稳定土底基层m2852786%水泥砂砾稳定土基层m285278砂土磨耗层m21352水泥混凝土面板m275410钢筋吨36.305培土路肩m29200㈣安全设施及预埋管线序号项目名称单位数量备注1单柱式交通标志个232双柱式交通标志个23里程碑个104公路界碑个405热熔型涂料路面标线m24167.216柱式轮廓标个90三、主要技术指标序号指标名称单位参数1设计速度km/h60(主线)、30(支线)2路基宽度m12.0(8.5)/7.53行车道宽度m2×3.5/2×34土路肩宽度m2×1.0(0.5)/2×0.55硬路肩宽度m2×1.0(0.25)/2×0.256一般最小平曲线半径m125/657最大纵度%5.9/88设计洪水频率大、中桥1/100、小、桥涵1/509桥涵设计菏栽公路—Ⅱ级四、气候情况该项目所处自然区划为I2区,气候类型属寒温带大陆季节气候,冬季在大陆气团控制下,气候寒冷、干燥,夏季受副热带海洋气团的影响,降雨集中,气候温热,湿度大、日照长,春秋雨季是冬夏交替的过渡季节,天气多变、春风大、降雨少、易发生干旱,秋季气温急降,常有寒潮出现,霜冻发生,全年日照时间约为2400—2700小时,无霜期短,平均无霜期76—109天,年平均气温-2.3℃,最高气温37.9℃,极端最低气温-49℃,年平均降雨量为500—700毫米,降雨期集中在7—9月份,降水占全年的65℅,年蒸发量为123mm,最大积雪厚度为78cm,主导风向WSW,最大风速35m/s,平均风速3.4m/s,最大冻土深度298厘米。五、施工条件㈠交通运输条件交通运输可利用原乡村道路,交通运输方便、快捷,可满足施工需要。㈡施工用水条件沿线水资源丰富,水质较好,水量充足,可用于路面工程及涵洞等构造物施工。㈢施工用电条件结合本合同段的现场施工条件,施工用电拟国电为主,自发电为辅,施工现场拟配备足够的内燃发电机。㈣对外通讯条件项目经理部安装宽带网,与监理办、挥挥部通过网络进行联系,同时移动电话等无线通讯设备也能满足通讯需要。㈤动力条件汽油、柴油从xx油库或附近镇内购买,在现场设置储油罐,以便施工。㈥...

1、当您付费下载文档后,您只拥有了使用权限,并不意味着购买了版权,文档只能用于自身使用,不得用于其他商业用途(如 [转卖]进行直接盈利或[编辑后售卖]进行间接盈利)。
2、本站所有内容均由合作方或网友上传,本站不对文档的完整性、权威性及其观点立场正确性做任何保证或承诺!文档内容仅供研究参考,付费前请自行鉴别。
3、如文档内容存在违规,或者侵犯商业秘密、侵犯著作权等,请点击“违规举报”。

碎片内容

XXXX年度施工组织设计_secret(DOC81页)

您可能关注的文档

确认删除?
VIP
微信客服
  • 扫码咨询
会员Q群
  • 会员专属群点击这里加入QQ群
客服邮箱
回到顶部