电脑桌面
添加小米粒文库到电脑桌面
安装后可以在桌面快捷访问

《工程造价管理基础理论与相关法规》真题VIP免费

《工程造价管理基础理论与相关法规》真题_第1页
1/12
《工程造价管理基础理论与相关法规》真题_第2页
2/12
《工程造价管理基础理论与相关法规》真题_第3页
3/12
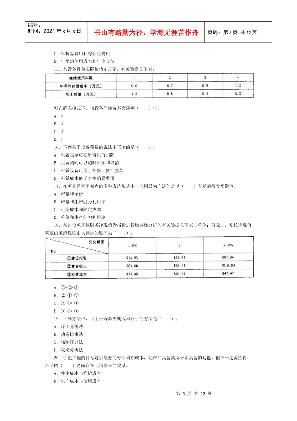
第1页共12页编号:时间:2021年x月x日书山有路勤为径,学海无涯苦作舟页码:第1页共12页2007年造价工程师《工程造价管理基础理论与相关法规》真题一、单项选择题(共60分,每题1分。每题的备选项中,只有一个最符合题意)1.生产性建设项目的总投资包括()两部分。A.建安工程投资和设备、工器具购置费B.建安工程投资和工程建设其他费用C.固定资产投资和流动资产投资D.固定资产静态投资和动态投资2.建设工程造价的最高限额是按照有关规定编制并经有关部门批准的()。A.初步投资估算B.施工图预算C.施工标底D.初步设计总概算3.应用美国建筑师学会(AIA)合同条件时,采用不同的计价方式只需选用相应的()即可。A.协议书格式与通用条件B.通用条件与专用条件C.专用条件与财务管理表格D.财务管理表格与协议书格式4.下列属于注册造价工程师权利的是()。A.以个人名义承接工程造价业务B.发起设立工程造价咨询企业C.审批工程进度款支付额度D.审批工程变更价款5.根据《工程造价咨询企业管理办法》,在工程造价咨询企业出资人中,注册造价工程师人数至少为出资人总人数的()。A.30%B.40%C.50%D.60%6.根据《工程造价咨询企业管理办法》,下列属于工程造价咨询企业业务范围的是()。A.工程竣工结算报告的审核B.工程项目经济评价报告的审批C.工程项目设计方案的比选D.工程造价经济纠纷的仲裁7.根据《工程造价咨询企业管理办法》,新申请工程造价咨询企业资质的,其资质等级按照相应的第2页共12页第1页共12页编号:时间:2021年x月x日书山有路勤为径,学海无涯苦作舟页码:第2页共12页资质标准()。A.可核定为甲级,并设暂定期1年B.只能核定为乙级,并设暂定期1年C.只能核定为乙级,并设暂定期2年D.只能核定为丙级,并设暂定期1年8.利率是各国调整国民经济的杠杆之一。其高低首先取决于()。A.金融市场借贷资本的供求状况B.借贷资本的期限C.通货膨胀的波动影响D.社会平均利润率的高低9.某企业在第一年初向银行借款300万元用于购置设备,贷款年有救利率为8%,每半年计息一次,今后5年内每年6月底和12月底等额还本付息。则该企业每次偿还本意()万元。A.35.46B.36.85C.36.99D.37.5710.某建设项目建设期2年,运营期8年。建设投资(不舍建设期利息)为7000万元。其中。第1年自有资金投入4000万元,第2年贷款投人3000万元,贷款年利率为8%。流动资金800万元。全部为自有资金。运营期各年净收益均为1300万元。则该项目投资收益率为()。A.16.17%B.16.41%C.16.67%D.18.57%11.偿债备付事是指建设项目在借款偿还期内()的比值。A.可用于支付利息的息税前利润与当期应还本付息金额B.可用于支付利息的息税前利润与当期应付利息费用C.可用于还本付息的资金与当期应付利息费用D.可用于还本付息的资金与当期应还本付息金额12.为了限制对风险大、盈利低的项目进行投资,在进行项目经济评价时,可以采取提高()的方法。A.基准收益率B.投资收益率C.投资报酬率D.内部收益事13.在评价投资方案经济效果时,如果A、B两个方案中缺少任何一个。另一个就不能正常运行,则A、B两方案称为()。A.组合型B.互补型C.混合型D.相关型14.评价计算期相同的互斥方案经济效果时。可采用的静态评价指标是()。A.增量投资收益率和增量内部收益率B.增量投资回收期和内部收益率第3页共12页第2页共12页编号:时间:2021年x月x日书山有路勤为径,学海无涯苦作舟页码:第3页共12页C.年折算费用和综合总费用D.年平均使用成本和年净收益15.某设备目前实际价值4万元,有关数据见下表:则在静态模式下,该设备的经济寿命还剩()年。A.4B.3C.2D.116.下列关于设备租赁的说法中正确的是()。A.设备租金可在所得税前扣除B.租赁契约可以随时中止和取消C.租赁设备可用于担保、抵押贷款D.租赁成本低于直接购置费用17.在项目盈亏平衡点的多种表达形式中,应用最为广泛的是以()表示的盈亏平衡点。A.产量和单价B.产量和生产能力利用率C.可变成本和固定成本D.单价和生产能力利用率18.某建设项目以财务净现值为指标进行敏感性分析的有关数...

1、当您付费下载文档后,您只拥有了使用权限,并不意味着购买了版权,文档只能用于自身使用,不得用于其他商业用途(如 [转卖]进行直接盈利或[编辑后售卖]进行间接盈利)。
2、本站所有内容均由合作方或网友上传,本站不对文档的完整性、权威性及其观点立场正确性做任何保证或承诺!文档内容仅供研究参考,付费前请自行鉴别。
3、如文档内容存在违规,或者侵犯商业秘密、侵犯著作权等,请点击“违规举报”。

碎片内容

《工程造价管理基础理论与相关法规》真题

精品中小学资料+ 关注
实名认证
内容提供者

精品文档

确认删除?
VIP
微信客服
  • 扫码咨询
会员Q群
  • 会员专属群点击这里加入QQ群
客服邮箱
回到顶部