电脑桌面
添加小米粒文库到电脑桌面
安装后可以在桌面快捷访问

XXXX最新版,水利工程普通混凝土工程质量评定表及填表说明VIP免费

XXXX最新版,水利工程普通混凝土工程质量评定表及填表说明_第1页
1/133
XXXX最新版,水利工程普通混凝土工程质量评定表及填表说明_第2页
2/133
XXXX最新版,水利工程普通混凝土工程质量评定表及填表说明_第3页
3/133
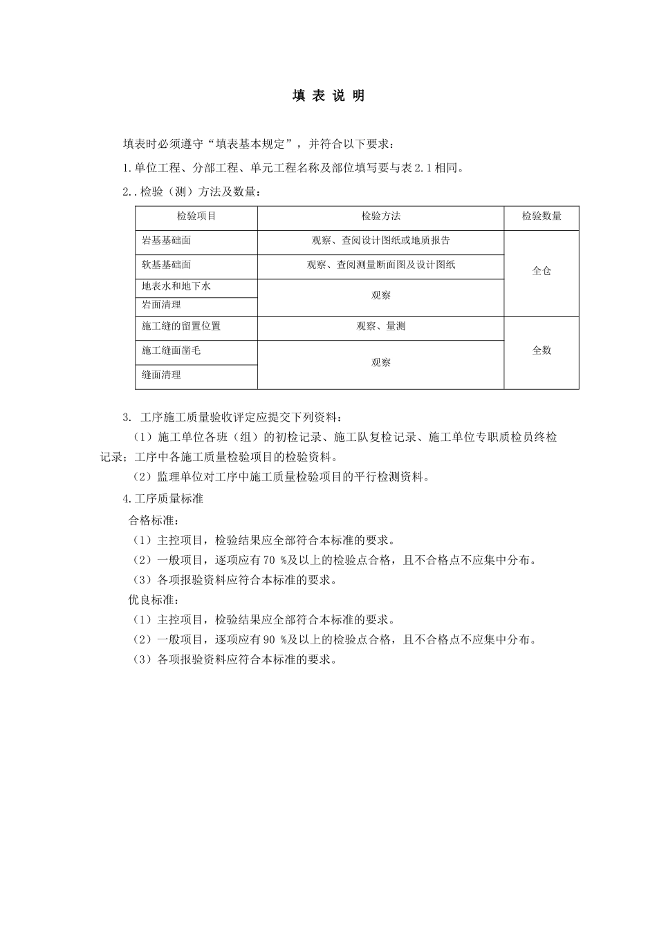
2.混凝土工程表2.1普通钢筋混凝土单元工程质量评定表填表说明填表时必须遵守“填表基本规定”,并符合以下要求:1.单元工程划分:宜以混凝土浇筑仓号或一次检查验收范围划分。对混凝土浇筑仓号,应按每一仓号分为一个单元工程;对排架、梁、板、柱等构件,应按一次检查验收的范围分为一个单元工程。2.单元工程量:填写本单元工程混凝土浇筑量(m3)。3.本单元工程分为基础面或施工缝处理、模板安装、钢筋制作及安装、预埋件(止水、伸缩缝等)制作及安装、混凝土浇筑(含养护、脱模)、外观质量检查6个工序,其中钢筋制作及安装、混凝土浇筑(含养护、脱模)工序宜为主要工序。本表是在表2.1.1~2.1.6工序质量验收评定后完成。4.单元工程施工质量验收评定应提交下列资料:(1)施工单位应提交单元工程中所含工序(或检验项目)验收评定的检验资料,原材料、拌和物与各项实体检验项目的检验记录资料。(2)监理单位应提交对单元工程施工质量的平行检测资料。5.单元工程质量标准合格标准:各工序施工质量验收评定应全部合格;各项报验资料应符合本标准的要求。优良标准:各工序施工质量验收评定应全部合格,其中优良工序应达到50%及以上,且主要工序应达到优良等级;各项报验资料应符合本标准的要求。水利水电工程表2.1普通混凝土单元工程施工质量验收评定表单位工程名称单元工程量分部工程名称施工单位单元工程名称、部位施工日期年月日~年月日项次工序编号工序质量验收评定等级1基础面、施工缝处理工序2模板制作及安装工序3△钢筋制作及安装工序4预埋件制作及安装工序5△混凝土浇筑工序6混凝土外观质量检查工序施工单位自评意见各工序施工质量全部合格,其中优良工序占%,且主要工序达到等级。单元工程质量等级评定为:(签字,加盖公章)年月日监理单位复核意见经抽查并查验相关检验报告和检验资料,各工序施工质量全部合格,其中优良工序占%,且主要工序达到等级单元工程质量等级评定为:(签字,加盖公章)年月日注1:对重要隐蔽单元工程和关键部位单元工程的施工质量验收评定应有设计、建设等单位的代表签字,具体要求应满足SL176的规定。注2:本表所填“单元工程量”不作为施工单位工程量结算计量的依据。表2.1.1基础面、施工缝工序施工质量验收评定表填表说明填表时必须遵守“填表基本规定”,并符合以下要求:1.单位工程、分部工程、单元工程名称及部位填写要与表2.1相同。2..检验(测)方法及数量:检验项目检验方法检验数量岩基基础面观察、查阅设计图纸或地质报告全仓软基基础面观察、查阅测量断面图及设计图纸地表水和地下水观察岩面清理施工缝的留置位置观察、量测全数施工缝面凿毛观察缝面清理3.工序施工质量验收评定应提交下列资料:(1)施工单位各班(组)的初检记录、施工队复检记录、施工单位专职质检员终检记录;工序中各施工质量检验项目的检验资料。(2)监理单位对工序中施工质量检验项目的平行检测资料。4.工序质量标准合格标准:(1)主控项目,检验结果应全部符合本标准的要求。(2)一般项目,逐项应有70%及以上的检验点合格,且不合格点不应集中分布。(3)各项报验资料应符合本标准的要求。优良标准:(1)主控项目,检验结果应全部符合本标准的要求。(2)一般项目,逐项应有90%及以上的检验点合格,且不合格点不应集中分布。(3)各项报验资料应符合本标准的要求。水利水电工程表2.1.1基础面、施工缝处理工序施工质量验收评定表单位工程名称工序编号分部工程名称施工单位单元工程名称、部位施工日期年月日~年月日项次检验项目质量标准检查(测)记录合格数合格率基础面主控项目1基础面岩基符合设计要求软基预留保护层已挖除;基础面符合设计要求2地表水和地下水妥善引排或封堵一般项目1岩面清理符合设计要求;清洗洁净、无积水、无积渣杂物施工缝处理主控项目1施工缝的留置位置符合设计或有关施工规范规定2施工缝面凿毛基面无乳皮,成毛面,微露粗砂一般项目1缝面清理符合设计要求;清洗洁净、无积水、无积渣杂物施工单位自评意见主控项目检验点100%合格,一般项目逐项检验点的合格率%,且不合格点不集中分布。工序质量等级评定为:(签字,加盖公...

1、当您付费下载文档后,您只拥有了使用权限,并不意味着购买了版权,文档只能用于自身使用,不得用于其他商业用途(如 [转卖]进行直接盈利或[编辑后售卖]进行间接盈利)。
2、本站所有内容均由合作方或网友上传,本站不对文档的完整性、权威性及其观点立场正确性做任何保证或承诺!文档内容仅供研究参考,付费前请自行鉴别。
3、如文档内容存在违规,或者侵犯商业秘密、侵犯著作权等,请点击“违规举报”。

碎片内容

XXXX最新版,水利工程普通混凝土工程质量评定表及填表说明

确认删除?
VIP
微信客服
  • 扫码咨询
会员Q群
  • 会员专属群点击这里加入QQ群
客服邮箱
回到顶部