电脑桌面
添加小米粒文库到电脑桌面
安装后可以在桌面快捷访问

测绘产品质量检验制度(DOC36页)VIP免费

测绘产品质量检验制度(DOC36页)_第1页
1/40
测绘产品质量检验制度(DOC36页)_第2页
2/40
测绘产品质量检验制度(DOC36页)_第3页
3/40
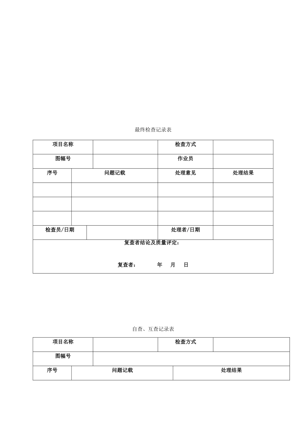
测绘产品质量检验制度1.领导责任。a.负责对测绘产品的检验实行质量管理。b.负责产品的考察、评估、检验、并建立测绘产品的质量档案。c.组织对产品的检验工作,编写《质量评定报告》并进行分析、评定、报公司备案。d.对优质产品和不合格产品提出奖惩意见报送公司。e.对出现的不合格产品承担领导责任。2.质检员责任。a.负责产品的质检。根据《测绘项目技术设计书》要求,编写《测绘项目技术总结》。b.将产品检查意见上报质量负责人审核。c.对外业测量控制点的埋设情况记录做100%的检查。d.对提交的总结成果做全面检查做好记录。e.监督作业是否按《测绘项目技术任务书》要求进行。3.依据。《测绘产品质量评定标准》、《测绘产品检查验收规定》。4.检查规定。a.作业小组必须对产品进行100%的自查,再由作业人员互查后,交公司测绘主管人员检查。b.公司测绘主管人员检查认定后,送公司领导审核,再交请上级业务主管部门检查。c.评定质量标准先由公司业务主管部门评定,经公司领导审核后,再报上级业务主管部门评定d.检查记录的格式。最终检查记录表项目名称检查方式图幅号作业员序号问题记载处理意见处理结果检查员/日期处理者/日期复查者结论及质量评定:复查者:年月日自查、互查记录表项目名称检查方式图幅号序号问题记载处理结果自查、互查结论:自查员(互查员):日期:注:1、测绘产品质量评定的规定。严格执行《测绘产品质量评定标准》。2.经检验合格产品交付用户,羊按以下程序办理:a.总工办将检验合格的产品送交测绘所;b.测绘所将产品送交公司领导审核;c.测绘所将经公司领导同意签发的产品交档案室;d.经营部负责将产品送用户(同时将有关成果资料送档案室)。测绘成果质量管理规定1目的和范围为了提高测绘生产质量管理水平,确保测绘产品质量,依据《中华人民共和国测绘法》及有关法规,特制订本程序。本程序适于承接测绘任务、组织准备、项目策划、技术设计、生产作业及产品交付全过程实施的质量管理。2职责(1)总经理负责(重大)不合格品的信息反馈。负责重大项目或非常规项目测绘成果签发。(2)总工负责测绘成果质量评定与签发,负责不合格品的通报与处理。(3)总工办代表公司验检测绘成果。负责不合格品的验检。负责一次性合格率的月统计和公示,负责不合格品的信息反馈,不合格品的扣减事宜,(4)测绘所负责测绘成果的质检。负责不合格品的处理和复查。(5)项目负责人负责测绘成果的互检及不合格的返工处理。(6)作业员负责测绘成果的自检和不合格品返工。3工作程序3.1基本要求(1)重大项目由部门经理/项目负责人编写项目策划书,工程工作方案和技术方案,经总工审批后执行。执行中如发现问题应及时上报部门经理并修改方案,再交总工审批后执行。一般项目由项目负责人编写工程工作方案。(2)公司实施三级检查验收制(即:项目组一级互检、总工办二级质检及总工三级验收)。(3)由项目负责人负责向甲方提交测量成果和售后服务支持。由总工办负责测量成果的存档。(4)测绘成果质量评定分优良、合格、不合格三个等级。(5)项目组一次交付的产品合格率达90%(消灭粗差、优化网形).(6)本公司执行国家和地方(专业)测绘技术标准及测绘成果验收标准。3.2可参考的技术规范(1)《城市测量规范》CJJ/T8-2011;(2)《工程测量规范》GB50026-2007;(3)《国家基本比例尺地图图式第一部分:1:5001:10001:2000地形图图式》GB/T20257.1-2007;(4)《房产测量规范》GB/T17986.1-2000;(5)《卫星定位城市测量规范》CJJ/T73-2010;(6)《国家三、四等水准测量规范》GB/T12898-2009;(7)《城市地下管线探测技术规程》CJJ61-2003;(8)《近景摄影测量规范》GB/T12979-2008;(9)《地理信息元数据》GB/T19710-2005;(10)《电子文件归档与管理规范》GB/T18894—2002;(11)《测绘作业人员安全规范》CH1016-2008(12)其他规定(具体项目所要求遵守的国家及地方的有关规定,以及项目设计方案中的相关规定)3.3测绘成果质量验收标准(1)《中华人民共和国测绘测绘成果质量检查与验收标准》GB/T24356-2009(2)《数字测绘成果质量检查与验收》GB/T18316-2008;...

1、当您付费下载文档后,您只拥有了使用权限,并不意味着购买了版权,文档只能用于自身使用,不得用于其他商业用途(如 [转卖]进行直接盈利或[编辑后售卖]进行间接盈利)。
2、本站所有内容均由合作方或网友上传,本站不对文档的完整性、权威性及其观点立场正确性做任何保证或承诺!文档内容仅供研究参考,付费前请自行鉴别。
3、如文档内容存在违规,或者侵犯商业秘密、侵犯著作权等,请点击“违规举报”。

碎片内容

测绘产品质量检验制度(DOC36页)

墨香书阁+ 关注
实名认证
内容提供者

热爱教学事业,对互联网知识分享很感兴趣

确认删除?
VIP
微信客服
  • 扫码咨询
会员Q群
  • 会员专属群点击这里加入QQ群
客服邮箱
回到顶部