电脑桌面
添加小米粒文库到电脑桌面
安装后可以在桌面快捷访问

[山东]住宅楼幕墙工程施工技术及质量验收资料表格范例_secretVIP免费

[山东]住宅楼幕墙工程施工技术及质量验收资料表格范例_secret_第1页
1/36
[山东]住宅楼幕墙工程施工技术及质量验收资料表格范例_secret_第2页
2/36
[山东]住宅楼幕墙工程施工技术及质量验收资料表格范例_secret_第3页
3/36
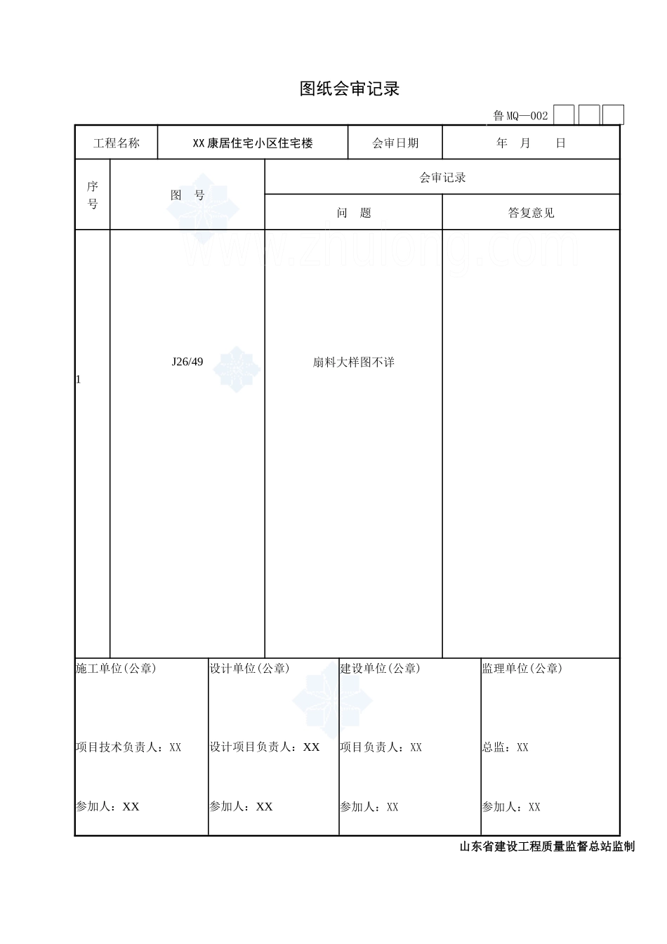
幕墙工程施工现场质量管理检查记录鲁MQ—001工程名称XX康居住宅小区住宅楼施工许可证号JNJZ-2003-0175建设单位XX房地产开发有限公司项目负责人XX设计单位XX建筑设计有限公司项目负责人XX监理单位同信工程监理公司总监理工程师XX总包单位XX建安工程有限公司施工单位XX建安工程有限公司序号项目内容1施工单位幕墙施工资质幕墙一级2现场质量管理体系①质量例会制度;②月评比及奖罚制度③三检及交接检制度;④经济与质量挂钩制度3质量控制及检验制度①原材料及施工检验制度;②抽测项目的检测计划4施工技术标准钢结构工程施工技术企业标准齐全。5主要专业工种操作上岗证书测量工、钢筋工、起重工、电焊工、架子工均持有效资格证6施工图审查情况审查报告及审查批准书济设20030017施工组织设计、施工方案及审批施工组织设计、施工方案编制、审核、批准手续齐全8监测计量器具齐全、有效。检查结论:施工现场质量管理制度基本完整,同意开工。专业监理工程师:XX(建设单位专业负责人):XX年月日山东省建设工程质量监督总站监制图纸会审记录鲁MQ—002工程名称XX康居住宅小区住宅楼会审日期年月日序号图号会审记录问题答复意见1J26/49扇料大样图不详施工单位(公章)设计单位(公章)建设单位(公章)监理单位(公章)项目技术负责人:XX设计项目负责人:XX项目负责人:XX总监:XX参加人:XX参加人:XX参加人:XX参加人:XX山东省建设工程质量监督总站监制设计变更(洽商)记录鲁MQ—003工程名称XX康居住宅小区住宅楼变更(洽商日期)年月日记录内容:设计单位(公章)施工单位(公章)建设单位(公章)监理单位(公章)单位(项目)负责人:XX项目技术负责人:XX单位(项目)负责人:XX总监:XX山东省建设工程质量监督总站监制施工组织设计(施工)方案报审卡鲁MQ—004送审报告工程施工组织设计(施工方案)编制完毕报上,请批示。申报单位XX建安工程有限公司(公章)年月日审批结论(公章)监理单位(建设单位):同信工程监理公司总监理工程师(项目专业技术负责人):XX(公章)年月日山东省建设工程质量监督总站监制工程开工/复工报审表鲁MQ—005工程名称XX康居住宅小区住宅楼致:我方承担的XX康居住宅小区住宅楼工程,已完成了一下各项工作,具备了开工/复工条件,特此申请施工,请核查并签发开工/复工指令。附:1.开工报告2.(证明文件)承包单位(章)XX建安工程有限公司项目经理XX日期审查意见:经审核情况属实,同意开工。项目监理机构同信工程监理公司总监理工程师XX日期山东省建设工程质量监督总站监制技术(安全)交底记录鲁MQ—006工程名称XX康居住宅小区住宅楼施工单位XX建安工程有限公司分项工程名称玻璃幕墙安装交底日期交底内容:依据标准:《建筑工程施工质量验收统一标准》GB50300-2001《建筑装饰装修工程施工质量验收规范》GB50210-2001《玻璃幕墙工程技术规范》JGJ102-961、范围本工艺标准使用域名用建筑的现场组装式外框外露玻璃幕墙的安装(即主要承重骨架为垂直向的竖龙骨和水平向的次龙骨,中间框内嵌入玻璃的构造形式)目前生产幕墙玻璃的厂家较多,各厂的节点构造及安装方法存在一定差异,安装时应仔细了解其作法和质量标准。本工艺标准仅叙述了其中一种的做法。2、施工准备玻璃幕墙近年来发展很快,它不仅具有独特的艺术效果,设计时要考虑建筑造型和建筑构造多方面的性能要求,如力学(强度、刚度、及稳定性)、防水、隔热、气密、防火、抗震和避雷等性能,这些性能与使用功能和人身安全都有着密切关系,为此建设部和北京市建委均规定了:凡从事玻璃幕墙的设计、制作、安装企业,必须经过市建委资质审查合格后,方可进行加工制作和安装。因此在施工前,先要对设计、制作、安装的单位进行资质审查。2.1材料及主要机具:2.1.1铝合金型材:应进行表面阳极氧化处理。铝型材的品种、级别、规格、颜色、断面形状、表面阳极氧化膜厚度等,必须符合设计要求,其合金成分及机械性能应有生产厂家的合格证明,并应符合现行国家有关标准。进入现场要进行外观检查;要平直规方,表面无污染、麻面、凹坑、划痕、翘曲等缺陷,并分规格、型号分别码放在室内木方垫上。2.1.2玻璃:外观质量和光学性能应符合现行的...

1、当您付费下载文档后,您只拥有了使用权限,并不意味着购买了版权,文档只能用于自身使用,不得用于其他商业用途(如 [转卖]进行直接盈利或[编辑后售卖]进行间接盈利)。
2、本站所有内容均由合作方或网友上传,本站不对文档的完整性、权威性及其观点立场正确性做任何保证或承诺!文档内容仅供研究参考,付费前请自行鉴别。
3、如文档内容存在违规,或者侵犯商业秘密、侵犯著作权等,请点击“违规举报”。

碎片内容

[山东]住宅楼幕墙工程施工技术及质量验收资料表格范例_secret

墨香书阁+ 关注
实名认证
内容提供者

热爱教学事业,对互联网知识分享很感兴趣

确认删除?
VIP
微信客服
  • 扫码咨询
会员Q群
  • 会员专属群点击这里加入QQ群
客服邮箱
回到顶部