电脑桌面
添加小米粒文库到电脑桌面
安装后可以在桌面快捷访问

工程洽商财务知识分析申请单VIP免费

工程洽商财务知识分析申请单_第1页
1/55
工程洽商财务知识分析申请单_第2页
2/55
工程洽商财务知识分析申请单_第3页
3/55
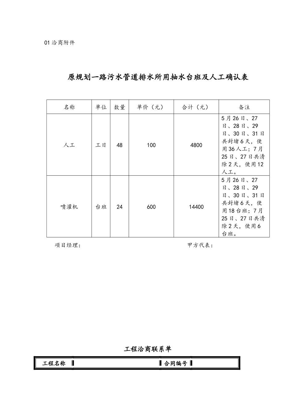
工程洽商申请单工程名称昌黎产业园综合工程合同编号洽商名称规划一路污水管道排水洽商编号01施工单位昌黎县建筑工程有限公司提出单位昌黎县建筑工程有限公司费用承担单位廊坊华夏新城建设发展有限公司昌黎分公司签证内容内容:1、由于本工程的a、b污水系统均需要接入规划一路已建污水管道,但规划一路已建污水管道中现存有比管道顶还高出50cm的污水,必须采取排水措施才能顺利接入规划一路污水管道。拟定分别在已建规划一路将Wa5和Wb5井位东西两侧各2个井位处管道进行封堵,然后采取措施将Wa5和Wb5井位处的水排干。由于此项费用并没有包含在招标文件的清单之中,也没有包含在投标报价之中,所以我单位申请建设单位对此项费用进行补偿,具体费用由甲方代表对排水所发生的人工、材料、机械数量进行登记,然后按实际费用对我单位进行补偿。人工及机械台班单价:人工:100元/工日。喷灌机:600元/台班。泥浆泵:500元/台班。涉及到的材料单价按秦皇岛市造价信息公布的当月材料价格计算。项目部经办人:负责人:日期:2012.05.25审批会签栏研发设计部(如涉及产品效果):日期:成本管理部:日期:开发中心总经理:日期:事业部总经理:日期:说明:本表审批由工程部根据现场签证的审批权限OA审批;01洽商附件原规划一路污水管道排水所用抽水台班及人工确认表名称单位数量单价(元)合计(元)备注人工工日4810048005月26日、27日、28日、29日、30日、31日共封堵6天,使用36人工;7月25日、27日共清除2天,使用12人工。喷灌机台班24600144005月26日、27日、28日、29日、30日、31日共封堵6天,使用18台班;7月25日、27日共清除2天,使用6台班。项目经理:甲方代表:工程洽商联系单工程名称合同编号洽商名称洽商编号主送单位抄送单位事由甲方代表:(签字)日期:(由开发中心总经理授权)收文单位签收日期1、请贵公司在收到上述通知后立即按调整要求组织实施,确保工期不受影响。2、实施完毕后由监理、甲方项目工程部进行验收,经确认后报送完整的设计变更结算资料。工程洽商确认单工程名称合同编号洽商名称洽商编号施工单位名称费用承担单位项目部确认的情况:(工程量附图等)经办人:负责人:日期:成本管理部:(双方确认的增加或减少的变更金额及费用分摊方案,附页):经办人:负责人:日期:开发中心总经理:工程洽商申请单工程名称昌黎产业园综合工程合同编号洽商名称南段便道改移洽商编号02施工单位昌黎县建筑工程有限公司提出单位昌黎县建筑工程有限公司费用承担单位廊坊华夏新城建设发展有限公司昌黎分公司签证内容内容:1、由于本工程的南段涉及到进村便道,按照建设单位要求施工期间不能断交,所以考虑将南段进村便道移到施工路段以外。现将南段便道改移的施工费用统计如下:南段便道改移费用:16320元。便道长度120米,顶宽4米,厚0.5米,采用山皮石填筑。便道改移方案及费用计算如下:120*4*0.5=240m3*68元/m3=16320元便道改移草图附后。项目部经办人:负责人:日期:2012.05.30审批会签栏研发设计部(如涉及产品效果):日期:成本管理部:日期:开发中心总经理:日期:事业部总经理:日期:说明:本表审批由工程部根据现场签证的审批权限OA审批;02洽商附件山皮石运到工地现场的松方落地价格为49元/m3,经摊铺、整平、碾压,我单位核算每压实方山皮石的价格为68元/m3,便道长度120米,顶宽4米,厚0.5米,便道改移的费用计算如下:120*4*0.5=240m3*68元/m3=16320元。工程洽商联系单工程名称合同编号洽商名称洽商编号主送单位抄送单位事由甲方代表:(签字)日期:(由开发中心总经理授权)收文单位签收日期1、请贵公司在收到上述通知后立即按调整要求组织实施,确保工期不受影响。2、实施完毕后由监理、甲方项目工程部进行验收,经确认后报送完整的设计变更结算资料。工程洽商确认单工程名称合同编号洽商名称洽商编号施工单位名称费用承担单位项目部确认的情况:(工程量附图等)经办人:负责人:日期:成本管理部:(双方确认的增加或减少的变更金额及费用分摊方案,附页):经办人:负责人:日期:开发中心总经理:工程洽商申请单工程名称昌黎产业园综合工程合同编号洽商...

1、当您付费下载文档后,您只拥有了使用权限,并不意味着购买了版权,文档只能用于自身使用,不得用于其他商业用途(如 [转卖]进行直接盈利或[编辑后售卖]进行间接盈利)。
2、本站所有内容均由合作方或网友上传,本站不对文档的完整性、权威性及其观点立场正确性做任何保证或承诺!文档内容仅供研究参考,付费前请自行鉴别。
3、如文档内容存在违规,或者侵犯商业秘密、侵犯著作权等,请点击“违规举报”。

碎片内容

工程洽商财务知识分析申请单

您可能关注的文档

确认删除?
VIP
微信客服
  • 扫码咨询
会员Q群
  • 会员专属群点击这里加入QQ群
客服邮箱
回到顶部