电脑桌面
添加小米粒文库到电脑桌面
安装后可以在桌面快捷访问

javaEE衡量生活质量课程设计报告VIP免费

javaEE衡量生活质量课程设计报告_第1页
1/16
javaEE衡量生活质量课程设计报告_第2页
2/16
javaEE衡量生活质量课程设计报告_第3页
3/16
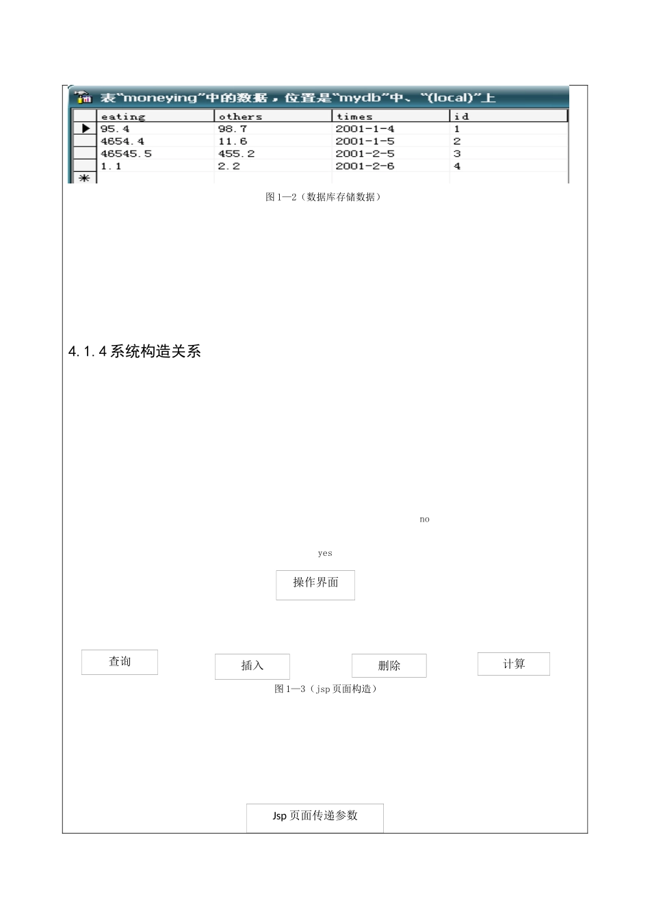
1设计时间2011年12月12日——12月16日2设计目的JavaEE课程设计是对所学JavaEE与中间件课程的小结,是提高学生对所学知识综合应用能力的一种方式,是集中实践性环节之一。要求同学们对课程中所学习到的知识综合运用,开发有一定规模的JavaWeb程序。3设计任务设计生活质量衡量系统(1)衡量标准说明:消费有两种支出:吃饭支出和其它支出,如果在一段时间内,吃饭支出占总支出的比例超过50%,生活质量为贫困;如果在20-50%之间,为温饱;如果低于20%,生活质量为小康。(2)功能描述:用户以合法身份登录系统后,才能进行所有操作;用户可以添加、查看和删除支出情况(支出类型(有两种:吃饭支出和其它支出)、额度(人民币)、日期)。(3)添加支出情况(4)查看支出情况(5)删除支出情况(6)统计在某个时间段内,生活质量属于哪个层次4设计内容4.1设计题目生活质量衡量系统。4.1.1系统功能要求用只有拥有合法身份才能登录系统,用以合法身份登录后才能进行添加、查看和删除支出情况(支出类型(有两种:吃饭支出和其它支出)、额度(人民币)、日期)。4.1.2数据库存储要求数据的存储要求:吃饭支出其他支出,日期。4.1.3数据库的设计图1—1(数据库存储表)图1—2(数据库存储数据)4.1.4系统构造关系noyes图1—3(jsp页面构造)查询插入删除计算操作界面Jsp页面传递参数图1—4(Java类功能调用)4.2Jsp页面设计4.2.1登录界面图1—4(登录界面)代码如下:
欢迎登陆生活质量衡量系统!
用户名称:
用户密码:
调用servlet类插入方法servlet查询方法servlet删除方法servlet计算方法servlet插入方法dao类查询方法dao类删除方法dao类计算方法dao类4.2.2登录成功界面图1—5(登录成功查询界面)
登陆成功!点击获得详细的信息~~
4.2.3查询结果界面图1—6(查询结果界面)4.3Java方法设计4.3.1Servlet类(1)密码验证的Servlet类的代码如下:publicclassLoginServletextendsHttpServlet{publicvoiddoGet(HttpServletRequestrequest,HttpServletResponseresponse)throwsServletException,IOException{doPost(request,response);}publicvoiddoPost(HttpServletRequestrequest,HttpServletResponseresponse)throwsServletException,IOException{Stringusername=(String)request.getParameter("username");Stringuserpsw=(String)request.getParameter("userpsw");System.out.println(username);Stringforward="";if(username.equals("123")&&userpsw.equals("123")){forward="/success.jsp";}else{forward="/error.jsp";}(2)显示所有信息的servlet类代码设计如下:publicclassListAllThingServletextendsHttpServlet{publicvoiddoGet(HttpServletRequestrequest,HttpServletResponseresponse)throwsServletException,IOException{doPost(request,response);}publicvoiddoPost(HttpServletRequestrequest,HttpServletResponseresponse)throwsServletException,IOException{ThingDAOthingDAO=newThingDAO();Listlist=thingDAO.getAllThing();request.setAttribute("allthing",list);request.getRequestDispatcher("/showAllThing.jsp").forward(request,response);}}(3)控制增删改操作的servlet类代码设计如下:插入支出情况代码:publicclassSaveOutServletextendsHttpServlet{publicvoiddoGet(HttpServletRequestrequest,HttpServletResponseresponse)throwsServletException,IOException{doPost(request,response);}publicvoiddoPost(HttpServletRequestrequest,HttpServletResponseresponse...

1、当您付费下载文档后,您只拥有了使用权限,并不意味着购买了版权,文档只能用于自身使用,不得用于其他商业用途(如 [转卖]进行直接盈利或[编辑后售卖]进行间接盈利)。
2、本站所有内容均由合作方或网友上传,本站不对文档的完整性、权威性及其观点立场正确性做任何保证或承诺!文档内容仅供研究参考,付费前请自行鉴别。
3、如文档内容存在违规,或者侵犯商业秘密、侵犯著作权等,请点击“违规举报”。

碎片内容

javaEE衡量生活质量课程设计报告

确认删除?
VIP
微信客服
  • 扫码咨询
会员Q群
  • 会员专属群点击这里加入QQ群
客服邮箱
回到顶部