电脑桌面
添加小米粒文库到电脑桌面
安装后可以在桌面快捷访问

隔离层工程检验批质量验收记录表VIP免费

隔离层工程检验批质量验收记录表_第1页
1/2
隔离层工程检验批质量验收记录表_第2页
2/2
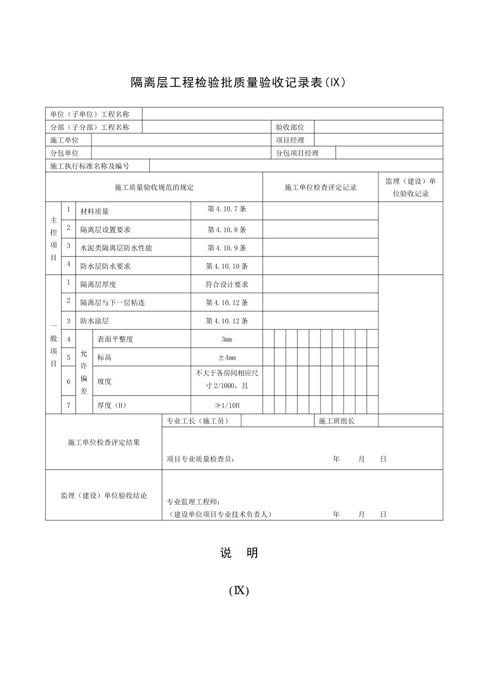
隔离层工程检验批质量验收记录表(Ⅸ)单位(子单位)工程名称分部(子分部)工程名称验收部位施工单位项目经理分包单位分包项目经理施工执行标准名称及编号施工质量验收规范的规定施工单位检查评定记录监理(建设)单位验收记录主控项目1材料质量第4.10.7条2隔离层设置要求第4.10.8条3水泥类隔离层防水性能第4.10.9条4防水层防水要求第4.10.10条一般项目1隔离层厚度符合设计要求2隔离层与下一层粘连第4.10.12条3防水涂层第4.10.12条4允许偏差表面平整度3mm5标高±4mm6坡度不大于各房间相应尺寸2/1000,且≯30mm7厚度(H)≯1/10H施工单位检查评定结果专业工长(施工员)施工班组长项目专业质量检查员:年月日监理(建设)单位验收结论专业监理工程师:(建设单位项目专业技术负责人)年月日说明()Ⅸ030101主控项目:1、隔离层材质,符合设计要求和产品标准规定。观察检查和检查产品合格证明文件或检测报告。2、厕浴间和有防水要求的建筑地面必须设置防水隔离层。楼层结构必须采用现浇混凝土或整块预制混凝土板,混凝土强度等级不应小于C20;楼板四周除门洞外,应做混凝土翻边,其高度不应小于120mm。施工时结构层标高和预留孔洞位置应准确,严禁乱凿洞,观察和尺量检查。3、水泥类防水隔离层的防水性能和强度等级必须符合设计要求。观察检查和检查检测报告。4、防水隔离层严禁渗漏,坡向应小确、排水通畅。观察检查和蓄水、泼水检验或坡度尺检查。一般项目:1、隔离层厚度应符合设计要求。观察察检查和尺量检查。2、隔离层与其下一层粘结牢固,不得有空鼓;用小锤轻击检查防水涂层应平整、均匀,无脱皮、起壳、裂缝、鼓泡等缺陷。观察检查。3、隔离层表面的允许偏差,应按本规范表4.1.5中的检验方法检验。

1、当您付费下载文档后,您只拥有了使用权限,并不意味着购买了版权,文档只能用于自身使用,不得用于其他商业用途(如 [转卖]进行直接盈利或[编辑后售卖]进行间接盈利)。
2、本站所有内容均由合作方或网友上传,本站不对文档的完整性、权威性及其观点立场正确性做任何保证或承诺!文档内容仅供研究参考,付费前请自行鉴别。
3、如文档内容存在违规,或者侵犯商业秘密、侵犯著作权等,请点击“违规举报”。

碎片内容

隔离层工程检验批质量验收记录表

墨香书阁+ 关注
实名认证
内容提供者

热爱教学事业,对互联网知识分享很感兴趣

确认删除?
VIP
微信客服
  • 扫码咨询
会员Q群
  • 会员专属群点击这里加入QQ群
客服邮箱
回到顶部