电脑桌面
添加小米粒文库到电脑桌面
安装后可以在桌面快捷访问

CE认证产品、检测标准doc-中国质量认证中心VIP专享VIP免费

CE认证产品、检测标准doc-中国质量认证中心_第1页
1/45
CE认证产品、检测标准doc-中国质量认证中心_第2页
2/45
CE认证产品、检测标准doc-中国质量认证中心_第3页
3/45
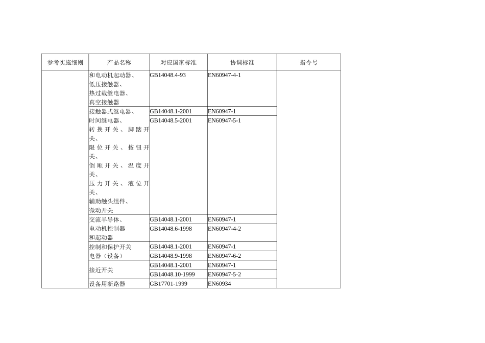
CQC/GD.JS40-2004CE认证产品、检测标准(一)参考实施细则产品名称对应国家标准协调标准指令号电线电缆产品-电线组件电线组件GB15934-1996EN607992006/95/EC(73/23/EEC)额定电压450/750V及以下橡皮绝缘电线电缆GB5013HD21额定电压450/750V及以下聚氯乙烯绝缘电线电缆GB5023HD22电路开关及保护或连接用电器装置-家用和类似用途固定式电器装置的开关电子开关GB16915.1EN60669-1GB16915.2EN60669-2-1遥控开关GB16915.1EN60669-1GB16915.3EN60669-2-2延时开关GB16915.1EN60669-1EN60669-2-3电路开关及保护或连接用电器装置-工业用插头插座和耦合器工业用插头插座和耦合器GB/T11918-2001EN60309-1GB/T11919-2001EN60309-2电路开关及保护或连接用电器装家用及类似用途器具耦合器GB17465.1-1998EN60320-1参考实施细则产品名称对应国家标准协调标准指令号置-家用及类似用途器具耦合器GB17465.2-1998EN60320-2-2电路开关及保护或连接用电器装置-热熔断体热熔断体GB9816-1998EN60691电路开关及保护或连接用电器装置-小型熔断器的管状熔断体小型熔断器的管状熔断体GB9364.1-1997EN60127-1GB9364.2-1997EN60127-2GB9364.1-1997EN60127-1GB9364.3-1997EN60127-3低压电器-低压成套开关设备低压成套开关设备GB7251.1-1997EN60439-172/23/EEC2004/108/ECGB7251.2-1997EN60439-2GB7251.3-1997EN60439-3GB7251.4-1998EN60439-4GB7251.5-1998EN60439-5低压电器-开关和控制设备低压断路器真空断路器剩余电流动作断路器GB14048.1-2001EN60947-1GB14048.2-2001EN60947-2低压开关、隔离器、隔离开关及熔断器组合电器GB14048.1-2001EN60947-1GB14048.3-2002EN60947-3低压机电式接触器GB14048.1-2001EN60947-1参考实施细则产品名称对应国家标准协调标准指令号和电动机起动器、低压接触器、热过载继电器、真空接触器GB14048.4-93EN60947-4-1接触器式继电器、时间继电器、转换开关、脚踏开关、限位开关、按钮开关、倒顺开关、温度开关、压力开关、液位开关、辅助触头组件、微动开关GB14048.1-2001EN60947-1GB14048.5-2001EN60947-5-1交流半导体、电动机控制器和起动器GB14048.1-2001EN60947-1GB14048.6-1998EN60947-4-2控制和保护开关电器(设备)GB14048.1-2001EN60947-1GB14048.9-1998EN60947-6-2接近开关GB14048.1-2001EN60947-1GB14048.10-1999EN60947-5-2设备用断路器GB17701-1999EN60934参考实施细则产品名称对应国家标准协调标准指令号家用及类似用途机电式接触器GB17885-1999EN61095低压电器-整机保护设备家用及类似用途不带过电流保护的剩余电流动作断路器(RCCB)GB16916.1-97EN61008-1GB16916.21-97EN61008-2-1GB16916.22-97EN61008-2-2家用及类似用途带过电流保护的剩余电流动作断路器(RCCB)GB16917.1-97EN61009-1GB16917.21-97EN61009-2-1GB16917.22-97EN61009-2-2家用及类似场所用过电流保护断路器(MCB)GB10963-1999EN60898专职人员使用的熔断器GB13539.1-02EN60269-1GB13539.2-02EN60269-2非熟练人员使用的熔断器GB13539.1-02EN60269-1GB13539.3-99EN60269-3GB13539.5-02EN60269-3-1半导体器件保护用熔断体GB13539.1-02EN60269-1GB13539.4-92EN60269-4参考实施细则产品名称对应国家标准协调标准指令号剩余电流动作保护继电器/移动式剩余电流保护器GB6829-1995EN60755小功率电动机小功率电动机(家电产品用)GB12350EN60034-12006/95/EC(73/23/EEC)2004/108/ECGB17625.1-1998EN61000-3-2GB17625.2-1998EN61000-3-3GB4343-1995EN55014-1EN55014-2小功率电动机(工业用)GB14711EN60034-1GB17625.1-1998EN61000-3-2GB17625.2-1998EN61000-3-3EN55011电焊机交流弧焊机GB15579EN60974-12006/95/EC(73/23/EEC)2004/108/ECGB17625.1EN61000-3-2GB17625.2EN61000-3-3EN60974-10焊接电缆耦合装置GB15579.12EN60974-12直流弧焊机GB15579EN60974-1GB17625.1EN61000-3-2GB17625.2EN61000-3-3EN60974-10TIG弧焊机GB15579EN60974-1GB17625.1EN61000-3-2GB17625.2EN61000-3-3参考实施细则产品名称对应国家标准协调标准指令号EN60974-10MIG/MAG弧焊机GB15579EN60974-1GB17625.1EN61000-3-2GB17625.2EN61000-3-3E...

1、当您付费下载文档后,您只拥有了使用权限,并不意味着购买了版权,文档只能用于自身使用,不得用于其他商业用途(如 [转卖]进行直接盈利或[编辑后售卖]进行间接盈利)。
2、本站所有内容均由合作方或网友上传,本站不对文档的完整性、权威性及其观点立场正确性做任何保证或承诺!文档内容仅供研究参考,付费前请自行鉴别。
3、如文档内容存在违规,或者侵犯商业秘密、侵犯著作权等,请点击“违规举报”。

碎片内容

CE认证产品、检测标准doc-中国质量认证中心

确认删除?
VIP
微信客服
  • 扫码咨询
会员Q群
  • 会员专属群点击这里加入QQ群
客服邮箱
回到顶部