电脑桌面
添加小米粒文库到电脑桌面
安装后可以在桌面快捷访问

《建筑工程施工质量评价标准》(表格)(1)VIP免费

《建筑工程施工质量评价标准》(表格)(1)_第1页
1/50
《建筑工程施工质量评价标准》(表格)(1)_第2页
2/50
《建筑工程施工质量评价标准》(表格)(1)_第3页
3/50
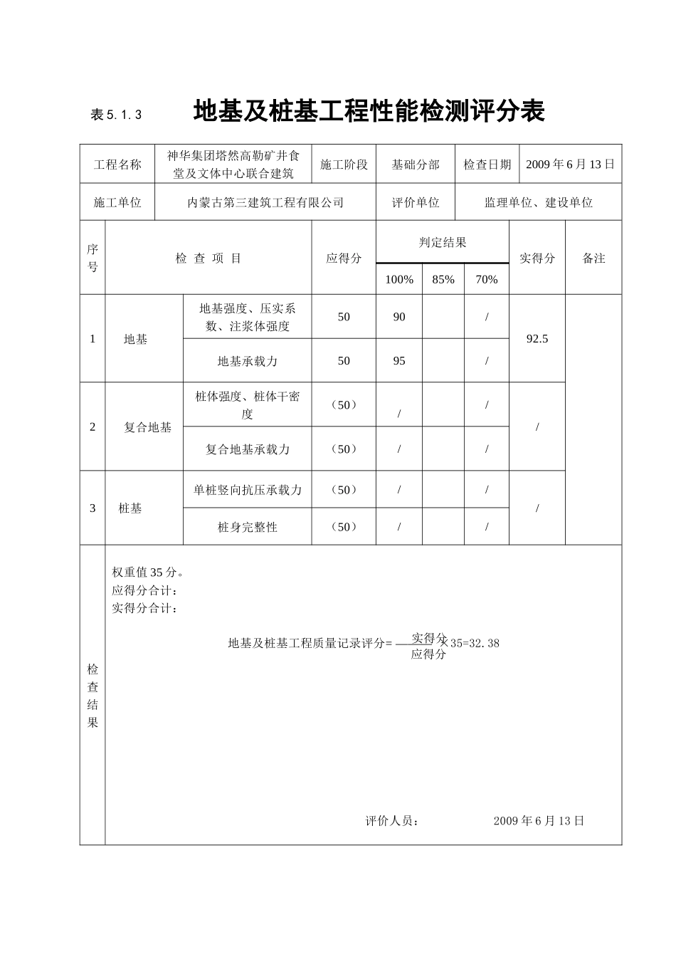
表4.2.3施工现场质量保证条件评分表工程名称神华集团塔然高勒矿井食堂及文体中心联合建筑施工阶段基础分部检查日期2009年5月13日施工单位内蒙古第三建筑工程有限公司评价单位监理单位、建设单位序号检查项目应得分判定结果实得分备注100%85%70%1施工现场质量管理及质量责任制度现场组织机构、质保体系,材料设备进场验收制度、抽样检验制度,岗位责任制及奖罚制度30100//302施工操作标准及质量验收规范配置30100//303施工组织设计、施工方案2095//194质量目标及措施20100//20检查结果权重值10分。应得分合计:实得分合计:施工现场质量保证条件评分=———×10=9.9评价人员:2009年5月13日实得分应得分表5.1.3地基及桩基工程性能检测评分表工程名称神华集团塔然高勒矿井食堂及文体中心联合建筑施工阶段基础分部检查日期2009年6月13日施工单位内蒙古第三建筑工程有限公司评价单位监理单位、建设单位序号检查项目应得分判定结果实得分备注100%85%70%1地基地基强度、压实系数、注浆体强度5090/92.5地基承载力5095/2复合地基桩体强度、桩体干密度(50)///复合地基承载力(50)//3桩基单桩竖向抗压承载力(50)///桩身完整性(50)//检查结果权重值35分。应得分合计:实得分合计:地基及桩基工程质量记录评分=———×35=32.38评价人员:2009年6月13日实得分应得分表5.2.3地基及桩基工程质量记录评分表工程名称施工阶段基础分部检查日期施工单位评价单位监理单位、建设单位序号检查项目应得分判定结果实得分备注100%85%70%1材料、预制桩合格证(出厂试验报告)及进场验收记录材料合格证(出厂试验报告)及进场验收记录及钢筋、水泥复试报告3095//28.5预制桩合格证(出厂试验报告)及进场验收记录(30)///2施工记录地基处理、验槽、钎探施工记录30100//40预制桩接头施工记录(10)///打(压)桩试桩记录及施工记录(20)///灌注桩成孔、钢筋笼、混凝土灌注检查记录及施工记录(30)///检验批、分项、分部(子分部)工程质量验收记录10100//3施工试验灰土、砂石、注浆桩及水泥、粉煤灰、碎石桩配合比试验报告30////钢筋连接试验报告(15)95//14.25混凝土试件强度试验报告(15)100//15预制桩龄期及试件强度试验报告(30)////检查结果权重值35分。应得分合计:实得分合计:地基及桩基工程质量记录评分=———×35=34.2实得分应得分评价人员:年8月12日表5.3.3地基及桩基工程尺寸偏差及限值实测评分表工程名称施工阶段基础分部检查日期年6月13日施工单位评价单位监理单位、建设单位序号检查项目应得分判定结果实得分备注100%85%70%1天然地基标高及基槽宽度偏差10095//952复合地基桩位偏差(100)////3打(压)桩桩位偏差(100)////4灌注桩桩位偏差(100)////检查结果权重值15分。应得分合计:实得分合计:地基及桩基工程尺寸偏差及限值实测评分=———×15=14.25评价人员:年6月13日表5.4.3地基及桩基工程观感质量评分表工程名称施工阶段基础分部检查日期年6月13日施工单位评价单位监理单位、建设单位序号检查项目应得分判定结果实得分备注100%85%70%1地基、复合地基标高、表面平整、边坡10095//952桩基桩头、桩顶标高、场地平整(100)////实得分应得分检查结果权重值5分。应得分合计:实得分合计:地基及桩基工程观感质量评分=———×5=4.75评价人员:年6月13日表6.1.3结构工程性能检测评分表工程名称神华集团塔然高勒矿井食堂及文体中心联合建筑施工阶段主体分部检查日期2009年8月24日施工单位内蒙古第三建筑工程有限公司评价单位监理单位、建设单位序号检查项目应得分判定结果实得分备注100%85%70%1混凝土实体混凝土强度50100/100结构实体钢筋保护层厚度50100//2钢结构焊缝内部质量(60)////高强度螺栓连接副紧固质量60///钢结构涂装防腐20///防火20///3砌砌体垂每层50应得分实得分体直度全高≤10m50>10m(50)4地下防水层渗漏水(100)检查结果权重值5分。应得分合计:实得分合计:结构工程性能检测评分=———×30=30评价人员:2009年8月24日表6.2.3结构工程质量记录评分表工程名称神华集团塔然高勒矿井食堂及文体中心联合建筑施工阶段主体分部检查日期年月日施工单位内蒙古...

1、当您付费下载文档后,您只拥有了使用权限,并不意味着购买了版权,文档只能用于自身使用,不得用于其他商业用途(如 [转卖]进行直接盈利或[编辑后售卖]进行间接盈利)。
2、本站所有内容均由合作方或网友上传,本站不对文档的完整性、权威性及其观点立场正确性做任何保证或承诺!文档内容仅供研究参考,付费前请自行鉴别。
3、如文档内容存在违规,或者侵犯商业秘密、侵犯著作权等,请点击“违规举报”。

碎片内容

《建筑工程施工质量评价标准》(表格)(1)

墨香书阁+ 关注
实名认证
内容提供者

热爱教学事业,对互联网知识分享很感兴趣

相关文档

确认删除?
VIP
微信客服
  • 扫码咨询
会员Q群
  • 会员专属群点击这里加入QQ群
客服邮箱
回到顶部