电脑桌面
添加小米粒文库到电脑桌面
安装后可以在桌面快捷访问

供应商质量体系要求手册(pdf 12页)8VIP专享VIP免费

供应商质量体系要求手册(pdf 12页)8_第1页
1/2
供应商质量体系要求手册(pdf 12页)8_第2页
2/2
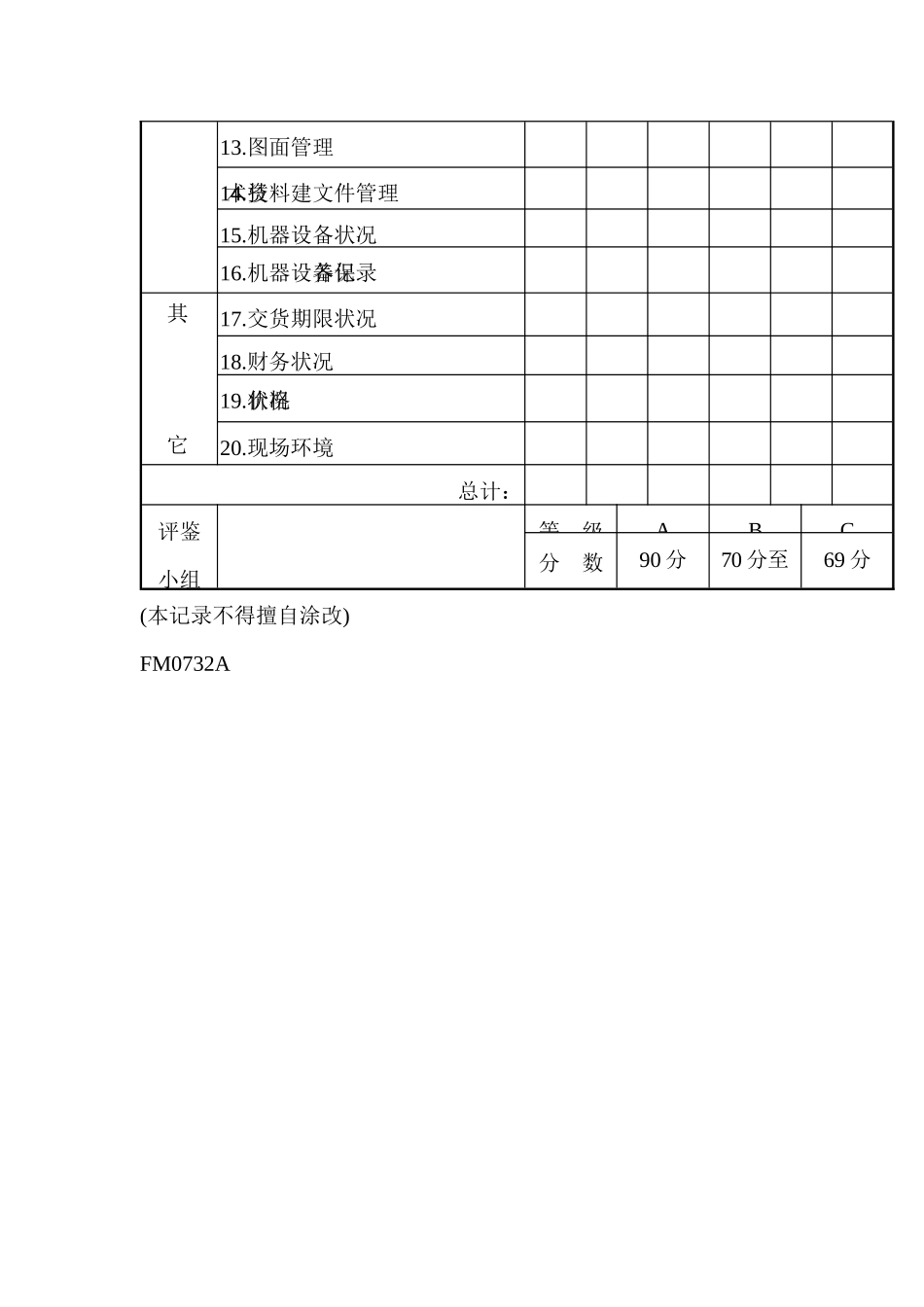
○○股份有限公司供应商评鉴表编号:公司名称地址负责人电话连络人传真产品内容主要设备名称规格数量项目评分优良良好尚可欠佳劣等备注分数54321品质保证系统1.品保的管制2.品保人员学经历3.检验仪器之设备状况4.QC方法的活用5.品保数据管理6.检验仪器年度保养及校正记录7.进料检验记录8.异常品处理记录生产设备及技9.加工技术的承制能力10.技术管理状况11.作业流程状况12.技术人员学经历13.图面管理14.技术资料建文件管理15.机器设备状况16.机器设备保养记录其它17.交货期限状况18.财务状况19.价格状况20.现场环境总计:评鉴小组等级ABC分数90分以上70分至89分69分以下(本记录不得擅自涂改)FM0732A

1、当您付费下载文档后,您只拥有了使用权限,并不意味着购买了版权,文档只能用于自身使用,不得用于其他商业用途(如 [转卖]进行直接盈利或[编辑后售卖]进行间接盈利)。
2、本站所有内容均由合作方或网友上传,本站不对文档的完整性、权威性及其观点立场正确性做任何保证或承诺!文档内容仅供研究参考,付费前请自行鉴别。
3、如文档内容存在违规,或者侵犯商业秘密、侵犯著作权等,请点击“违规举报”。

碎片内容

供应商质量体系要求手册(pdf 12页)8

确认删除?
VIP
微信客服
  • 扫码咨询
会员Q群
  • 会员专属群点击这里加入QQ群
客服邮箱
回到顶部