电脑桌面
添加小米粒文库到电脑桌面
安装后可以在桌面快捷访问

不发火(防爆)面层工程检验批质量验收记录表VIP免费

不发火(防爆)面层工程检验批质量验收记录表_第1页
1/2
不发火(防爆)面层工程检验批质量验收记录表_第2页
2/2
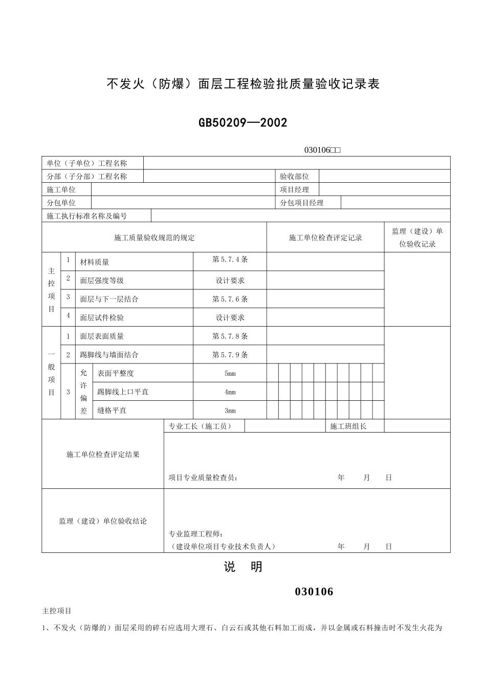
不发火(防爆)面层工程检验批质量验收记录表GB50209—2002030106□□单位(子单位)工程名称分部(子分部)工程名称验收部位施工单位项目经理分包单位分包项目经理施工执行标准名称及编号施工质量验收规范的规定施工单位检查评定记录监理(建设)单位验收记录主控项目1材料质量第5.7.4条2面层强度等级设计要求3面层与下一层结合第5.7.6条4面层试件检验设计要求一般项目1面层表面质量第5.7.8条2踢脚线与墙面结合第5.7.9条3允许偏差表面平整度5mm踢脚线上口平直4mm缝格平直3mm施工单位检查评定结果专业工长(施工员)施工班组长项目专业质量检查员:年月日监理(建设)单位验收结论专业监理工程师:(建设单位项目专业技术负责人)年月日说明030106主控项目1、不发火(防爆的)面层采用的碎石应选用大理石、白云石或其他石料加工而成,并以金属或石料撞击时不发生火花为合格;砂应质地坚硬、表面粗糙,其粒径宜为0.15~5mm,含泥量不应大于3%,有机物含量不应大于0.5%;水泥应采用普通硅酸盐水泥,其强度等级不应小于32.5;面层分格的嵌条应采用不发生火花的材料配制。配制时应随时检查,不得混入金属或其它易发生火花的杂质。观察检查和检查产品合格证明文件及检测报告。2、不发火(防爆的)面层的强度等级,符合设计要求。检查配合比通知单和检测报告。3、面层与下一层应结合牢固,无空鼓、无裂纹。用小锤轻击检查。注:空鼓面积不应大于400cm2,且每自然间(标准间)不多于2处可不计。4、不发火(防爆的)面层的试件,必须检验合格。检查检测报告。一般项目1、面层表面应密实,无裂缝、蜂窝、麻面等缺陷。观察检查。2、踢脚线与墙面应紧密结合、高度一致、出墙厚度均匀。用小锤轻击、钢尺和观察检查。3、用2m靠尺和楔形塞尺检查表面平整度的允许偏差,拉5m线和用钢尺检查平直度的允许偏差。

1、当您付费下载文档后,您只拥有了使用权限,并不意味着购买了版权,文档只能用于自身使用,不得用于其他商业用途(如 [转卖]进行直接盈利或[编辑后售卖]进行间接盈利)。
2、本站所有内容均由合作方或网友上传,本站不对文档的完整性、权威性及其观点立场正确性做任何保证或承诺!文档内容仅供研究参考,付费前请自行鉴别。
3、如文档内容存在违规,或者侵犯商业秘密、侵犯著作权等,请点击“违规举报”。

碎片内容

不发火(防爆)面层工程检验批质量验收记录表

您可能关注的文档

确认删除?
VIP
微信客服
  • 扫码咨询
会员Q群
  • 会员专属群点击这里加入QQ群
客服邮箱
回到顶部