3施工现场质量保证条件评分表工程名称施工阶段检查日期施工单位评价单位序号检查项目应得分判定结果实得分备注100%85%70%1施工现场质量管理及质量责任制度现场组织机构、质保体系,材料设备进场验收制度、抽样检验制度,岗位责任制及奖罚制度302施工操作标准及质量验收规范配置303施工组织设计、施工方案204质量目标及措施20检查结果权重值10分
应得分合计:实得分合计:施工现场质量保证条件评分=———×10=评价人员:实得分应得分表5
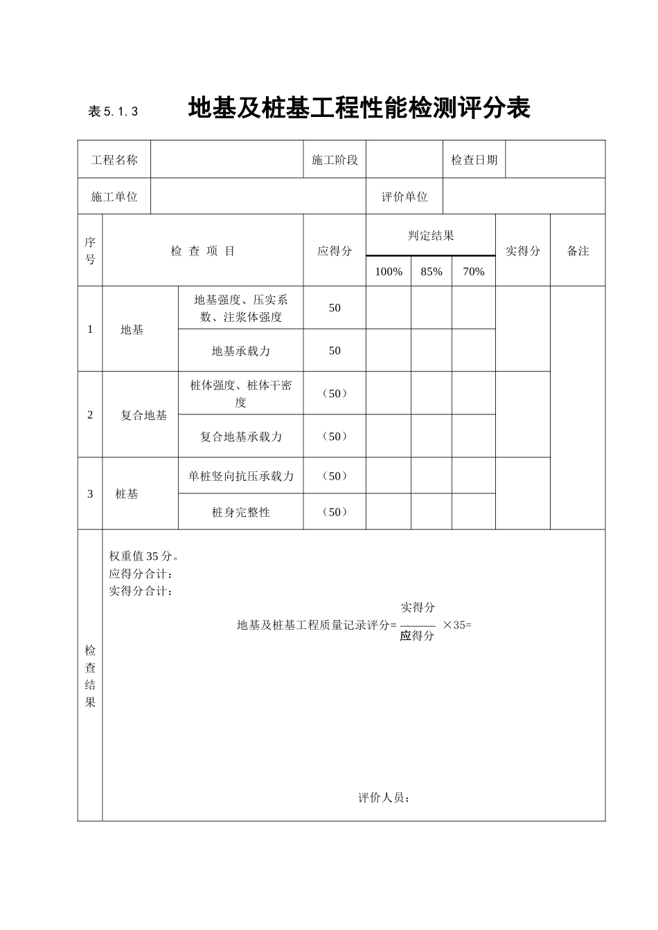
3地基及桩基工程性能检测评分表工程名称施工阶段检查日期施工单位评价单位序号检查项目应得分判定结果实得分备注100%85%70%1地基地基强度、压实系数、注浆体强度50地基承载力502复合地基桩体强度、桩体干密度(50)复合地基承载力(50)3桩基单桩竖向抗压承载力(50)桩身完整性(50)检查结果权重值35分
应得分合计:实得分合计:地基及桩基工程质量记录评分=———×35=评价人员:实得分应得分表5
3地基及桩基工程质量记录评分表工程名称施工阶段检查日期施工单位评价单位序号检查项目应得分判定结果实得分备注100%85%70%1材料、预制桩合格证(出厂试验报告)及进场验收记录材料合格证(出厂试验报告)及进场验收记录及钢筋、水泥复试报告30预制桩合格证(出厂试验报告)及进场验收记录(30)2施工记录地基处理、验槽、钎探施工记录30预制桩接头施工记录(10)打(压)桩试桩记录及施工记录(20)灌注桩成孔、钢筋笼、混凝土灌注检查记录及施工记录(30)检验批、分项、分部(子分部)工程质量验收记录103施工试验灰土、砂石、注浆桩及水泥、粉煤灰、碎石桩配合比试验报告30钢筋连接试验报告(15)混凝土试件强度试验报告(15)预制桩龄期及试件强度试验报告(30)检查结果权重值35分
应得分合计:实得分合计:地基及桩基工程质量记录评分=———×







