电脑桌面
添加小米粒文库到电脑桌面
安装后可以在桌面快捷访问

船舶制造公司质量技术跟踪测量表VIP免费

船舶制造公司质量技术跟踪测量表_第1页
1/9
船舶制造公司质量技术跟踪测量表_第2页
2/9
船舶制造公司质量技术跟踪测量表_第3页
3/9
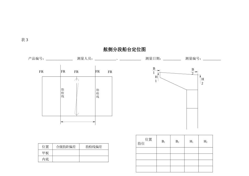
表1船台龙骨精度跟踪测量表(参考)(该表应根据船舶分段划分实际情况进行变更)产品编号:_______________测量人员:____________、____________测量日期:__________测量编号:__________表2双层底分段船台定位图产品编号:_______________测量人员:____________、____________测量日期:__________测量编号:__________位置肋位大接头肋距偏差检验线偏差向舯处向舷处向舯处向舷处左舷分段右舷分段位置合拢肋距偏差肋检线偏差甲板内底B1FRFRFRFR肋检线肋检线B2H2H1FR表3舷侧分段船台定位图产品编号:_______________测量人员:____________、____________测量日期:__________测量编号:__________位置肋位B1B2H1H2表4首尾分段船台定位图产品编号:_______________测量人员:____________、____________测量日期:__________测量编号:__________表5位置肋号距基线H距中B肋检线偏差左舷右舷左舷右舷左舷右舷偏首偏尾偏首偏尾###船体中心线测量位置偏左偏右###肋检线测量位置偏首偏尾#左#中#右()甲板()纵壁处水平度及型宽测量位置水平实测型宽实测######上层建筑分段船台定位图产品编号:_______________测量人员:____________、____________测量日期:__________测量编号:__________表6()甲板Φ处水平度测量位置实测###层高测量位置实测#左#中#右#左#中#右#左#中#右舱口主尺度精度跟踪测量表产品编号:__________No._____舱测量人员:____________、____________测量日期:__________测量编号:__________实测肋位Bb理论实测误差位置B’实测误差PSPSPSPSPS位置实测BP测量误差S测量误差BP测量误差S测量误差表7舱口围板主尺度精度跟踪测量表产品编号:__________No._____舱测量人员:____________、____________测量日期:__________测量编号:__________表8舵、轴中心线精度测量表Rudder&ShaftingAccuracyMeasuredTable

1、当您付费下载文档后,您只拥有了使用权限,并不意味着购买了版权,文档只能用于自身使用,不得用于其他商业用途(如 [转卖]进行直接盈利或[编辑后售卖]进行间接盈利)。
2、本站所有内容均由合作方或网友上传,本站不对文档的完整性、权威性及其观点立场正确性做任何保证或承诺!文档内容仅供研究参考,付费前请自行鉴别。
3、如文档内容存在违规,或者侵犯商业秘密、侵犯著作权等,请点击“违规举报”。

碎片内容

船舶制造公司质量技术跟踪测量表

墨香书阁+ 关注
实名认证
内容提供者

热爱教学事业,对互联网知识分享很感兴趣

确认删除?
VIP
微信客服
  • 扫码咨询
会员Q群
  • 会员专属群点击这里加入QQ群
客服邮箱
回到顶部