电脑桌面
添加小米粒文库到电脑桌面
安装后可以在桌面快捷访问

MC9000名词术语VIP免费

MC9000名词术语_第1页
1/9
MC9000名词术语_第2页
2/9
MC9000名词术语_第3页
3/9
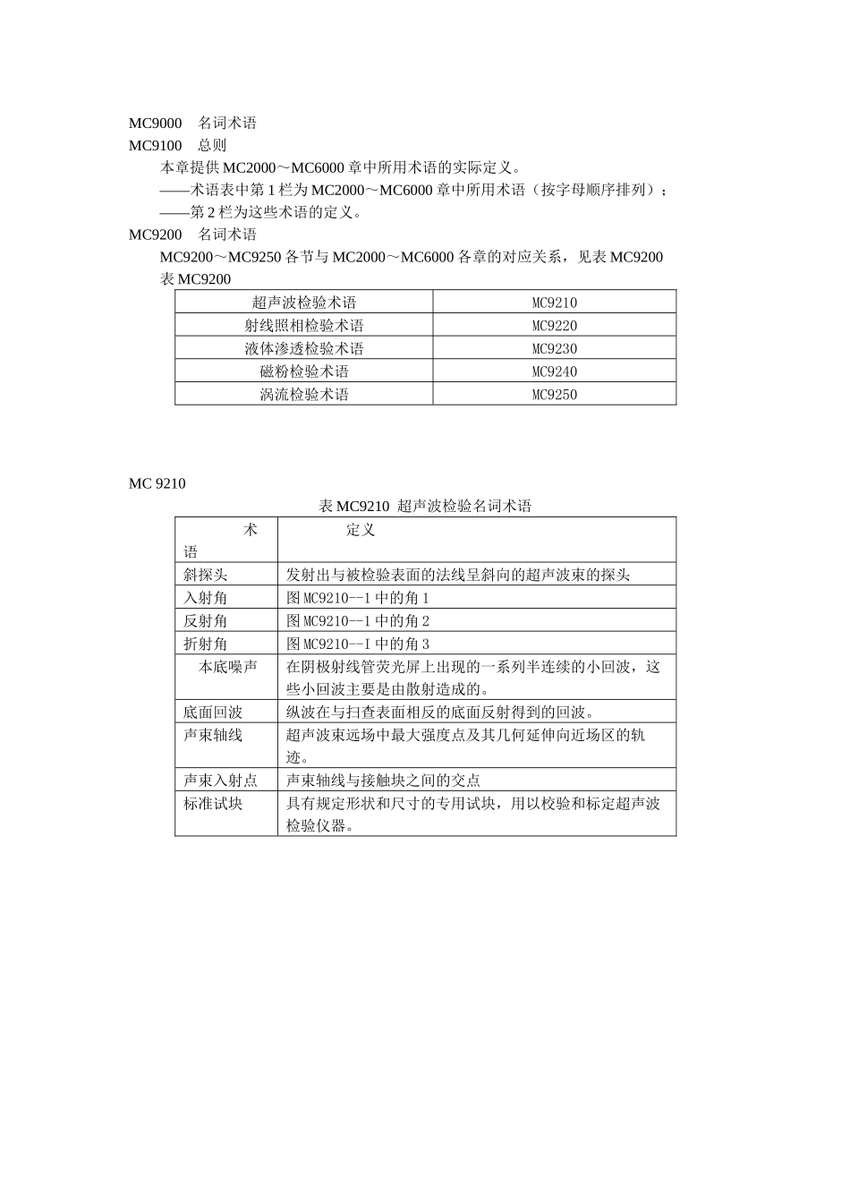
MC9000名词术语MC9100总则本章提供MC2000~MC6000章中所用术语的实际定义。——术语表中第1栏为MC2000~MC6000章中所用术语(按字母顺序排列);——第2栏为这些术语的定义。MC9200名词术语MC9200~MC9250各节与MC2000~MC6000各章的对应关系,见表MC9200表MC9200超声波检验术语MC9210射线照相检验术语MC9220液体渗透检验术语MC9230磁粉检验术语MC9240涡流检验术语MC9250MC9210表MC9210超声波检验名词术语术语定义斜探头发射出与被检验表面的法线呈斜向的超声波束的探头入射角图MC9210--1中的角1反射角图MC9210--1中的角2折射角图MC9210--I中的角3本底噪声在阴极射线管荧光屏上出现的一系列半连续的小回波,这些小回波主要是由散射造成的。底面回波纵波在与扫查表面相反的底面反射得到的回波。声束轴线超声波束远场中最大强度点及其几何延伸向近场区的轨迹。声束入射点声束轴线与接触块之间的交点标准试块具有规定形状和尺寸的专用试块,用以校验和标定超声波检验仪器。续表术语定义接触法(检测)探测装置直接与施加耦合膜耦合的被检材料接触的检测方法。耦合介质施于探头与被检验件之间的、能使超声波从一种材料穿入另一种材料的液态或柔软的固态介质。分贝(dB)等于两个幅度之比值的常用对数的20倍的值。液浸法将探头和零件都浸泡在水中进行耦合的检验方法兰姆波在板件或薄壁管中传播的一种波型,粒子的位移波及被检验件的整个厚度。(回波)上升前沿图MC9210-3所示回波的一部分。纵波介质每点粒子振动方向平行于波的传播方向的波型波型转换通过折射或反射将某种传播波型,转换成另一种传播波型的过程标称频率由探测装置制造商标定的名义频率压电晶片能将电能转换成机械能,也能将机械能转换成电能的晶体材料。本术语含义己扩大,并且也适用于铁一电陶瓷。功率(调节)能使压电晶片中的电脉冲功率改变的调节探头包含一个内有一些压电晶片的装置脉冲发生器超声波检验装置的一部分,产生一系列定常波幅的电脉冲并稳定跟踪的重复频率(脉冲循环频率)。对比试块用与被检验材料声频特性接近或相同的材料制成的试块。它可带有或不带有人工缺陷。通常用以调整检验装置的灵敏度。灵敏度(调节)放大器增益控制的调节。横波介质各点粒子振动方向垂直于波的传播方面的波型跨距(图MC9210—2)一个横波探头传送的超声波束与厚度为e的零件的法线呈X角时,该跨距是该横波探头在零件表面上的入射点和波束经一次反射后在该面上的入射点之间的距离,计算公式为:一次反射波=2etanX直射波束垂直于接触表面传播的一种纵波波束直波探头发射直射超声波束的探头时基标定获得超声波声程与时间基准之比值的这种调节注释:超声波检验由MC2000论及。MC9220表9220射线照相检验名词术语术语定义电子感应加速器(电子回旋加速器)一种能将电子沿圆形轨道加速,然后轰击靶子的X射线发生器。它能产生能量很高的射线。遮挡(屏蔽)物质为吸收背面散射的射线,在暗盒后设置的铅箔。暗盒一种硬的或软的不透光容器,其前端面对穿透射线相对透明。暗盒设计成放置带或不带增感屏的一张或多张射线照相胶片。黑度计测量射线照相底片黑度的一种仪器显影(手动或自动)主要由用显影液处理曝光的射线照相胶片,将潜在图象转换为可见图象,和用定影液定影构成的操作。定向辐射在透照期间,只采用1小部分波束进行准直或非准直曝光。可采用单个暗盒(个别曝光)或采用多个暗盒置于射线源周围进行曝光(全景曝光)。见图MC9220—1和MC9220—2边缘效应从源于几乎平行于射线波束的照相表面散射的射线产生的寄生效应。(射线照相)胶片由基质材料构成,通常在其两面涂有感光乳剂的胶片。观片灯(Negatoscope)一种能检验射线照相底片的带有照亮装置的仪器(X光机和加速器)焦点靶(热焦点)或在垂直于辐射波束平面中射线源的正投影的面积。几何不清晰度由于曝光的几何条件(射线源或焦点尺寸、源与胶片之间的距离等)造成的射线照相胶片图象沿边缘呈半阴影。检验导管当被检验件从两端无法接近时,通过被检件侧面引入射线源,从而能进行管件的焊缝内部检验的装置。增感屏贴附在射线照相胶片上的金属箔,用以增强通过电子发射原始辐射的效应。黑度射线照相底片黑度等...

1、当您付费下载文档后,您只拥有了使用权限,并不意味着购买了版权,文档只能用于自身使用,不得用于其他商业用途(如 [转卖]进行直接盈利或[编辑后售卖]进行间接盈利)。
2、本站所有内容均由合作方或网友上传,本站不对文档的完整性、权威性及其观点立场正确性做任何保证或承诺!文档内容仅供研究参考,付费前请自行鉴别。
3、如文档内容存在违规,或者侵犯商业秘密、侵犯著作权等,请点击“违规举报”。

碎片内容

MC9000名词术语

您可能关注的文档

确认删除?
VIP
微信客服
  • 扫码咨询
会员Q群
  • 会员专属群点击这里加入QQ群
客服邮箱
回到顶部