电脑桌面
添加小米粒文库到电脑桌面
安装后可以在桌面快捷访问

JB-TBL-J2000智能火灾报警控制器使用说明书VIP免费

JB-TBL-J2000智能火灾报警控制器使用说明书_第1页
1/28
JB-TBL-J2000智能火灾报警控制器使用说明书_第2页
2/28
JB-TBL-J2000智能火灾报警控制器使用说明书_第3页
3/28
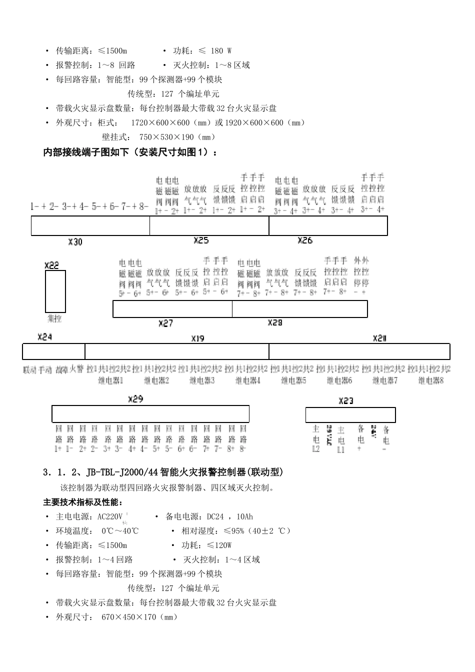
版本号:Ver2.2JB-TBL-J2000智能火灾报警控制器(联动型)使用说明书南京南消电子技术有限公司2003年1月1、概述JB-TBL-J2000智能火灾报警控制器是我厂独立开发的新一代总线制火灾报警控制器。系统设计以简洁明了、可靠实用为主导思想,系统操作采用下拉菜单方式,便于操作;电气结构上运用多CPU协调工作滤波器备电液晶键盘联动操作盘灭火操作盘灭火操作盘变压器⑺⑵⑹⑸⑷中控板⑶的控制采集技术,使功能设计模块化,以突出单片机的“单片”功能;电源部分的设计采用国际流行的DC-DC电源模块,大大提高了系统工作效率和系统稳定性。系统采用探测控制二合一的混合二总线模式。2、产品特点及适用范围采用大屏幕液晶汉字显示——清晰、直观、便于操作;采用模块化的结构——系统配置增减灵活,报警控制与灭火控制可以一体化配置,维修、维护方便;表格化的编程方法——逻辑丰富、编程方便;系统预留有联网接口,通过外加通信模块,可以与消防设备监控中心(或监视中心)实现局域网、广域网(以太网、分组交换网包括无线网)的连接。本控制器适合于宾馆、饭店、计算机房、仓库等工程使用。3、结构特征3.1结构特征JB-TBL-J2000智能火灾报警控制器,总体结构可分为壁挂式和柜式两种,控制器总体上采用插板式结构,壁挂式箱体内部由以下部件组成,⑴主板、⑵电源板、⑶中控板、⑷直接接点板、⑸灭控板、⑹回路板、⑺总线板以及备电、变压器、喇叭等,柜式箱体内还可以增加总线制手动操作盘、消防广播系统或消防火警电话等设备。3.1.1、JB-TBL-J2000智能火灾报警控制器(联动型)该控制器为联动型八回路火灾报警控制器、八区域灭火控制。主要技术指标及性能:·主电电源:AC220V+10%-1·备电电源:DC24,25Ah·环境温度:0℃~40℃·相对湿度:≤95%(40±2℃)⑴·传输距离:≤1500m·功耗:≤180W·报警控制:1~8回路·灭火控制:1~8区域·每回路容量:智能型:99个探测器+99个模块传统型:127个编址单元·带载火灾显示盘数量:每台控制器最大带载32台火灾显示盘·外观尺寸:柜式:1720×600×600(mm)或1920×600×600(mm)壁挂式:750×530×190(mm)内部接线端子图如下(安装尺寸如图1):3.1.2、JB-TBL-J2000/44智能火灾报警控制器(联动型)该控制器为联动型四回路火灾报警制器、四区域灭火控制。主要技术指标及性能:·主电电源:AC220V+10%-1·备电电源:DC24,10Ah·环境温度:0℃~40℃·相对湿度:≤95%(40±2℃)·传输距离:≤1500m·功耗:≤120W·报警控制:1~4回路·灭火控制:1~4区域·每回路容量:智能型:99个探测器+99个模块传统型:127个编址单元·带载火灾显示盘数量:每台控制器最大带载32台火灾显示盘·外观尺寸:670×450×170(mm)继电器1+-24V控2共2控1控2共2共1控1共1控1继电器3继电器4外控停+外控停-控2共2控1共1控2共2继电器2共1放气-放气2+反馈1+反馈-反馈2+电磁阀2+放气1+外接点1-火警故障zha手动外接点+外接点2-外接点+外接点3-外接点5-外接点4-外接点6-外接点+外接点7-外接点+外接点8-电磁阀1+电磁阀-回路2回路3回路4回路1+-+-+-+-手控启-手控启4+手控启3+反馈3+电磁阀3+反馈-电磁阀4+电磁阀-放气-放气3+手控启1+手控启-手控启2+放气4+反馈4+内部接线端子图如下(安装尺寸如图2):3.1.3、JB-TBL-J2000智能火灾报警控制器(联动型)该控制器为八回路智能火灾报警控制器。主要技术指标及性能:·主电电源:AC220V+10%-1·备电电源:DC24,25Ah·环境温度:0℃~40℃·相对湿度:≤95%(40±2℃)·传输距离:≤1500m·功耗:≤120W·报警控制:1~8回路·每回路容量:智能型99个探测器+99个模块、传统型127(编址单元)·带载火灾显示盘数量:每台控制器最大带载32台火灾显示盘·外观尺寸:670×450×170(mm)内部接线端子图如下(安装尺寸如图2):J2000系列壁挂机安装尺寸图如下:图一图二3.2系统构成JB-TBL-J2000智能火灾报警控制器采用插卡式结构,最大可以将8个区域的灭火控制功能和8个回路的报警探测...

1、当您付费下载文档后,您只拥有了使用权限,并不意味着购买了版权,文档只能用于自身使用,不得用于其他商业用途(如 [转卖]进行直接盈利或[编辑后售卖]进行间接盈利)。
2、本站所有内容均由合作方或网友上传,本站不对文档的完整性、权威性及其观点立场正确性做任何保证或承诺!文档内容仅供研究参考,付费前请自行鉴别。
3、如文档内容存在违规,或者侵犯商业秘密、侵犯著作权等,请点击“违规举报”。

碎片内容

JB-TBL-J2000智能火灾报警控制器使用说明书

墨香书阁+ 关注
实名认证
内容提供者

热爱教学事业,对互联网知识分享很感兴趣

确认删除?
VIP
微信客服
  • 扫码咨询
会员Q群
  • 会员专属群点击这里加入QQ群
客服邮箱
回到顶部